Преимущества и недостатки совмещенного и раздельного санузла
Санузел – территория сантехники. Конечно, ведь именно здесь сосредоточено преобладающее её количество, помогающее нам справлять естественные физиологические потребности организма, проводить гигиенические или хозяйственные процедуры. Все эти процессы протекают при непосредственном использовании воды, с последующим её отведением. Поэтому понимание принципов построения конфигураций санузлов будет неотъемлемой частью успешного воплощения в жизнь разводки квартирного водопровода.
 
Структура среднестатистического жилья включает санузлы двух типов – совмещенные или раздельные. Отдавая предпочтение совмещенному типу, вы получаете одно целевое помещение оборудованное, как минимум, унитазом, рукомойником, ванной или душевой кабиной. Если же санузел раздельный, то туалет и ванная комната обособляются, имея свои раздельные входы.
 
На выбор конфигурации помещения (помещений) оказывает влияние ряд факторов, и в первую очередь – субъективный. Однако следует знать, что с точки зрения элементарной санитарии, близость отхожего места к зоне осуществления гигиенических процедур в совмещенных санузлах не относится к правильному планировочному решению. Представьте, что микроскопическая пыль в процессе спуска нечистот, разлетаясь на многие метры вокруг, оседает на ваших мочалках, зубных щетках, полотенцах. Получается не очень оптимистичная картина.
«Совмещенка» логически оправдана в нескольких случаях:
- при объединении слишком тесных ванной комнаты и туалета, чтобы добиться создания хоть какого-то свободного пространства. При таком решении иногда удается даже поставить дополнительное оборудование, например биде или стиральную машину;
- если площадь общего помещения изначально немаленькая (около 10 м2 и больше);
- когда санузлом пользуется ограниченный круг лиц. Например, в квартире проживает 1-2 человека или имеется второй гостевой СУ, а первый обслуживает только спальню хозяев.
Дезинфекция с помощью белизны и калия перманганата
К простым и доступным методам дезинфекции относят белизну. Путем опытов было определено, что на 1 железобетонное кольцо воды нужно 1000 мл белизны. Чтобы продезинфицировать колодец, нужно залить его раствором и очистить стены щетками, тряпками или кистью.
Для большего удобства можно воспользоваться распылителем. Этот метод позволит точно дозировать хлорку и наносить в наиболее грязные места. Смета за подобную процедуру — небольшая. После проведения подобной процедуры нужно тщательно промыть места очистки.
Если нужно оперативно и безопасно очистить колодец, то в подобной ситуации рекомендуется применять раствор марганцовки. Такое средство принято относить к щадящим методам, но оно является менее эффективным, чем очистка с помощью хлора. Очищать колодец путем засыпания в него сухого порошка калия перманганата запрещено.
Чтобы обеззаразить шахту и воду колодца, нужно заранее приготовить раствор из расчета 1 ст. л. марганцовки на ведро воды (10 л). Лишь чистка раствором такой концентрации даст эффект. Перед тем как выливать этот очищающий раствор в колодец, его нужно еще раз перемешать, чтобы марганцовка не осталась на дне ведра. Чтобы средство подействовало, нужно оставить его в колодце на 30 минут или час, после чего откачать с помощью насосной станции.
Подобная дезинфекция колодца марганцовкой очищает лишь кольца, а вот для очистки дна используют другой метод (работа с перекисью). Обрабатывать днище можно с помощью марганца. Для этого нужно 5 г сухого порошка поместить в сито и расположить его на дне колодца. При постоянном нахождении марганца в колодце будет наблюдаться беспрерывное обеззараживающее действие.
Подобным действием обладает кремниевая крошка. Оставляем дезинфицирующий раствор на 30-60 минут, и несколько раз откачиваем воду. После завершения очистки раствором марганца промываются сухие стенки колодца, а на дно помещается сетка (обычное сито) с марганцем 3-5 г, которое будет находиться там постоянно, оказывая обеззараживающее и антибактериальное действие. Вместо марганца на дно можно установить кремниевую крошку, обладающую дезинфицирующими свойствами. Процедуру можно проводить с помощью применения перекиси водорода. Если проводить дезинфекцию колодца своими руками, то смета за выполнение такой процедуры будет дешевой.
Физические способы дезинфекции
К данным методам относят чистку с помощью ультразвука и ультрафиолета. Эти способы отличаются эффективностью, экологической безопасностью. Главный минус — необходимость покупки дорогостоящих приборов. Рационально использовать такое оборудование, если колодец подключен к автономной системе водоснабжения и применяется круглогодично.
Прибор для очистки оснащен автоматической системой, регулирующей подачу воды через специальный блок. При этом излучается ультрафиолет, губительный для бактерий. При этом запах и цвет не меняется. Однако такое устройство не используют при отсутствии крышки у колодца. Практически аналогично действует оборудование, воздействующее на плесень УЗ-волнами.
Профилактические меры
Полное обеззараживание и ремонтом конструкций проводят один раз в 5-7 лет. Чтобы минимизировать затраты и предупредить загрязнение воды, нужна регулярная облегченная очистка с дезинфекцией. Если колодец эксплуатируют постоянно, то достаточно одной процедуры в год. На летних дачных участках мероприятия осуществляют в начале и конце сезона.

 После очистки колодцаИсточник yandex.ua
Чтобы предупредить попадание дождя и сточных бытовых вод в скважину, вокруг конструкции обустраивают глиняный замок. Устройство выполняет роль гидрозатвора, уместно на территории с риском паводков или заболоченности. Элемент ограждает бетонные кольца от засорения почвой и верхними грунтовыми водами.
Для создания замка вокруг колодца выкапывают траншею, глубина которой в пределах 1,7-2 м и шириной до 1 м. Ров засыпают плотной («жирной») глиной с высокой степенью вязкости. Влажное вещество утрамбовывают вокруг бетонных колец. Чтобы вода стекала, над землей устанавливают верхнюю часть конструкции.
Правильно подобранный донный фильтр самостоятельно справляется с дезинфекцией влаги в колодце. Устройство очищает жидкость химическим и физическим способами. Вместе с традиционными кварцевым песком и речной галькой добавляют цеолит. Жадеит (банный камень) очищает от тяжелых металлов и препятствует движению материалов нижнего слоя.
Если колодец стоит на плывуне или вода поступает под большим напором, тогда нужен донный щит. Сетка из железных сплавов разрушается под воздействием коррозии и вещества проникают в питьевую влагу, что может влиять на вкус или цвет. Конструкции из осины не гниют, не изменяют аромат и дополнительно дезинфицируют жидкость.

 Очистка скважиныИсточник yandex.ua
Оголовок несет не только декоративную функцию, но и предотвращает загрязнение колодца. Вода в закрытой скважине не цветет, во внутрь не попадает листва, пыль или мертвые животные (насекомые). Конструкцию в виде крышки или навеса можно собрать из древесины, камня или сайдинга, подстраивая под дизайн ландшафта.
Подготовка к обеззараживающей обработке
 Перед тем как проводить очистку, нужно выполнить необходимые подготовительные работы. От того, насколько хорошо будет подготовлен объект, зависит качество обработки. Чтобы приняться за дезинфекцию, нужно предварительно выкачать воду в колодце. При помощи поверхностного насоса можно откачать воду, если ее там немного.
Перед тем как проводить очистку, нужно выполнить необходимые подготовительные работы. От того, насколько хорошо будет подготовлен объект, зависит качество обработки. Чтобы приняться за дезинфекцию, нужно предварительно выкачать воду в колодце. При помощи поверхностного насоса можно откачать воду, если ее там немного.

Для резервуара с большим содержанием жидкости потребуется насос с механизмом погружного типа. Когда все будет готово для откачки, следует с помощью сачка выловить все загрязнения. После очищения резервуара от веток и прочих предметов, нужно приступать к откачке. Затем следует спуститься внутрь и осмотреть видимые нарушения целостности. Если будут трещины, необходимо их устранить с помощью специального гидроизоляционного средства.
 Для очистки понадобятся специальные инструменты, которые смогут легко очистить стены и дно. Чтобы снять со стенок грязь и бактерии, нужно приобрести жесткую щетку или шпатель. Чтобы сделать чистым дно колодца, понадобится придонная засыпка в виде мелкофракционного щебня, гравия или песка. Убрать следы коррозии поможет молоток или же болгарка, а отложения в виде плесневых грибов можно удалить медным купоросом.
Для очистки понадобятся специальные инструменты, которые смогут легко очистить стены и дно. Чтобы снять со стенок грязь и бактерии, нужно приобрести жесткую щетку или шпатель. Чтобы сделать чистым дно колодца, понадобится придонная засыпка в виде мелкофракционного щебня, гравия или песка. Убрать следы коррозии поможет молоток или же болгарка, а отложения в виде плесневых грибов можно удалить медным купоросом.
Очистку колодезной воды нужно проводить с помощью специальных дезинфицирующих средств, чтобы они могли устранять вредоносные микроорганизмы. Также это средство должно очень хорошо смываться со стенок. Наиболее часто для очистки колодца применяют хлористый обеззараживающий раствор, белизну, марганцовку и пероксид. Почти все эти средства доступны в продаже, а смета за выполнение услуг с их помощью — минимальная.
Прятать трубы или нет?
Вопрос, который часто возникает при полной реконструкции санузла. Ведь положив модный кафель и установив дорогую сантехнику, не очень хочется, чтобы эту красоту разбавляла наружная трубная разводка. Обращаясь к СНиП 2.04.-85 «Внутренний водопровод и канализация зданий», а также его актуализированной редакции СП 30.13330.2012, находим, что:
Чтобы правильно выполнить скрытую прокладку коммуникаций следует учитывать ряд моментов:
- Прежде всего, необходимо выбирать материал, изготовленный известными производителями и приобретать его в официальных точках продаж. Потребуйте у продавца сертификаты соответствия, описание области применения и подтверждение гарантий на сантехнические изделия.
- Предпочтение следует отдавать коробам, фальшпанелям с ревизионным лючками либо съемным декоративно-защитным экранам.
- О том, какие модели труб можно полностью замуровать в бетонные конструкции, следует поинтересоваться еще на стадии их закупки. Однако, общие правила не допускают замоноличивание разборных узлов, в том числе фитингов. К ним должен быть обеспечен свободный доступ для контроля и профилактики. Разрешается заделка гомогенных соединений, выполненных методом диффузионной сварки, при этом число стыков желательно предусматривать минимальным.
Кроме того, при замуровывании в конструкции следует учитывать температурно-механические свойства трубопроводов. У них должен быть либо невысокий коэффициент термического расширения, либо обеспечиваться условия для их свободной деформации. Поэтому, учитывая вышесказанное, для замоноличивания в конструкции лучшим решением будет использование цельных участков из металлопластика, полибутена либо из цельносшитого полиэтилена.
Допускается также замуровывание труб в полы или стены спаянных полипропиленовых. Предпочтение отдают армированной продукции, так как она имеет коэффициент линейного расширения в 5 раз меньший, чем неармированная. Трубы прокладываются в защитных чехлах из упругого материала (типа Энергофлекс) или с запасом по диаметру в сантехнических гофрах. Подобные меры помогают компенсировать температурные деформации линий ГВС, препятствуют образованию конденсата на линиях ХВС.
Как определить качество
Признаки заражения указывают о необходимости очистки воды в колодце. Чтобы приступить к ликвидации проблемы, нужно определить виновника. Лабораторный анализ поможет выявить причину загрязнения. Исследованиями занимаются санэпидстанции, аккредитованные центры Роспотребнадзора или частные компании с лицензией.

 Исследования жидкостиИсточник stroy-podskazka.ru
Воду из колодца наливают в чистую стеклянную или новую пластиковую бутылку объемом в 1,5 л. Жидкость аккуратно добавляют в емкость, иначе от сильного напора внутри образуется избыток кислорода. Резервуар плотно закупоривают, укутывают в темный полиэтилен и в течение 3 часов доставляют в лабораторию.
Результат – вывод об органолептических характеристиках качествах скважины. Спецы резюмируют о том, пригодна ли скважина к использованию в бытовых и пищевых целях, прописывают рекомендации по улучшению воды.
Водопровод и канализация
Септик из бетонных колец – надежная, долговечная и относительно недорогая система.
Если на загородном участке нет никакой возможности подключить свою канализационную систему.
Канализация — деликатная, но очень важная часть инженерных коммуникаций в любом.
Если хозяин дома берется за самостоятельное проектирование системы водоснабжения, то ему предстоит.
Подбирая для своего дома или квартиры проточную газовую колонку, хозяева, безусловно, рассчитывают на то, что этот прибор будет в состоянии давать горячую воду в нужном объеме и с комфортной температурой. Эти возможности проточных нагревателей определяются двумя основными параметрами — мощностью.
Неправильным будет полагать, что если, например, насосная станция или установленный гидроаккумулятор.
Какой водонагреватель лучше — проточный или накопительный? Вопрос, актуальный для тех.
С приближением долгожданной весны многие любители сельскохозяйственных работ уже мыслями переносятся.
Калькулятор расчета хлорного раствора для дезинфекции колодца
Транспортировка стоков по канализационным трубам производится чаще всего по принципу самотёка.
Реле давления воды для насоса: принцип работы, правильная регулировка, пошаговая инструкция.
Некоторые участки автономной системы водопровода на пути от скважины или колодца.
Дренажный насос – это верный помощник владельца частного дома. Он способен решить множество проблем – откачать воду из затопленного подвала или низины участка, опорожнить накопительный приямок или дренажный (ливневый) коллектор, наполнить большие резервуары или перелить воду из одного в другой.
Автономная система водопровода, завязанная на установленную в доме насосную станцию –.
«Сердцем» любой насосной станции является поверхностный самовсасывающий насос. Несмотря на широкий.
Выбирая насосную станцию для своего дома, потенциальный владелец рассчитывает, что с.
Большой удачей можно считать то, когда на территории собственного загородного участка имеется возможность пробурить скважину и организовать полностью автономную, ни от кого не зависящую систему водоснабжения дома. Безусловно, самой скважины мало – требуется приобретение и грамотная установка соответствующего насосного оборудования.
Система водопровода для частного дома, «завязанная» на собственную скважину – чрезвычайно.
Наличие собственной скважины решает множество проблем хозяев загородного дома. Но для.
Наличие полностью независимого источника воды – это большой плюс для любого.
Нередко случается так, что давление воды на точках водоразбора в квартире –.
Правильно подобранный насос для полива – это верный помощник в садово-огородных.
Калькулятор расчета напора насоса для полива огорода
Одним из основных элементов автономной канализации частного дома является септик. В.
Ливневая канализация – одна из важнейших систем оборудования жилого участка, о.
работы всегда будут основываться на точном и грамотном математическом расчете
Начнем с того, что они являются достаточно сложными инженерными системами, их проектируют в строгом соответствии с правилами, стандартами, требованиями СНиП. Чтобы изучить всю эту документацию, может потребоваться не один месяц, а потому специально для вас – людей, желающих самостоятельно рассчитать и обустроить водопровод/канализацию в частном доме – нами были разработаны бесплатные онлайн-калькуляторы, которые значительно облегчат вам жизнь.
Нужно рассчитать объем септика? Или давление воды в водопроводной системе? Или, может, вам необходимо выяснить, каким должен быть напор скважинного насоса для системы с прямой подачей? Эти и многие другие параметры, касающиеся водоснабжения и водоотведения, можно рассчитать, используя представленные в данном разделе сайта бесплатные калькуляторы!
Источник
4 Подготовка к обработке
Перед дезинфицирующими мероприятиями необходимо выполнить подготовительные работы. Правильная подготовка влияет на уровень качества и скорость обеззараживания.
Сначала выполняется откачка водной среды. Для этого можно использовать поверхностный насос, если в источнике немного воды. В другом случае необходимо применить мощный погружной насосный агрегат. Перед использованием оборудования нужно из колодца удалить мусор с поверхности воды при помощи сачка.
Как только вода будет откачена, необходимо спуститься в источник и проверить, не появились ли на дне колодца трещины, отложения и протечки. При обнаружении трещин используется специальный раствор для гидроизоляции. Одновременно убирается мусор, включая иловые отложения и водоросли.
Очистка дна и заделка щелей шахты
А если была нарушена герметичность стенок, тогда обеззараживание выполняется после ремонта конструкций. По завершению дезинфекции проводится проверка водной среды на наличие химических веществ. Этот процесс нужно повторить от 2 до 3 раз. Если норма содержания химических веществ превышена, тогда проводится повторная откачка. Потом берут пробу воды, которая относится на анализ в лабораторию санэпидемстанции.
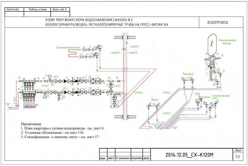
Всё о монтаже трубопровода водоснабжения в квартире
Мероприятия квартирного капитального ремонта сложно представить без замены систем инженерных сетей как подводящих, так и внутренних. В полной мере это относится и к водоподводящим коммуникациям – меняются, как минимум, межэтажные участки стояков, а также разводка водопровода в квартире
При этом еще до начала монтажа трубопроводов важно не только определиться с типом выбираемого для них материала, требуемыми диаметрами, но и знать правила их прокладки, тонкости сборочных моментов. Монтаж труб должен осуществляться с учетом технических и габаритных характеристик устанавливаемой сантехники, рекомендаций по обустройству мест её размещения (санузлов, кухонь) и использованию вспомогательного оборудования, принадлежностей, аксессуаров
Основные признаки
Состав воды в скважине зависит от сезонных изменений и внешних воздействий. Чтобы контролировать качество подземного источника, нужно регулярно делать исследования. Существует 4 признака, которые предупредят о необходимости дезинфекции колодца.
Изменение цвета
Чистая вода всегда прозрачная, без каких-либо оттенков. Если жидкость стала зеленой, то влага «цветет». При попадании прямых солнечных лучей в шахту начинают размножаться и развиваться водоросли, бактерии. Колонии микроорганизмов в виде крохотных шариков можно увидеть невооруженным глазом.
Черная вода в колодце – результат гниения органики. Из-за разложения листвы, трупов животных, насекомых или птиц выделяются вещества, которые заражают влагу. Продукты распада являются ядом для живых существ, поэтому жидкость нужно дезинфицировать.
Желтый или бурый цвет воды в колодце предупреждает о высоком содержании железа. Элемент вступает в реакцию с воздухом, поэтому возникает ржавчина. Вещество может быть как в самой жидкости, так и в металлических деталях конструкции (трубах, фильтре).

 Изменение цветаИсточник serovglobus.ru
Желтая вода бывает в колодцах, которые выкопали с нарушением технологии. Неглубокие самодельные скважины располагают в слоях с высокой концентрацией песка или глины. Плохая герметизация швов между кольцами конструкции приводит к проникновению примесей и окрашиванию влаги.
Мутность и осадок
Нарушение прозрачности предупреждает о необходимости дезинфекции воды в колодце. На стенках скважины образуется липкий ил или собирается мелкая пыль, которые делают жидкость мутной. Проблема появляется после дождя при ухудшении герметичности конструкции.
При неправильном монтаже насоса происходит нарушение прозрачности воды в колодце. Расстояние от дна до всасывающей части устройства должно быть в пределах 70-80 см. Если аппарат ошибочно установили, то при пуске он поднимает осадок. Жидкость становится мутной, выпадает осадок, которые нужно удалять.

 Причины непрозрачностиИсточник stroymore.ru
Масляная пленка над поверхностью воды в колодце предупреждает о попадании в скважину нефтепродуктов. Радужное пятно возникает при разгерметизации швов на стенках или при выходе из строя насоса. Часто причиной становится бензиновая зажигалка, которая выпала из кармана владельца и попала в ствол шахты.
Посторонний запах
Биологические или химические процессы в колодце проявляются в виде ароматов в воде. При разложении органических веществ выделяется сероводород, жидкость приобретает аромат тухлых яиц. Влага не опасна для человека, но из-за запаха невозможно пить и использовать для бытовых нужд.
Если в колодец постоянно попадает мусор, то вода воняет тухлостью или болотом. Механические примеси оседают на дно, где происходит разложение. На ранних этапах жидкость не мутнеет и не меняет цвет. Неприятный аромат и наличие щепок (палочек) предупреждают о заражении источника.

 Неприятный амбре водыИсточник watertestingkits.com
Если влага в колодце пахнет моющим средством, бензином или фенолом, то это свидетельствует о присутствии стоков в водоносных горизонтах. Неестественные запахи появляются при попадании химических продуктов. Опасные компоненты с осадками поступили в подземные источники.
Привкус воды
Металлический вкус в колодезной влаге говорит о наличии железа в составе. Кислинка признак того, что вода контактирует с бронзовыми или медными деталями в колодце. Повышенное содержание солей проявляется в виде солоноватой воды. Горечь предупреждает о загрязнении бытовыми стоками.

 Непривычный привкус водыИсточник yandex.ua
Причины загрязнения
Глубина залегания подземных вод невелика, поэтому источник не всегда бывает чистым. В скважине присутствуют растворенные или сухие примеси. В верхних слоях живут и развиваются микроорганизмы, от разложения которых возникает неприятный вкус или аромат жидкости.

 Причины зараженияИсточник kolodetsoved.ru
Колодезная вода подвержена загрязнению чаще, чем влага из централизованной магистрали. Среди причин выделяют 3 вида:
- Естественные явления. Виновниками становятся паводки или изменения в подземных источниках из-за жары, облучения солнечного света. Трансформации происходят при случайном попадании трупов животных, птиц или опавшей листвы.
- Человеческий фактор. Близкое расположение сливной ямы, загона для скотины, активное использование удобрений провоцирует заражение воды в колодце. Химические или сельскохозяйственные стоки могут проникнуть в источник.
- Разрушение конструкции. Из-за неправильного монтажа, активной эксплуатации происходит разгерметизация швов, ломаются элементы скважины.
Часто колодцы устанавливают на плывуне. Из-за наличия в воде высокого содержания примесей владельцу придется контролировать концентрацию и ликвидировать признаки. Вокруг конструкции проседает грунт и могут разгерметизироваться швы, что приведет к заражению влаги.

 Загрязнение скважиныИсточник sovet-ingenera.com
 
 Причины грязи в водеИсточник sovet-ingenera.com
Составляем схему
Определившись с типом коммуникационных подключений (коллекторно или последовательно) с теми приборами и устройствами, которые будут в неё включены, приступаем к непосредственной разработке схемы разводки водопровода в квартире. Она поможет правильно рассчитать метраж труб, количество и виды фитингов, вспомогательных деталей на этапе закупок, упростит и сократит время монтажных операций. Напротив, приступая к сборке коммуникаций без их подробного описания, значительно увеличиваются шансы совершать ошибки, которые приводят к переделкам, а также к перерасходу недешевых материалов.
 
Рисунок 1. Схема водопровода (кликните для увеличения).
Профессионалы, разрабатывая монтажные схемы (рисунок 1), используют определенный нормативный порядок, специальные расчеты. Если у вас есть возможность заказать и оплатить такую работу, то это будет только вам в плюс. На схеме, а она является частью проектной документации на проведение капитального ремонта или реконструкции санузла, будет указана важная для вас информация:
- точки водоразбора с наименованиями приборов подключения;
- трубопроводы (ХВ, ГВ) с указанием их диаметров, типом материала, направлением тока воды;
- распределительные и запорно-регулирующие устройства;
- аварийная автоматика;
- водомерные приборы.
Тем не менее, вполне работоспособную схему можно составить и своими усилиями. При этом все равно следует ориентироваться на основные правила построения квартирной разводки, описываемые в этой статье, хорошо продумать не только расположение сантехники, но и установку важных вспомогательных устройств.
Подготовительные процедуры перед обеззараживанием
 В первую очередь нужно совершить подготовительные действия, они влияют на эффективность проведения дезинфицирования питьевой воды в колодце.
 Для этого требуется:
- Посредством специального насоса откачать всю жидкость.
- Затем следует убрать из шахты весь мусор.
- Далее нужно внимательно осмотреть поверхность стенок колодца.
- После, применяя щетки, полностью убрать весь мусор, грязь, налет грибка.
- При выявлении расщелин, следует от них избавиться за счет специального раствора, особо внимательно следует отнестись к стыкам колец.
- Далее выполняется очищение нижней части поддона от загрязнений.
- Тщательно осматривается дно, убирается все засорения, отложения ила, выгребаются камушки и песок, используемые для фильтрации.
Разные загрязнения очищаются различными способами: от заплесневелостей помогает медный купорос, солевые отложения очищаются уксусом и соляной кислотой, ржавчина счищается посредством специальной шлифовальной машинки.
Бытовое и промышленное использование
Гипохлорит натрия используется для следующих целей:
Дезинфекция и антибактериальные обработки
Для таких целей используют раствор, полученный заводским способом, заключающимся в поглощении хлора едким натром. Полученные растворы отличаются содержанием активного хлораи щелочности. Выпускаются в стальных цистернах, полиэтиленовых канистрах, бочках. Для целей дезинфекции и обеззараживания проводится орошение, протирание, мытье, замачивание необходимых объектов. Не подлежит обработке гипохлоритом натрия окрашенное и неокрашенное белье и прочие ткани, металлические предметы и конструкции, если они не защищены от коррозии.
Наибольшую популярность применение такого раствора имеется при обеззараживании воды в бассейнах, при производстве отбеливающих свойств, для очищения сточных вод, для дезинфекции медицинских помещений и мест общественного питания, при обработке технологического оборудования для производства продуктов питания.
Отбеливание
В самых популярных бытовых отбеливателях типа «Белизна», гипохлорит натрия и его содержащая хлорноватистая кислота работают на то, чтобы разрушать краситель любого рода. Ежегодно мировые компании производят около 5 миллионов тонн гипохлорита натрия используемого как отбеливатель и пятновыводитель. Его разрешено применять для хлопка, полиэстера, нейлона, льна, вискозы и многих других. Его уникальные особенности способны удалить следы травы и почвы, пятна крови, кофе, и устойчивые пятна от фруктовых соков.
В отбеливающих составах содержание гипохлорита натрия не должно превышать 2-10%. Выпускаются в жидкой форме, в пластике и стекле. Эффективность подтверждена без нагревания и механической обработки. Однако в этом направлении есть и минусы использования гипохлорита натрия. Так его применение приводит к преждевременному изнашиванию, сокращению сроков жизни материалов и тканей, невозможностью использования с металлическими конструкциями и стиральными машинами, короткий срок хранения растворов, специфический запах.
Растворение химических санитарно-технических отложений
Гипохлорит натрия отлично проявляет себя в качестве очистителя санитарно-технических комнат и помещений. Его способность удалять налет от воды, ржавчину и пищевые загрязнения имеет туже природу, что и отбеливание. Из-за этих способностей гипохлорит натрия входит в состав многих магазинных чистящих средств. Как правило, для этих целей применяется раствор с концентрацией данного вещества в пределах 3-6 %. Его можно найти в составе таких средств как: Белизна, Clorox Regular-Bleach, Aquachem Chlorinizor, Tiret, Domestos.
13 Физические методы
Ультрафиолетовая и ультразвуковая очистка — это современные методы дезинфекции колодца. Они эффективны и безопасны и выполняются ультрафиолетовыми установками. Монтировать установку целесообразно, если в доме присутствует автономное водоснабжение, которое эксплуатируется круглый год.
График показывает качество воды до и после обработки
Оборудование для ультрафиолетовой очистки комплектуется электронным блоком. С его помощью вода автоматически попадается на очистку, где она обрабатывается УФ-лучами. Они уничтожают любые бактерии. При этом у воды не меняется цвет, вкус и запах. Уф-очистка выполняется за счет излучения ультрафиолетовых лучей, они уничтожают бактерии.
Общий вид установки





































