Инструкция по изготовлению перголы своими руками
Залог успешного строительства – составление точной схемы конструкции. Нужно учесть, что пергола должна иметь отдельный, а лучше ленточный фундамент.
Кроме того, на чертеже должна быть изображена общая картина участка, чтобы пергола по форме и размерам гармонировала с остальными сооружениями. Если же при оформлении эскиза возникли трудности или же хозяева решили изготавливать разноуровневую постройку, стоит обратиться за помощью к опытным архитекторам и дизайнерам. Они в кратчайшие сроки составят проект будущего изделия, учитывая все требования владельцев.
Чтобы самостоятельно создать перголу, необходимо подготовить подручные средства и материалы:
- емкость для замеса раствора,
- рубероид,
- лопату,
- рулетку,
- мастерок,
- молоток,
- щебень, битый кирпич для бутовки;
- шурупы и гвозди,
- цемент,
- песок,
- бруски деревянные 5х10 см.
В соответствии с руководством по строительству установка сооружения проходит в такой последовательности:
- Выравнивается и размечается площадка.
- Роется траншея глубиной до 30 см, чтобы обустроить стенку основания.
- Замешивается раствор.
- В траншею засыпается щебень, битый кирпич, утрамбовывается.
- Выкладывается стенка высотой 40 см. При этом нужно не забыть сделать опоры из брусков, расположив их вертикально. На края дерева наносится горячий битум, заворачивается в рубероид. После высыхания опоры заделываются раствором со стороны стенки.
- Выкапываются ямы для брусков. Расстояние от стены должны быть не менее 1 м, между опорами – не более 2 м.
- Устанавливаются бруски согласно чертежу, заливаясь внизу цементным раствором. Предварительно на них наносятся защитные средства.
- Монтируются перекрытия. Вдоль на опоры укладываются бруски, соединенные между собой в виде буквы Т. Поперек, между ними, вставляются короткие бруски.
Наиболее аккуратно будет смотреться монтаж элементов в пазы. Дополнительным креплением могут стать гвозди, шурупы или саморезы.
Если украшением перголы будут вьющиеся растения, необходимо по бокам конструкции сделать обрешетку из тонких планок шпона или закрепить сетку, крючки. Тогда ветки будут аккуратно оплетать всю конструкцию.
Уникальное место наблюдать за небесами
Отсутствие уютной дачи за городом – это не повод отказаться от домашнего райского уголка. Его можно устроить на крыше жилого здания. В мегаполисах такой вид отдыха практикуют уже на протяжении нескольких десятилетий. Поэтому смелые ребята обустраивают перголу на крыше дома, в котором живут.
Миниатюрная беседка, изготовленная из металлических прутьев, на фоне бетонных плит будет казаться настоящим оазисом наслаждения. Украшают ее ампельными цветами, которые источают нежный аромат и создают легкую тень. В дневные часы в таком «шатре» можно наблюдать за облаками, а ночью созерцать величественные звезды.
Подбор растений
Вьющиеся розы создают приятное и красивое затенение
По завершении строительства конструкции наступает время для подбора подходящих растений. С их помощью будет не только создаваться приятное затенение, но и внешний облик всей постройки в разные сезоны будет изменяться. Чтобы достигнуть желаемого, необходимо следовать некоторым правилам:
- У подобранных видов должны быть приблизительно похожие периоды роста и развития. Так получится прекрасное цельное насыщенное живое ограждение. Растения в ней не будут затеняться, мешать развитию друг друга
- Подобранных растений не должно быть более 2-3 видов. За большим разнообразием растений сложно ухаживать и постройке со слишком пестрым внешним видом тяжело вписаться в общую картину всей территории
- В выборе растений не нужно забывать об их устойчивости и приспособленности к существующему климату. Заранее предусматривается необходимость снятия и утепления растений на зимовку
- Желательно чтобы подобранные виды были простые в уходе, хорошо переносили засуху и не требовали слишком частого полива, но обладали шикарным цветением и неповторимым ароматом
Виноград – податливое и хорошо гнущееся растение
Перечень наиболее подходящих вьющихся видов, которые хорошо разрастаются и смогут создать сплошное своеобразное живое прикрытие от жарких лучей солнца:
- виноград (культурный, дикий)
- плетистые розы
- жимолость каприфоль
Самым распространенным вариантом для озеленения является девичий виноград пятилисточковый. Оно податливое и гнущееся. Прекрасно растет в тени и на солнце. С наступлением осеннего периода яркое зеленое покрытие меняется, приобретая насыщенность багровых оттенков.
Клематисы – требовательное к условиям и уходу за собой растение
Выбирая для озеленения клематисы, нужно быть готовым к его требовательности к условиям и уходу за собой. Это эгоистичное растение, которое не потерпит рядом с собой никакого соседа на расстоянии ближе 1 м. Для растения губительно переувлажнение, сквозняки и холодный воздух. К зиме требуются тщательные приготовления. При большом желании любоваться великолепием этой цветущей лианы, придется хорошо постараться.
С помощью постройки в виде перголы можно придать привлекательности даже самому неприглядному природному уголку, примыкающему к жилому зданию. Сделав ее своими руками, можно не только добавить декоративности своему участку, но наполнить свое пребывание положительными эмоциями.
https://youtube.com/watch?v=uP7rROI02Dc
ВИДЕО: Садовая арка – пергола своими руками
Пергола: обустраиваем уютное место для отдыха. Пошаговая инструкция для изготовления своими руками | 80 Фото & Видео
8.9 Total Score
Строим перголу своими руками
ДИЗАЙН
9
ПРАКТИЧНОСТЬ
10
ЗАТРАТЫ
8
УДОБСТВО
8.5
Оценки покупателей: Будьте первым!
Устройство традиционной перголы
Классическая пергола — это отдельно стоящий навес из деревянной обрешетки, поддерживаемой на толстых опорных столбах. Базовыми элементами перголы являются столбы из бруса, несущие балки, подкосы и обрешетки. Конструкция выглядит максимально легко и не перегружено, при этом обладает достаточной прочностью и чтобы выдерживать вес растений и порывы ветра.
Обрешетки классической перголы изготавливают из досок, установленных на ребро. Доска, смонтированная таким способом, лучше выдерживает нагрузки, возникающие под весом вьющихся растений, чем обрешетка, уложенная на пласть. Помимо усиленной жесткости и отсутствия прогибаний, установленные на ребро деревянные доски выглядят более эстетично, особенно в межсезонье, когда не скрыты зеленью.
Это интересно: Гидроизоляция деревянного пола в частном доме: описываем суть
Изготовление и установка перголы
1. Опорные стойки перголы изготавливаются из бруса 10×10 или 15×15 см, который отпиливается согласно чертежу необходимой длины, чтобы получилась конструкция нужной высоты. Стойки крепятся в анкерах при помощи специальных винтов – глухарей. Вертикальность расположения стоек также определяется при помощи спиртового уровня.
Возможно закрепление бруса непосредственно в цементе, без анкеров. В этом случае необходимо предварительно обработать концы опор горячим битумом.
2. После установки вертикальных опор можно переходить к изготовлению опорных балок. Для этого отпиливается доска 5×15 или 5×20 необходимого размера, можно придать ей оригинальную форму на выступающих концах при помощи лобзика.
Перед закреплением на опорных стойках балки также выравниваются при помощи уровня, затем просверливаются сквозные отверстия через балки и стойки, вставляются болты, затягиваются гайки.
3. Следующий шаг – поперечные балки.
Для их изготовления подойдёт доска 5×15 см. Количество поперечных балок определяется исходя из того, чтобы при установке расстояние между ними были около 30 см. Возможно установить их чаще, тогда будет меньшая светопроницаемость и больше тени.
Поперечные балки крепятся к опорной посредством пазов, которые необходимо выпилить согласно размерам чертежа. После установки в паз балки дополнительно закрепляются саморезами.
Для прочности и жёсткости конструкции навеса и красивого внешнего вида осталось изготовить и закрепить перпендикулярные перекладины. Перекладины выпиливаются в размер согласно чертежу.
При расчёте количества необходимых перекладин, берут за основу шаг установки не менее 60 см. После выпиливания перекладины нужной длины и формы, в ней так же делаются пазы для установки, что не исключает дополнительной фиксации саморезами.
5. Навес перголы готов. Далее, при желании можно декорировать боковые части конструкции при помощи шпалерных панелей. Они крепятся к опорным стойкам перголы
Важно закрепить их на некоторой высоте от земли, это защитит от коррозии и продлит срок службы
6. Завершающий этап работ.
После завершения строительства необходимо тщательно обработать деревянные детали, зашпаклевать щели, зазоры, отверстия, ошкурить древесину наждачкой средней зернистости. Готовую конструкцию следует покрыть лаком в несколько слоёв, это украсит внешний вид и защитит древо от неблагоприятных атмосферных воздействий.
После того как пергола готова, можно приступать к выбору и высадке растений. Именно флористика придаёт перголе законченный вид, гармонично вписывает её в ландшафтный дизайн. Для того чтобы помочь растениям правильно завиваться на крышу, можно натянуть специальную крупноячеистую сетку.
Деревянная пергола – украшение любого сада или дачного участка. А сделанная своими руками, она будет особенно радовать глаз, при этом дарить тень и прохладу в жаркий день. goes here
Применение пергол
Пергола деревянная в классическом виде – это форма архитектуры для сада малых размеров (МАФ), которая делается с целью создания тени и выступает опорой для вьющихся растений, как правило, для винограда. Она состоит из столбов, расположенных в два ряда. Под них делают фундамент либо устанавливают напрямую в основание участка. Свободное пространство между опорами заполняется по желанию хозяев. В качестве крыши выступают доски, брусья, соединенные между собой.

Кроме того, пергола, возведенная своими руками, решит такие проблемы:
- Создает на даче дополнительное место для отдыха.
- Разделяем территорию сада на зоны или соединяет отдельные его части.
- Служит отличной площадкой для роста вьющихся растений.
- Сооруженная по интересному, уникальному проекту, она становится дизайнерской изюминкой участка.

Конструкция перголы
Пергола представляет собой полуоткрытую беседку с окнами и стенами, которые частично или полностью заполняют сооружение с нескольких сторон. Причем сами стены выполнены в виде обрешетки. Поэтому соответствующая конструкция служит укрытием только в теплое время года. Целевая аудитория задается вопросом, как сделать перголу своими руками, чтобы ею можно было пользоваться не только летом?








Ответ кроется в комплексной модернизации:
- Покрытие стропильной фермы тентом или еврошифером;
- Отделка стен т.н. гибкими окнами или сайдингом;
- Монтаж окон в открытые оконные проемы;
- Установка печи внутри сооружения.














И все-таки тематическое укрытие больше подходит для летнего отдыха. Причем этому отдыху не будет мешать ни дождь, ни зной. Все дело в том, что пергола располагает кровлей-решеткой, которую можно покрыть тентом или брезентом. Большую нагрузку такое покрытие на конструкцию не оказывает, т.к. пергола своими руками располагает несущим каркасам – вертикальными столбами, которые обшиваются обрешеткой и кровельной фермой.








Берсо
Вариант для самого масштабного сада, буквально парка на частной территории – берсо. Эта старинная малая архитектурная форма пришла к нам из Франции XVII века, где с помощью каркаса и стрижек из деревьев создавали протяженные коридоры, в которых и стена и крыша были из ветвей. Ажурные элементы самого каркаса делали берсо декоративным и в холодное время года.
Конечно, на дачном участке такой элемент будет смотреться массивно и отберет все свободное пространство, поэтому лучше заменить его перголой или аркой. А вот в огромном саду можно высадить в 2 ряда несколько ив и установить высокие металлические дуги, вокруг которых сформировать берсо. Правда, вам потребуется как минимум 7 лет и опыт в художественной стрижке деревьев, но вы сможете смело сказать, что такое только у вас и в Верхних садах Петергофа.
Процесс работы

Конструкция перголы
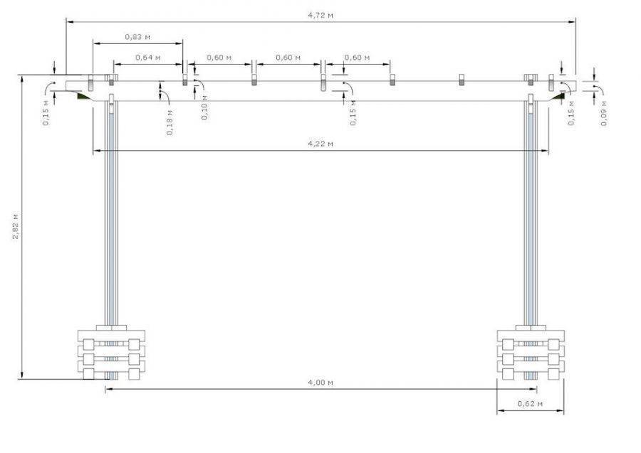
Ниже представлен поэтапный процесс самостоятельного изготовления навеса из дерева:
1
Почва под сооружение на территории тщательно разравнивается
2
С помощью колышек из дерева отмечаются разметка под опоры, а промежутки между ними измеряются. Длина между опорами по длинным бокам должна быть 1 м
3
При создании своеобразных жалюзи для поперечных перекладин кровли используются широкие доски, которые ставятся на край с направлением «запад-восток». Такое расположение будет давать возможность солнечным лучам в утреннее и вечернее время освещать перголу изнутри. В дневное время в конструкции будет создаваться затемнение

Ставят трубы-стойки и выравнивают при помощи уровня
4
Под опоры выкапываются ямы, которые по ширине должны быть больше как минимум на 20 см. Их глубина зависит от того, насколько конструкция будет высокая и тяжелая, т.е. чем выше пергола, тем глубже углубление под опоры
5
Основание ямы разравнивается, уплотняется и засыпается щебенкой приблизительно на 10 см
6
Опорные столбы ставятся в вертикальном положении и бетонируются
Для большей прочности конструкции при установке опор используют металлические стаканы. Это обрезки труб. Их диаметр должен быть больше. Они помещаются в ямы в вертикальном положении и снаружи бетонируются. После застывания бетона сюда вставляются столбы, временно укрепляются и все пространство заливается бетоном. Когда все застынет, временные крепления убираются.
7
По завершении работы с опорами производится сборка горизонтальных перекладин. В них подготавливаются углубления, по размеру равным опорным столбам. После сборки столбов с углублениями, горизонтальные перекладины должны выпирать на 10 мм для создания выступа
Промежуток от пропиленных углублений до края горизонтальных перекладин и до верха опорных столбов должен быть одинаковым. Для крепления перекладин делаются сквозные отверстия и используются болты необходимой величины.
На стойках пропиливать углубления можно максимум на половину их толщины, на перекладинах – не более 1/3. На концах стоек и перекладин можно делать наклонные спиливания или заострить их. Все детали тщательно обрабатываются и отшлифовываются.

Бетонируемая основа опоры
8
По завершении работ с горизонтальными перекладинами получаются 2 арки. Их необходимо скрепить. Для этого доски кровли устанавливают на ребро. Промежуток между ними должен быть приблизительно равным удвоенной ширине доски. Далее выпиливаются углубления (≈1/3 ширины доски) и насаживаются на перекладины.
Края досок спиливают по диагонали или оформляют фигурными вырезами. Они должны выступать с двух сторон на равную длину. Для крепления используют саморезы и гвозди, которые вбиваются наискосок
При покрытии в дальнейшем кровли керамической черепицей необходимо выбирать прочные стропилины и каркас, чтобы могли выдержать тяжесть керамики. Черепица укладывается под уклоном (угол 40).
9
В завершение строительства вверху и внизу прикрепляют поперечные доски к боковым столбам. Затем устанавливают шпалеры или выполняют решетку. Расстояние установки перекладин от верхних балок и поверхности земли будет зависеть от размера и формы решетки или шпалера.
При установке решетки, для ее вертикальных подпорок, необходимо заранее подготовить углубления, или же применяют бруски (40х40 мм) и крепят саморезами
Готовую перголу необходимо покрасить или покрыть лаком. Это защитит дерево от неблагоприятных условий внешней среды.
Как сделать детский домик своими руками: из дерева и других материалов. Чертежи с размерами | (80 Фото Идей & Видео)
Из термодерева
Один из лучших вариантов конструкции — пергола из термодерева. Этот материал получил в последнее время широкую популярность, так как отличается своей 100% натуральностью и безопасностью для здоровья человека. Это модифицированная древесина, которая была термически обработана горячим паром. При её производстве не применяются никакие химпрепараты. Её преимущества:
- устойчивость к механическим повреждениям;
- отсутствие деформаций в процессе эксплуатации (конструкция прослужит очень долго);
- высокая сопротивляемость биологическому воздействию: грибку, плесени, вредителям, гниению;
- экологическая безопасность;
- отличные декоративные свойства;
- влагонепроницаемость.
Уж если вы потратились на термодерево, есть смысл сделать перголу более прочной. Поэтому предлагаем вашему вниманию схему простой конструкции (как в самом начале), но поставленной уже на фундамент.
Пошаговая инструкция
1. Фундамент:
- разметить местность;
- выкопать в углах ямки (диаметр — 40 см, глубина — на 15 см ниже уровня промерзания грунта);
- засыпать гравием (толщина — не менее 10 см), тщательно утрамбовать;
- вставить опалубку;
- заполнить формы бетоном, установив в него регулируемые анкера, оставить на 48 часов.
2. Выравнивание опор:
- установить деревянные стойки в идеально вертикальном состоянии;
- зафиксировать в двух направлениях;
- закрепить в анкерах глухарями.
3. Зафиксировать стойки металлическими анкерами:
4. Воспользоваться одним из вариантов крепления стоек:
5. Установить опорные балки:
- выровнять по горизонтали;
- зафиксировать струбцинами;
- просверлить сквозные отверстия через балки и стойку;
- вставить болты, затянуть гайки;
- балки должны немного выступать за периметр постройки;
- для улучшения декоративных свойств лобзиком придать концам балок округлую форму.
6. Закрепить балки и установить поперечные:
- выровнять балки, чтобы строение смотрелось ровно и аккуратно;
- на концах каждой поперечной балки сделать по 2 выреза;
- просверлить направляющие отверстия;
- зафиксировать балки саморезами.
7. Убедиться, что балки легли ровно:
8. Закрепить поперечные балки:
- нанести разметку;
- сделать в доске пропилы;
- удалить стамеской древесину между пропилами.
9. Установить перпендикулярные (фиксирующие) перекладины через каждые 60 см:
- сделать выемки;
- просверлить направляющие отверстия;
- зафиксировать перекладины саморезами.
10. Завершение работы:
- заполнить отверстия и трещины шпатлевкой по дереву;
- отшлифовать поверхности наждачкой средней зернистости;
- нанести 2 слоя лака.
Обустраиваем перголу на приусадебной территории
При наличии качественной схемы строительства и при использовании качественных материалов, с работой по обустройству на приусадебном участке деревянной перголы справится каждый домовладелец. Мы лишь рекомендуем вам использовать дерево и кованые элементы для украшения, что и позволит всю работу провести самостоятельно, возведя красивую и комфортную в использовании перголу.
Выбираем место для строительства
В первую очередь вам необходимо определиться с местом, где будет возведена арочная конструкция. Вам нужно будет учитывать практическое и эстетическое значение такого строения. В том случае, если площадь приусадебного участка превышает 10 соток, а придомовая территория разбита на функциональные зоны, то наилучшим местом расположения возводимой открытой арки станет именно зона отдыха. Владельцам небольших по площади дачных участков можем порекомендовать построить перголу в виде пристройки к основному строению. Это позволит одновременно сэкономить площадь на участке, и при этом вы нисколько не потеряете в функциональности такого сооружения.
Качественный чертеж — основа строительства
Любой опытный строитель подтвердит вам, что даже самую простую беседку или перголу строить необходимо исключительно по качественному проекту. Именно наличие на руках правильно выполненного чертежа станет залогом возведения надежной, долговечной и привлекательной арки-перголы. Подобрать такие проекты можно как в интернете, так и выполнить их самостоятельно. При желании вы также можете обратиться в соответствующие специализированные компании, предлагающие услуги по разработке проектной документации к частному строительству. В таком случае за дизайн и всю конструкцию строения будут отвечать профессиональные архитекторы.
Выбор того или иного проекта строительства будет напрямую зависеть от используемого вами материала. В то же время отметим, что в последние годы популярностью стали пользоваться легкие ажурные конструкции, выполненные из комбинированных материалов, в том числе с применением металлоконструкций, натурального дерева, пластика и стекла.
Основные правила строительства
Существует ряд правил, которые необходимо соблюдать при создании пергол любого вида:
Технология построения перголы
Прежде чем строить сооружение, нужно выбрать наиболее подходящее для этого место. В идеале ее следует разместить возле барбекю или любого другого места для отдыха. Весьма неплохо они смотрятся возле различных водоемов. После этого нужно набросать план построения и высчитать необходимое количество материалов.
Наиболее часто дачники изготавливают перголы для винограда размером 2.5 м *1.5 м.
Если для стройки будет использоваться древесина, то ее нужно предварительно обработать специальным раствором, который предотвратит прямое соприкосновение материала с землей и таким образом продлит ему жизнь. Помимо этого желательно сбрызнуть дерево спреем для защиты от насекомых.
Далее возведение сооружения выполняется по следующей схеме:
- В земле вырываются глубокие ямы и в них вкапываются толстые деревянные столбы.
- Между брусьями поперек прикрепляются еще брусья и перекладины.
- Вырывается яма для создания опоры. Ее размер будет напрямую зависеть от того, каких размеров изготовлена арка под виноград. Чем выше будет опора – тем глубже должна быть яма. При этом ширина ямы должна быть на 20 см больше, нежели опора.
- Дно ямы утрамбовывается.
- Устанавливается опора.
- Опора засыпается щебнем, а затем заливается бетоном.
- С помощью уровня проверяется, насколько ровно стоит опора. Выжидаются сутки для застывания цемента.
Некоторые специалисты рекомендуют поместить опоры в металлические стаканы, а затем погрузить их в фундамент из бетона. После того, как опоры начнут крепко стоять, можно начинать процесс монтажа сооружения. К опорам прикрепляются горизонтальные балки. Для этого можно использовать саморезы или гвозди.

Чтобы сооружение выглядело аккуратно, все балки на перголу нужно прикреплять на одинаковом расстоянии.
Балки, которые идут поперек, крепятся с помощью гвоздей. При этом гвозди нужно забивать немного косо, а не под углом в 90 градусов. В противном случае пергола будет шататься при любых порывах ветра.
В завершение к горизонтальным балкам крепятся шпалеры
При этом важно, чтобы последние не соприкасались с землей, так как-то может стать причиной гниения
Создание крыши и спинки сооружения
Крыша перголы внешне напоминает паутину, которая состоит из большого количества планок. К боковым частям сооружения прикрепляются полосы из металла, в то время как планками соединяются с лагами при помощи саморезов. Для того, чтобы в сооружении не было сквозняков, стенки перголы рекомендуется оббить тонкой деревянной спинкой. Она же и послужит спинкой для сидящих людей.

Пергола своими руками
Перед монтажом стены очень важно вмонтировать поперечные балки. Это сделает перголу максимально устойчивой. При желании для этого можно применить мебельные уголки
Поперечная балка размещаться несколько выше скамьи. Для того, чтобы стенка перголы выглядела необычно, можно сделать ее верхнюю часть оригинальной формы
При желании для этого можно применить мебельные уголки. Поперечная балка размещаться несколько выше скамьи. Для того, чтобы стенка перголы выглядела необычно, можно сделать ее верхнюю часть оригинальной формы.
Украшение сооружения
Для украшения перголы в нее можно повесить китайские трубочки. Они при каждом порыве ветра будут издавать приятный звон.

Таким образом отдыхающие смогут достигнуть максимального расслабления.
Возле входа в перголу можно поставить садовые фигуры. В идеале они должны сочетаться с дизайном сада и сооружения. Таким образом сооружение будет выглядеть более гармонично.
Особенности пристроенных к дому пергол
Садово-парковая пергола может быть выполнена не только отдельностоящей конструкцией, но и как пристройка в стене дома. В этом случае она будет играть роль легкого навеса или беседки. Пристроенная конструкция имеет свои особенности:
- Отсутствие одного ряда опорных столбов или колонн. В этой конструкции поддерживающую функцию выполняет прогон, который опирается на несущие балки обрешетки, а другая сторона крепится металлическими жесткими кронштейнами, прикрепленными к стене дома распорными анкерами.
- Установка несущего элемента балки непосредственно к стене анкерными болтами. Длина выступающего деревянного бруса подбирается по размеру перголы, а по высоте крепления подбираются по высоте оставшихся опорных стоек. Опорный брус крепится к стене болтами с расстоянием 500 мм друг от друга. Крайние крепления ставятся на расстоянии 400 мм от торцевой части бруса.
- Несущие балки прикрепляются к настенному брусу металлическими скобами. В том случае, когда конструкция крыши перголы будет наклонной, опорой прогон прикрепляют к стене выше отметки внешней балки, и тогда на верхнем крае прогона выполняется небольшой скос.
Следует помнить, что при установке перголы вдоль южной стороны дома, рекомендуется отступить от стены на расстояние 300 мм, а для кирпичной постройки эта дистанция увеличивается до 500 мм. Устройство такого зазора позволяет беспрепятственно перемещаться воздушным потокам, которые будут защищать растения от солнечного перегрева и охладят стены дома.
Каждый владелец дома мечтает создать свой приусадебный участок, сад или дачу уютным и неповторимым. Высаживаются фруктовые деревья, разбиваются цветочные клумбы и зеленые газоны, строятся искусственные водоемы и альпийские горки
Но особое внимание уделяется месту отдыха, зоны релакса, где можно укрыться от летнего зноя или пригласить друзей на пикник. Садовая пергола, увитая зелеными и цветущими растениями идеально подходит для создания такого чудесного места отдыха
Какие бывают
В давние времена перголы были не только на виноградниках. Подобные сооружения, только больших масштабов, делали во дворах для защиты от палящего солнца. Под ними проводили самые знойные полуденные часы. Это были, скорее навесы, одна часть которых опиралась на стену. Конструкция их осталась той же, изменились материалы: теперь пергола может быть не только деревянной, но и металлической, бетонной и даже пластиковой.
Навес-пергола возле дома из винограда — плотная тень даже в полдень
Кроме того, что это полезное сооружение — поддержка виноградных лоз и создание тени — это еще и красиво. Это оценили архитекторы. Постепенно перголы перекочевали в сады знати. Только там они имели более изысканную форму, использовались дорогие материалы вплоть до мраморных колонн, балки делали вычурных форм. Вился по ним не только и не столько виноград, сколько декоративные растения, розы, вьюнки и лианы.
Это тоже пергола, но вид и оформление совершенной другие, хотя принцип построения тот же
Делают ее и в виде галереи, закрывающей от солнца на всем пути от одной постройки к другой. Эти аркады служат опорой для многолетних лиан, вьющихся видов роз. Там где они не выживают из-за сурового климата, использовать можно однолетние вьюнки, они не менее декоративны, период цветения можно подобрать так, чтобы цветение продолжалось весь теплый сезон.
61cae564b3a03305b2939554a9038582.jpe 1614fb33a46a424dbbdd5efcbeb94f87.jpe bdfa7ea952ac3923568fd510969f3aa9.jpe
Целая галерея из арок может закрывать дорожку от одного здания к другому или к месту отдыха
В современном понимании это скорее навес или открытая летняя беседка, у которой вместо крыши сеть из балок, по которым вьются растения.
Бетонные перголы требуют тщательного расчета
И это — тоже. Это уже больше походе на летнюю беседку для приятного времяпровождения
Нестандартная конструкция. Тем не менее это тоже разновидность перголы
Так при помощи перголы можно оформить вход в дом — это навес, который и без растений смотрится неплохо, а когда они вырастут будет еще уютнее
Видоизмененной перголой является и арка, на которую опираются цветы или виноград. Если мы говорим, «арка», то чаще всего имеем в виду изделие из металла, причем со скругленной верхней частью.
Арка для винограда — это тоже пергола, только с измененной формой верхней части
Арка под вьющуюся розу — та же пергола. Но масса розы меньше, чем виноградной лозы и ее под нее еще делают деревянные конструкции
Повесить сверху вазоны с ампельными растениями — и арка стает еще более нарядной
Мощные колонны обвили лианы — заповедный сад
Цветущая жимолость на арке-перголе
Об основах и правилах ландшафтного дизайна читайте тут.
























![[инструкция] пергола: обустройство своими руками | 80 фото](https://dpkgroup.ru/wp-content/uploads/6/2/8/6280cb301554544243bb9ee9feea230f.jpeg)












