Популярные модели и линейки
Перед нами газовый парапетный котёл с закрытой камерой сгорания. Тепловая мощность модели составляет 10 кВт, этого достаточно для обогрева помещений площадью до 100 кв. м. Несмотря на отсутствие сложной электроники, КПД оборудования достигает 90% — приличный показатель для энергонезависимой модели. Первичный теплообменник в данном аппарате выполнен из стали, теплообменник горячего водоснабжения – из меди. Производительность контура ГВС не очень высокая – всего 3,8 л/мин, на одного потребителя.
Котёл Атон Compact 10EB получился довольно экономичным. В режиме максимальной мощности он потребляет до 1,12 куб. м/час. Питание осуществляется только от газовой магистрали, переключения на сжиженный газ не предусмотрено. Модель предназначена для эксплуатации в составе открытых систем отопления с давлением в контуре до 1 атм. Давление в контуре ГВС может достигать 6 атм. Подключение выполняется слева или справа по выбору потребителя.
Атон Compact 7У
Данная модель является самой младшей во всей линейке. Мощность агрегата составляет 7 кВт, обогреваемая площадь – до 70 кв. м. От своих собратьев по модельной линейке он отличается уменьшенными по всем плоскостям габаритами. Котёл выполнен по одноконтурной схеме, для его питания используется газовая магистраль – это справедливо для всей линейки. Расход составляет до 0,78 куб. м/час. Сфера применения – обогрев небольших частных домовладений и дачных домиков.
Максимальная мощность газовых котлов в линейке Атон Compact составляет 16 кВт – в серии представлены одноконтурные и двухконтурные модели.
Эта серия включает в себя газовые котлы, оснащённые открытыми камерами сгорания. Они подключаются к традиционным дымоходам, выходящим на высокие крыши. Линейка включает в себя модели с одним и двумя контурами, тепловая мощность варьируется от 8 до 25 кВт. За поддержание заданных режимов работы отвечают итальянские механические узлы автоматики.
Газовые котлы Атон Atmo отличаются тихой работой – в них отсутствуют электрические узлы, а сгорание топлива производится на бесшумной горелке. Розжиг осуществляется с помощью небольшого запальника, горящего на постоянной основе.Пользователям достаточно проверить уровень теплоносителя в системе, включить подачу газа, щёлкнуть кнопкой для розжига запальника и выставить требуемую температуру в том или ином контуре.
Первичные теплообменники в газовых котлах Атон Atmo изготовлены из стали, вторичные – из стойкой к коррозии меди. КПД составляет до 90%, температура теплоносителя варьируется от +50 до +90 градусов. Работа в составе систем с принудительной циркуляцией не допускается – максимальное давление в контуре отопления не должно превышать 1 атм. Максимальная производительность контуров ГВС составляет 5 л/мин при ∆t=35 градусов.
Также в производстве представлена линейка газовых котлов Атон Atmo 30-50 с увеличенной мощностью и двумя контурами.
Представленные в линейке газовые котлы могут работать в системах с естественной и принудительной циркуляцией. Их мощность варьируется от 20 до 80 кВт. Сфера применения – обогрев жилых и нежилых помещений и зданий площадью до 800 кв. м. Все модели в линейке одноконтурные, температура прогрева теплоносителя составляет до +95 градусов. Показатель КПД – до 91%. Для работы оборудования требуется подключение к электросети, потребляемая мощность – не более 20 Вт/час.
Эта продвинутая линейка от производителя Атон (торговая марка INTERGAS) представлена газовыми конденсационными котлами. Мощность моделей варьируется от 24 до 46 кВт. Особенности модельного ряда:
- Электронное управление.
- Настенный монтаж.
- Широкий диапазон регулировки мощности.
- Принудительный отвод продуктов сгорания.
- Необходимость в отводе конденсата.
- Повышенный показатель КПД (до 10-15% экономии на потреблении газового топлива).
Оборудование предназначено для работы в замкнутых отопительных системах. Потребление электроэнергии составляет 105-190 Вт/час, в зависимости от мощности газового котла.
Котлы газовые
Для отопления частных домов, общественных, производственных и хозяйственных объектов очень часто используют газовые котлы. У них есть еще одно предназначение — подогрев воды для технических нужд. Производителей такого оборудования достаточно много — как зарубежных, так и отечественных. Свою нишу на рынке занимают газовые котлы атон. Хотя есть немало и других торговых марок, выпускающих подобную продукцию.
В качестве топлива для котлов используется природный газ. Во многих регионах он предпочтительнее твердых видов топлива из-за его экономичности, доступности и сравнительной дешевизны.
Парапетные котлы Атон/ ATON (Украина)
Парапетные котлы Атон/ATON
Парапетный котел ATON Compact 7Е (mini)
Парапетный котел ATON Compact 7EB
Парапетный котел ATON Compact 10Е
Парапетный котел ATON Compact 10ЕВ
Парапетный котел ATON Compact 12,5Е
Парапетный котел ATON Compact 12,5ЕВ
Парапетный котел ATON Compact 16Е
Парапетный котел ATON Compact 16ЕВ
Торговый бренд «ATON» был основан в 2003 году, и относится ко всей теплотехнической продукции «АТОНМАШ» Красиловского завода , который находится в Хмельницкой области в Украине. Предприятие начинал свой путь с 30-х годов прошлого столетия как сахарный трест, который к 70-ым годам уже перерос в крупный машиностроительный гигант. В настоящее время завод изготавливает доступное и качественное по стоимости отопительное оборудование широкого диапазона, среди которого промышленные и бытовые котлы любой конфигурации, конвекторы, колонки и даже котельные.
Конструкция котлов Атон позволяет использовать их в системах отопления с естественной циркуляцией (в помещениях, не оборудованных дымоходами). Отвод продуктов сгорания и забор воздуха для горения осуществляется с помощью специального горизонтального двухтрубного дымовоздухоотвода через внешнюю стену здания.
котлов ATON Compact
Изготавливаются устройствах в одно- и двухконтурных версиях. Лля нагрева воды на хозяйственные необходимости в двухконтурных котлах применяются трубчатый проточный змеевик-водонагреватель из меди (металл с высоким коэффициентом теплопроводности). Главное преимущество котлов является универсальность их установки, что обеспечивает дополнительный комфорт и удобство при проведении проектно-монтажных работ.
Котлы не зависят от электроэнергии, устанавливаются возле внешней стены.
Изготавливаются в одно- и двухконтурных версиях. В двухконтурных котлах для подогрева воды на хозяйственные нужды используется трубчатый проточный змеевик-водонагреватель из меди (металла с высоким коэффициентом теплопроводности).
Заказать оборудование вы можете по указанному телефону или оставить заявку на нашем сайте и с вами обязательно свяжутся наши специалисты.
Котлы ATON:
АОГВМН -7АОГВМН -7ВАОГВМН -10АОГВМН -10ВАОГВМН -12,5АОГВМН -12,5ВАОГВМН -16АОГВМН -16В
Устройства с одним и двумя контурами
Производятся парапетные котлы в стандартной прямоугольной форме, одно- и двухконтурные, лево- и правосторонние, что делает их монтаж нетрудным и удобным.
Одноконтурные предназначены лишь для отопления. Они оснащены пластинчатым теплообменником, что обеспечивает скорость теплообмена между пламенем газовой горелки и теплоносителем.
В двухконтурном парапетном котле предусмотрен дополнительный медный змеевик, который и обеспечивает дом горячим водоснабжением. Нагрев воды происходит только проточным способом. Если применить накопительную ёмкость, то существенно увеличатся размеры оборудования, что сделает невозможной его установку в обыкновенной квартире.
Критерии выбора газовых котлов
Когда решение об установке теплового оборудования принято в пользу настенного газового котла — самое время подробней ознакомиться с основными критериями выбора.
Мощность теплового газового оборудования рассчитывается исходя из площади жилого помещения. При этом учитывается количество стен, высота потолков, размеры окон, количество выходов, климатическая зона, роза ветров.
В качестве исходных данных возьмем следующие нормативы: для обогрева помещения площадью 10 м2, расположенного в средней полосе, необходимо затратить 1 кВт тепловой энергии.
Для учета климатической зоны используем коэффициенты:
| Климатическая зона | Коэффициент | 
| Северо-запад | 1,5-2,0 | 
| Подмосковье | 1,2-1,5 | 
| Средняя полоса | 1,0-1,2 | 
| Южные регионы | 0,7-0,9 | 
Если в планах использовать котел не только на обогрев помещения, но и на нагрев воды — необходимо добавить еще 20-25 %.
В морозы потребление энергии может увеличиваться, поэтому добавляем еще 10 %.
При работе оборудования на полную мощность срок его эксплуатации сокращается, поэтому берем запас в размере 20%.
В качестве примера рассчитаем необходимую мощность для нагрева воды и отопления жилого дома площадью 77 м2, с высотой потолков 2,65 м, расположенного в северо-западном регионе.
- Рассчитаем мощность по площади: 77 м2/10 м2=7,7 кВт.
- Учтем поправочный коэффициент для региона: 7,7×1,5 = 11,5 кВт.
- Для нагрева воды добавим 25%: 11,5+2,87=14,37 кВт.
- Учтем повышение потребления в холода (10%): 14,37+1,43=15,8 кВт.
- Добавим запас мощности (20%): 15,8+3,16=18,96 кВт.
После округления получаем необходимую мощность теплового оборудования 19 кВт.
Котлы бывают 1 и 2 контурные.
Одноконтурные котлы устанавливают для обогрева. Если со временем возникает необходимость нагрева воды — можно присоединить к котлу бойлер, но следует учитывать, что нагрузка на теплоноситель возрастет.
Двухконтурные газовые котлы помимо обогрева обеспечивают горячей водой.
Сделать использование газового оборудования комфортнее, а так же позаботиться о безопасности и сэкономить средства поможет встроенный автоматический режим управления. Он позволяет настроить работу котла таким образом, что при отсутствии жильцов он будет функционировать с минимальными энергетическими затратами, а за некоторое время до их возвращения вернётся к стандартному режиму.
Самый простой вариант — управление одной кнопкой. Усовершенствованные модели обладают несколькими режимами регулирования мощности. Продвинутые аппараты оснащены модулятором, который регулирует работу горелок в зависимости от заданной температуры и расхода воды.
Система защиты предупреждает все неполадки во время работы настенного газового котла: при скачках напряжения или отключении электроэнергии гасит пламя горелки и прекращает подачу газа. При поломках выводит информацию на дисплей.
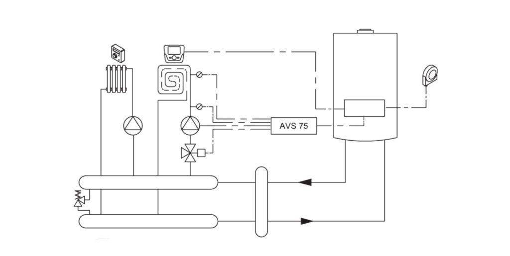
Котел газовый Атон парапетный АОГВМНЕ-7Е/7ЕВ
 
Быстрое приготовление горячей воды обеспечивает медный змеевик-нагреватель контура ГВС.
Котел ATON Compact имеет экономный расход газа и компактные размеры.
Понятное управление и контроль, датчик температуры;
Пьезорозжиг и низкая шумовая мощность;
Работа в условиях естественной циркуляции теплоносителя;
Технические характеристики:
- Производитель «Завод АТОНМАШ»
- Тепловая мощность (макс.) 7 кВт.
- КПД 90 %
- Макс. выход горячей воды (при dt=35 °С) 168 л/час. (для двухконтурного)
- Количество контуров котла Одно или двухконтурный
- Автоматика подачи газа Sit (Евросит, Италия)
- Расход газа (макс. в непрерывном режиме) 0,9 м3/час.
- Обогреваемая площадь (ориентировочно) 70 м2.
- Максимальное давление в системе отопления 0,2 МПа.
- Номинальное давление газа 1300 Па.
- Материал теплообменника Сталь
- Подключение к системе горячего водоснабжения ДУ 15 мм.
- Габаритные размеры В*Ш*Г 650 * 420 * 245
- Температура подачи 50 — 90 °С.
- Подключение газа ДУ 15 мм. (справа)
- Масса котла 30.5кг (1-конт.) / 41.5кг (2-конт.)
- Выброс дымовых газов через коаксиальную трубу в стену
- Выход дымохода из котла назад (через стену)
- Тип котла парапетный
- Подключение подачи и обратки ДУ 40 мм. (слева и справа)
Внутренний вид парапетного котла ATON Compact 7кВт:
 
Назначение газового парапетного котла ATON Compact 7 кВт:
Котел с герметической камерой сгорания, в котором забор воздуха для горения и отвод продуктов сгорания газа осуществляется через внешнюю стену дома, предназначен для теплоснабжения и горячего водоснабжения индивидуальных жилых домов, квартир, сооружений коммунального и другого назначения, оборудованный системой водяного отопления с рабочим давлением указанным в таблице, с естественной (за счет разницы плотности холодной и горячей воды) циркуляцией, системой горячего водоснабжения, и снабженный природным газом низкого давления
Исполнения котла отличается в зависимости от номинальной тепловой мощности, варианта исполнения и наличия контура горячего водоснабжения. Исполнение котла указывается в табличке, которая прикреплена к боковой поверхности котла и на упаковке.
Котел предназначен для работы в системах отопления, в которых в качестве теплоносителя применяется вода с минимальным содержанием минеральных веществ. Может применяться талая или дистиллированная вода с характеристиками питательной воды.
Наглядная схема бытового парапетного котла ATON Compact АОГВ-7ЕВ:
 
ЗАПРЕЩАЕТСЯ отвод продуктов сгорания:
• в подъезды, крытые переходы;
• закрытые балконы, лоджии, эркеры;
• если расстояние между краем патрубка отвода продуктов сгорания и элементами фасада здания меньше значений указанных в таблице 3.
Установка газового котла ATON Compact 7Е / 7ЕВ:
Стена дома, возле которой устанавливается котел, должна быть из негорючего материала и без огнеопасного покрытия, как минимум, в пределах проекции котла на стену.
Допускается расположение котла номинальной мощностью 7 кВт в подоконной нише, при условии, что расстояние по вертикали от верхней плоскости котла к верхней плоскости ниши или нижней плоскости подоконника, выполненного из негорючих материалов или изолированного негорючими материалами, не меньше 120 мм.
При невозможности соблюдения наклонов или при большом гидравлическом сопротивлении (большая длина ветви системы отопления, использования старой засоренной системы), рекомендуется использовать циркуляционный насос.
Подключение котла к системе с принудительной циркуляцией теплоносителя, с рабочим давлением, указанным в таблице 1 п. 9, выполняется согласно с проектом, разработанного специализированной организацией. Насос устанавливается после котла и расширительного бака.
Котел должен быть установлен в кухнях, или в нежилых (неслужебных) помещениях возле внешних стен дома. Минимально допустимые расстояния от элементов фасада дома к краю патрубка отвода продуктов сгорания следует принимать согласно с таблицей 3.
Руководство по эксплуатации газового парапетного котла ATON Compact АОГВ 7 кВт:
 
Заказывайте стальной парапетный котел ATON Compact 7Е / 7ЕВ газовый по тел. 095-544-30-12 или по кнопке «Купить» или «В корзину«
Требования к системе отопления
Прежде, чем с нуля заниматься монтажом оборудования для отопления, необходимо иметь на руках полный пакет документов, включающий план с системой распределения, а также соответствующими инженерными расчетами.

Если у вас уже имелся, допустим, одноконтурный котел, то практически не составит никого труда заменить его на такой же конденсаторный вариант, только двухконтурный.
Может возникнуть такая ситуация, что вы полностью захотите заменить систему отопления, с обычной на конденсационную. Для этого, разумеется, потребуются дополнительные материальные вложения. Основные расходы возьмет на себя сам конденсатник. Однако, монтаж и установка уже не будут такими затратными.
При смене системы отопления на рассматриваемый вариант, может потребоваться замена дымохода. Ведь специфика отработанных газов данного котла такова, что они обязательно должны отводиться через трубы из определенного материала изготовления.
Для того, чтобы избежать лишних трат, можно модернизировать имеющийся вариант дымохода, применив гильзование одно стенной трубой из нержавейки, а также отвода из пластиковой трубы.
Образование конденсата
Отмечается, что при работе конденсационного устройства мощностью 24 кВт, включенном на низкотемпературный режим, имеющем нагрузку 50%, оно дает около 40 литров конденсата в сутки.
Утилизировать кислоту из конденсата прямо в почву не разрешается, так как может образоваться «мертвое пятно». Конденсат низкой концентрации возможно сливать в канализацию, при этом разбавляя примерно 10:1 или 25:1.
Если в доме имеется автономная канализация, а также котел, работающий в полную мощь, то рекомендуют проводит процедуру нейтрализации. Для этого жидкость пропускают через специальный резервуар, заполненный мраморной крошкой. И только после этого сливают.
Требования к дымоходу
Для отвода отработанных веществ вместе с данными отопительными устройствами используются дымоходы облегченных конструкций или коаксиальные (труба внутри трубы).
Подобная дымоходная конструкция, одновременно с выводом дыма, засасывает воздух с улицы. Это позволяет агрегату не забирать чистый воздух из помещения, что одновременно повышает КПД.
Монтаж дымохода производится под небольшим углом наклона для того, чтобы избежать попадания кислотных соединений внутрь котла.
Один или два контура: особенности выбора (видео)
Обычно газовый котел выбирают в тех случаях, когда есть подключение к источнику поставки природного газа. Такой котел достаточно экономичен в эксплуатации и при этом автоматизирован.
Первый вопрос, который следует рассмотреть – одно- или двухконтурный котел выбрать?
Разница между этими двумя типами котлов заключается в наличии или отсутствии теплообменника. Этот элемент отвечает за нагрев воды не только для системы отопления, но и горячего водоснабжения. Теплообменник присутствует только в двухконтурном котле. В одноконтурном его нет, а значит, он способен отвечать только за систему отопления.
Если же использовать одноконтурный котел для горячего водоснабжения , необходимо задействовать бойлер. Для него потребуется приобрести дополнительные узлы. Если же одноконтурный котел является напольным, потребуется приобрести расширительный бак, предохранительный клапан и циркуляционный насос. Это в свою очередь значит, что Вам придется подыскать дополнительное место под установку всего этого оборудования.
В итоге вся это конструкция занимает немало места и требует отдельного помещения. Можно приобрести котел со встроенным бойлером – это хотя бы позволит разместить его на кухне . В любом случае возни при установке этого котла куда больше, чем с двухконтурным.
По сравнению со своим громоздким собратом двухконтурный котел – просто воплощение изящества — этот небольшой шкафчик со встроенным дополнительным оборудованием занимает куда меньше места, располагаясь на стене.
Лучше всего двухконтурный котел устраивается там, где находится наиболее близкая точка к месту забора воды. Идеальное расположение важных элементов при этом выглядит так: ванна находится рядом с кухней, а воду забирает только один человек. Таким образом, вода быстрее дойдет до крана, и ее расход существенно уменьшится.
В том случае, когда ванна все же далековато от кухни, котел рекомендуется устанавливать на кухне, поскольку горячую воду все же чаще забирают там. В таком случае горячую воду в кране не придется ждать слишком долго. Зато если между смесителем и котлом расстояние превышает семь метров, приходится хорошенько ее подождать. Часто в случае, когда в доме две или более ванных комнат, дополнительно устанавливают бойлер, чтобы обеспечить дом горячей водой в достатке.
Самые популярные производители
Одним из самых востребованных аппаратов считается котел «Атон» парапетный. Этот производитель уже давно существует на рынке отопительного оборудования. Он выпускает разные котлы, которые, согласно отзывам потребителей, отличаются высокой эффективностью и работоспособностью, длительностью службы, небольшими размерами и наличием дополнительных функций.
Спросом пользуются и такие агрегаты, как «Атем». Этот изготовитель тоже давно существует на рынке
Важной характеристикой устройства является достаточно высокий КПД – 92% и больше. Покупатели говорят, что в управлении аппарат очень простой с удобным интерфейсом
Также котел радует владельцев красивым дизайном
Также котел радует владельцев красивым дизайном.
 
Часто в магазинах можно встретить парапетный котел «Данко». По словам покупателей, его главным преимуществом считается энергонезависимость. Благодаря новой конструкции теплообменника появляется возможность экономить полезное пространство.
Высокую эффективность и технологичность демонстрируют аппараты марки «Сеньор Дюваль». Это сравнительно новый производитель, однако его продукция уже доказала свое качество, о чем говорят довольные владельца таких устройств.
На чем можно экономить при использовании газового котла
Грамотный монтаж
Эксперты также сходятся во мнении, что эффективная, надежная и экономная работа котла возможна только при правильной организации не только монтажа самого котла, но и всей отопительной системы
Кроме того, важно учесть все меры, предупреждающие выход оборудования из строя, поскольку ремонт, сервисное обслуживание газовых котлов – это тоже значительные материальные расходы, которые в свою очередь тоже можно сократить, своевременно обращаясь в сервисный центр газовых котлов, а также оформив договор на обслуживание газового котла
Выбор газового котла
Средством экономии является и сам выбор котла
Дешевый, подороже, с автоматикой или без, на чем можно выиграть в самом начале и в последующей эксплуатации – все это важно учесть и просчитать. Ярким примером неоднозначности расчета экономии на отоплении может стать приобретение котла типа АГВ (аппарат газовый водонагревательный), под которым подразумевается самый дешевый вид котла старого, советского, образца с примитивной автоматикой. Стандартно газовый котел АГВ имеет очень низкую цену, но и низкий КПД, зато не нуждаются в электричестве
Только точный просчет поможет определить степень экономии при использовании данного прибора. Про отечественные газовые котлы можно прочитать в нашей статье «Газовые котлы российского производства: разновидности и свойства»
Стандартно газовый котел АГВ имеет очень низкую цену, но и низкий КПД, зато не нуждаются в электричестве. Только точный просчет поможет определить степень экономии при использовании данного прибора. Про отечественные газовые котлы можно прочитать в нашей статье «Газовые котлы российского производства: разновидности и свойства» .
Важно также определиться с потенциальными проблемами тех или иных котлов при выборе оптимальной модели. Например, газовый котел МОРА неисправности будет терпеть постоянно вплоть до выхода из строя в условиях нестабильности электрического напряжения, при малейших ошибках настройки и недостатке воды в системе. А на газовый котел Мастер Газ Сеул отзывы на первый взгляд, противоречивые, однако они дают информацию об уязвимых местах данной модели – накапливание отходов горения в котле, что приводит к шумной работе вентилятора, течи и нестабильной температуре воды при подаче, при этом со своей основной функцией, обогревом, данная модель справляется исправно
А на газовый котел Мастер Газ Сеул отзывы на первый взгляд, противоречивые, однако они дают информацию об уязвимых местах данной модели – накапливание отходов горения в котле, что приводит к шумной работе вентилятора, течи и нестабильной температуре воды при подаче, при этом со своей основной функцией, обогревом, данная модель справляется исправно.
- Как залить воду в открытую и закрытую систему отопления?
- Популярный напольный газовый котел российского производства
- Как грамотно спустить воздух из радиатора отопления?
- Расширительный бачок для отопления закрытого типа: устройство и принцип действия
- Газовый двухконтурный настенный котёл Навьен: коды ошибок при неисправности
Рекомендуем к прочтению
Как грамотно рассчитать мощность газового котла? Что делать, если задувает газовый котел ветром? Как правильно произвести подсоединение газового котла к системе отопления? Монтаж газового котла: что надо знать?
2016–2017 — Ведущий портал по отоплению. Все права защищены и охраняются законом
Копирование материалов сайта запрещено. Любое нарушение авторских прав влечет за собой юридическую ответственность. Контакты
Суть процесса
Идея заключается в следующих постулатах:
- газ – неоднородный источник тепла, в своём составе он имеет и водяной пар;
- оказывается, при сжигании газа мы выбрасываем наружу не только продукты сгорания, но и этот самый пар;
- и возникает идея – а почему бы этот пар не конденсировать и получающуюся горячую воду тоже не использовать для нагрева теплоносителя в системе отопления.
Так и было сделано – на свет появились новейшие газовые отопительные котлы конденсационного типа. Котлы, так широко завоёвывающие популярность, что по статистике более 30% всех газовых котлов в Германии именно компенсационные.
Конденсационные газовые котлы отопления имеют очень много всевозможных модификаций, а, учитывая их популярность, модификации часто связаны и с дизайном корпусов таких котлов
Родившись в пору, когда на создаваемые в мире изделия стали предъявляться повышенные требования с точки зрения дизайна, конденсационные котлы разрабатываются с упором и на эту характеристику – все они страшно привлекательно выглядят.
Ну, а то, что скрывается внутри, благодаря такой «двойной очистке» газа и позволяет достичь реального расчётного КПД от 105 до 110%. Другими словами, конденсационные котлы, по сути процесса работы, являются двухконтурными.
Преимущества конденсационных котлов
Среди преимуществ бытовых газовых котлов отопления следующие:
у них максимальный КПД из всех возможных устройств аналогичного назначения – а, значит, вы имеете возможность уменьшить потребление газа при тех же калориях выработанной энергии; по статистике, потребление газа у конденсационных котлов на 15-20% меньше, чем у обычных;
гораздо больший диапазон регулировки температуры теплоносителя – такая регулировка возможна на всех котлах, но работающие с газом и «попутным» паром, имеют максимальный диапазон от 30 до 85 градусов (кстати, такой максимум, как правило, нет необходимости подавать в систему, обычная температура теплоносителя в отопительных системах не превышает и 40 градусов);
меньший выход вредных веществ в атмосферу – газовая смесь сгорает в гораздо большем объёме;
инновационная технология подстегивает и конструкторов, и технологов – все конденсационные котлы изготавливаются по самых передовым технологиям, что обеспечивает им гораздо больший срок службы при тех же нагрузках.
Не составляет труда подобрать конденсационный котёл, который прекрасно впишется в любой дизайн помещения
Из недостатков
Но надо отдавать себе отчёт, что такие котлы имеют и некоторые недостатки, больше житейского плана:
самое главное – они стоят минимум в два раза дороже обычных газовых котлов; и это на сегодняшний день – главный тормоз их массового использования;
во-вторых, такие агрегаты очень привередливы к материалу, из которого сделан дымоход – необходимо использовать только высококачественный пластик и керамику;
в-третьих, требует специального расчёта системы отопления под более низкие внутренние температуры (не выше 70 градусов) – это требование уже выдвигает необходимость конденсирования пара внутри;
в-четвёртых, требуется специальный водовод для вывода наружу, как правило, в канализацию, скопившейся внутри воды (обычно, не более 30 литров в день при постоянной работе котла); тут необходимо отметить, что в той же Германии существуют ограничения на вывод подобной воды в общую канализационную систему;
в-пятых, требует наличия опытного персонала для их установки и сопровождения.
Когда инновация содержания вдруг поддерживается и инновацией формы, то получается вот такая оригинальная конструкция, тоже вполне работоспособная, а главное, всё с тем же КПД под 110%
Несмотря на то, что эти котлы изначально разрабатывать как двухконтурные, существуют и одноконтурные модели. Но самое главное, разработано несколько модификаций конденсационных котлов в зависимости от места их установки.
Конденсационные агрегаты прекрасно вписываются в любую систему отопления, они «дружат» и со всем существующим контролирующим оборудованием и с бойлерами
Существует модификации:
- напольные – самые мощные и распространённые; мощность подобных котлов может составлять 100-120 кВатт;
- настенные газовые котлы отопления – очень изящно выглядящие аппараты с мощностью в 30-40 кВатт, чего часто с лихвой и хватает.
Чаще применяется более мощные напольные конденсационные котлы, обеспечивающие большие возможности контроля своей работы
Виды газовых котлов закрытого типа
Выбирая газовый котел, необходимо отталкиваться от того, какие задачи он должен выполнять, а также от размеров помещения. В зависимости от функциональных возможностей, мощности и габаритов отопительного устройства их разделяют на одноконтурные и двухконтурные.
Одноконтурные котлы закрытого типа выполняют только отопительную задачу. Из-за этого они имеют меньшую стоимость. Могут быть как настенного типа, так и напольного.
Двухконтурные котлы разделяются на устройства с раздельными конурами и с битермальным теплообменником, выполненным в виде змеевика. Внутри основной трубы размещается труба для ГВС. Вода в контурах течет в противоположных направлениях. Благодаря котлу с двумя контурами отпадает необходимость в покупке бойлера, т.к. его работа заключается не только в отоплении дома, и подаче горячей воды для бытовых нужд.
  Закрытый газовый котел двухконтурный
Закрытый газовый котел двухконтурный
Минусы некоторых моделей двухконтурных газовых котлов с закрытой камерой сгорания в том, что подача горячей воды зависит от давления в централизованном водопроводе. Чем напор слабее, тем меньше будет нагрев жидкости. Низкая температура будет и в том случае, если открыть сразу два крана, например, в ванной и кухне.
Помимо количества контуров котлы разделяются по способу монтажа на напольные и настенные. Отличие напольных и настенных устройств в способе их монтажа и размеров. Для напольных необходимо больше места, а может быть и отдельное помещение. Дополнительный вес котлу придает чугунный теплообменник, но он же и продлевает срок его службы до 25-30 лет. Большая мощность напольных моделей бывает излишней для отопления небольшой квартиры или одноэтажного дома, поэтому такие устройства рациональней устанавливать как минимум в двухэтажном строении.
Настенные агрегаты компактней, их размещение возможно даже в небольшой кухне или ванной комнате. Подвешенное на стену отопительное оборудование легко скрыть в кухонном гарнитуре, тем самым сделав его частью интерьера.




































