Виды устройства, которые можно создать самому
Котёл следует начинать строить с задумки. Первым этапом должен стать выбор вида создаваемого изделия. В ряде случаев можно подобрать вид по имеющимся деталям, по особенностям конфигурации оборудования, а также по личным потребностям создателя. Только после рассмотрения собственных возможностей, следует подбирать чертежи. В конечном результате следует выбрать котёл длительного горения по параметру направления сгорания топлива:
- Нижнее. Топливо поджигается снизу (таким способом работает большинство котлов).
- Верхнее. Топливо загорается вверху и постепенно сгорает к нижнему уровню.
Котлы с нижним направлением горения можно разделить на два вида:
- Традиционный. Подаваемые твердотопливные элементы возгораются и сжигаются в одном отделении. Выход дыма осуществляется с помощью стандартной трубы для вывода дыма.
- Шахтные. Здесь имеется две камеры. Одна служит для подачи топлива, а другая является теплообменником.
Также рассматривается несколько вариантов по способу сжигания. Котёл может иметь стандартную схему поглощения топлива. Здесь процесс осуществляется таким же способом, как и при стандартных обстоятельствах. Ярким примером является печь в частном доме. Котёл с пиролизным сжиганием имеет особую схему, которая подразумевает выделение древесного газа с последующим его воспламенением.
Немаловажным отличием является и теплообменник. Этот элемент изготавливается по особой технологии. Существует несколько способов решения вопроса с его созданием. Помимо особенностей теплообменника котёл для процесса горения может использовать уголь и дрова, или только один из представленных вариантов топлива. В этом случае следует заранее рассчитать резонность использования определённого топлива. От этого выбора будет зависеть конструкция самого изделия.
Определение с параметрами проекта
Точного определения данному понятию нет. Соответствующее оборудование появилось, как ответ на требования потребителей повысить уровень комфорта в процессе эксплуатации, увеличить выработку тепла в расчете на единицу использованных энергетических ресурсов.
Основным недостатком классических котлов является необходимость регулярного добавления топлива в топку. Сложности создают также следующие факторы:
- высокая интенсивность горения;
- сложность оперативной регулировки и контроля этого процесса;
- неполное использование тепла, которое удаляется вместе с дымом через систему вентиляции.

Для поддержания работы обычного котла лучше иметь рядом достаточный запас дров
Разные конструкции
Для решения отмеченных выше задач используют различные решения. Чтобы не закладывать часто новые порции топлива увеличивают размеры топки. Сделать процесс горения равномерным помогает размещение сверху прижимного устройства, дозированная подача воздуха.

Схема типичного котла этого класса
Создать чертежи твердотопливных котлов длительного горения своими руками будет проще после подробного изучения стандартной конструкции:
- В начальном положении прижимное устройство (10) находится в верхнем положении.
- Через дверцу (6) в топку загружают крупную партию дров.
- После поджигания происходит регулируемый механическим приводом (16) процесс горения.
- Свежий воздух подается нагнетателем через телескопическую полую внутри штангу. Он распределяется равномерно через прижимной диск (10).
- Подача кислорода сверху обеспечивает постепенное сгорание топлива, слоями.
- Золу после завершения цикла удаляют через нижнюю дверцу (13).
- Для поднятия диска (10) в верхнее положение используют лебедку (2) с электроприводом.
Недостатком данной конструкции является невозможность произвольной закладки дров в топку. Существенное преимущество – повышенная до 24 часов и более длительность одного рабочего цикла.
В следующей конструкции топливо можно подкладывать по мере необходимости. Здесь использована технология пиролиза. Она характерна дозированной подачей кислорода и низкой интенсивностью горения. Тлеющие дрова выделяют горючий газ. Он сгорает в дополнительной камере.

Пиролизный котел
Эта установка полноценно использует топливо. В продуктах сгорания содержится минимальное количество сажи. Сложной является оптимальная регулировка рабочих процессов.
Газовые и дизельные агрегаты лишены упомянутых недостатков по причине простоты дозирования соответствующих видов топлива. Подобный результат можно получить, если использовать специальным образом спрессованные гранулы из отходов деревообработки, шелухи семечек, иного горючего сырья.

Пеллетный котел
В данном варианте гранулы (пеллеты) засыпают в бункер, откуда они подаются шнековым механизмом в топку. Понятно, что такая конструкция позволяет при необходимости быстро увеличивать и уменьшать подачу топлива. Гибкое изменение производительности котла пригодится для оптимизации работы при изменении внешней температуры, подключении дополнительных потребителей. С гранулами не слишком сложно работать при транспортировке, хранении.

Теплообменник для подогрева воды
Повышают эффективность котлов с помощью сложных структур выходных узлов. В таких конструкциях повышается температура теплоносителя. Аналогичные функции выполняют полые стенки корпуса.
Чертежи твердотопливных котлов длительного горения своими руками
Прежде чем искать соответствующую документацию, необходимо точнее определиться с конструкцией. Предпочтительной является первая схема твердотопливного котла длительного горения, своими руками ее будет создать проще.

Принципиальная схема котла
Для отопления сравнительно небольшого частного дома с общей площадью 150-250 м. кв. достаточно будет следующих размеров:

Чертежи твердотопливных котлов длительного горения своими руками
При высоте чуть более 1,5 метра и ширине около 40 см не сложно будет найти подходящее место для установки. Но надо учитывать необходимость создания технологических проходов для обслуживания. Понадобится свободное пространство сверху для монтажа лебедки и другого оборудования.

Конструкторскую документацию можно создать без соблюдения стандартов
Для реализации частных проектов не обязательно соблюдению ГОСТов. Но чем подробнее получился чертеж твердотопливного котла длительного горения своими руками, тем проще будет исключить ошибки на ранних стадиях.

При удалении большого количества ржавчины перед окраской может понадобиться респиратор
Определение с параметрами проекта
Точного определения данному понятию нет. Соответствующее оборудование появилось, как ответ на требования потребителей повысить уровень комфорта в процессе эксплуатации, увеличить выработку тепла в расчете на единицу использованных энергетических ресурсов.
Основным недостатком классических котлов является необходимость регулярного добавления топлива в топку. Сложности создают также следующие факторы:
- высокая интенсивность горения;
- сложность оперативной регулировки и контроля этого процесса;
- неполное использование тепла, которое удаляется вместе с дымом через систему вентиляции.
Для поддержания работы обычного котла лучше иметь рядом достаточный запас дров
Разные конструкции
Для решения отмеченных выше задач используют различные решения. Чтобы не закладывать часто новые порции топлива увеличивают размеры топки. Сделать процесс горения равномерным помогает размещение сверху прижимного устройства, дозированная подача воздуха.
Схема типичного котла этого класса
Создать чертежи твердотопливных котлов длительного горения своими руками будет проще после подробного изучения стандартной конструкции:
- В начальном положении прижимное устройство (10) находится в верхнем положении.
- Через дверцу (6) в топку загружают крупную партию дров.
- После поджигания происходит регулируемый механическим приводом (16) процесс горения.
- Свежий воздух подается нагнетателем через телескопическую полую внутри штангу. Он распределяется равномерно через прижимной диск (10).
- Подача кислорода сверху обеспечивает постепенное сгорание топлива, слоями.
- Золу после завершения цикла удаляют через нижнюю дверцу (13).
- Для поднятия диска (10) в верхнее положение используют лебедку (2) с электроприводом.
Недостатком данной конструкции является невозможность произвольной закладки дров в топку. Существенное преимущество – повышенная до 24 часов и более длительность одного рабочего цикла.
В следующей конструкции топливо можно подкладывать по мере необходимости. Здесь использована технология пиролиза. Она характерна дозированной подачей кислорода и низкой интенсивностью горения. Тлеющие дрова выделяют горючий газ. Он сгорает в дополнительной камере.
Пиролизный котел
Эта установка полноценно использует топливо. В продуктах сгорания содержится минимальное количество сажи. Сложной является оптимальная регулировка рабочих процессов.
Газовые и дизельные агрегаты лишены упомянутых недостатков по причине простоты дозирования соответствующих видов топлива. Подобный результат можно получить, если использовать специальным образом спрессованные гранулы из отходов деревообработки, шелухи семечек, иного горючего сырья.
Пеллетный котел
В данном варианте гранулы (пеллеты) засыпают в бункер, откуда они подаются шнековым механизмом в топку. Понятно, что такая конструкция позволяет при необходимости быстро увеличивать и уменьшать подачу топлива. Гибкое изменение производительности котла пригодится для оптимизации работы при изменении внешней температуры, подключении дополнительных потребителей. С гранулами не слишком сложно работать при транспортировке, хранении.
Теплообменник для подогрева воды
Повышают эффективность котлов с помощью сложных структур выходных узлов. В таких конструкциях повышается температура теплоносителя. Аналогичные функции выполняют полые стенки корпуса.
Чертежи твердотопливных котлов длительного горения своими руками
Прежде чем искать соответствующую документацию, необходимо точнее определиться с конструкцией. Предпочтительной является первая схема твердотопливного котла длительного горения, своими руками ее будет создать проще.
Принципиальная схема котла
Для отопления сравнительно небольшого частного дома с общей площадью 150-250 м. кв. достаточно будет следующих размеров:
Чертежи твердотопливных котлов длительного горения своими руками
При высоте чуть более 1,5 метра и ширине около 40 см не сложно будет найти подходящее место для установки. Но надо учитывать необходимость создания технологических проходов для обслуживания. Понадобится свободное пространство сверху для монтажа лебедки и другого оборудования.
Конструкторскую документацию можно создать без соблюдения стандартов
Для реализации частных проектов не обязательно соблюдению ГОСТов. Но чем подробнее получился чертеж твердотопливного котла длительного горения своими руками, тем проще будет исключить ошибки на ранних стадиях.
При удалении большого количества ржавчины перед окраской может понадобиться респиратор
Монтаж в доме
Вопрос пожарной безопасности котла является очень серьезным моментом. Для его установки лучше предусмотреть отдельную комнату или угол, отделив его кирпичной кладкой
Так как поверхность котла металлическая, высока вероятность получения ожогов при неосторожном прикасании к ней
Важно также, чтобы в месте монтажа была возможность удобно вывести дымоход на улицу (через кровлю или стену). Для свободного доступа к прибору пространство в 50 см по окружности от него освобождается от любых предметов
Правила установки:
- Сооружение кирпичного основания. Оно должно состоять из двух сплошных рядов из кирпича, и соответствовать размерам на твердотопливный котел длительного горения.
- Расстояние от топочной двери до стены — не менее 125 см. Расстояние между боковыми частями и стеной должно быть не менее 700 мм.
- Между топочной дверцей и стеной соблюдается дистанция не менее 125 см. Пространство между сторонами котла и стеной — не менее 70 см.
- Если для сооружения стен использовалась древесина, участки соприкосновения котла и перекрытия дополнительно оформляются металлической или базальтовой защитой. То же самое касается участков выведения дымохода наружу сквозь стены или потолок.
- Котел устанавливают на фундаменте строго по уровню. При этом выходной патрубок должен располагаться на одной линии с дымоходом, в противном случае возможны нарушения тяги по ходу эксплуатации (про
Процесс сборки
Процесс создания котла включает несколько этапов. При изготовлении каждого элемента стоит учитывать особые условия эксплуатации изготавливаемого изделия.
Отрезаем от толстостенной трубы диаметром 100 мм отрезок, длина которого будет равна высоте топки. К нижней части привариваем болт. Из стального листа вырезаем круг такого же диаметра, как труба или большего. Просверливаем в круге отверстие, достаточное для прохождения болта, приваренного к трубе. Соединяем круг и воздуховодную трубу, закрутив гайку на болт.

В итоге мы получим трубу для подачи воздуха, нижняя часть которой может закрываться свободно двигающимся металлическим кругом. В процессе эксплуатации это позволит регулировать интенсивность горения дров и, следовательно, температуру в помещении.
С помощью болгарки и диска по металлу делаем в трубе вертикальные прорези толщиной приблизительно 10 мм. Через них воздух будет поступать в топочную камеру.
Корпус (топка)
Для корпуса потребуется цилиндр с герметичным дном диаметром 400 мм и длиной 1000 мм. Размеры могут быть иными, в зависимости от имеющегося свободного пространства, но достаточными для закладки дров. Можно использовать готовую бочку или приварить к стальному толстостенному цилиндру днище.

Иногда котлы для отопления изготавливают из баллонов из-под газа для более длительного срока службы.
Дымоход
В верхней части корпуса формируем отверстие для отвода газов. Его диаметр должен быть не менее 100 мм. К отверстию привариваем трубу, через которую будет осуществляться отвод отработавших газов.

Длина трубы выбирается в зависимости от конструктивных соображений.
Соединяем корпус и устройство подачи воздуха
В днище корпуса вырезаем отверстие диаметром равным диаметру воздухоподающей трубы. Вставляем трубу внутрь корпуса таким образом, чтобы поддувало выходило за пределы днища.
Из металлического листа толщиной 10 мм вырезаем круг, размер которого немного меньше диаметра корпуса. Привариваем к нему ручку, изготовленную из арматуры или стальной проволоки.

Это значительно упростит последующую эксплуатацию котла.
Конвекционный кожух
Из листовой стали изготавливаем цилиндр или отрезаем кусок трубы, диаметр которой на несколько сантиметров больше наружного диаметра топки (корпуса). Можно использовать трубу диаметром 500 мм. Соединяем вместе конвекционный кожух и топку.
Сделать это можно с помощью металлических перемычек, привариваемых к внутренней поверхности кожуха и наружной поверхности топки, если зазор получился достаточно большой. При меньшем зазоре можно приварить кожух к топке по всему периметру.
Из стального листа вырезаем круг такого же диаметра как топка или чуть больше. Привариваем к ней ручки, используя электроды, проволоку или другие подручные средства.

Учитывая, что в процессе эксплуатации котла ручки могут сильно нагреваться, стоит предусмотреть специальную защиту из материала с низкой теплопроводностью.
Ножки
Для обеспечения длительного горения к дну привариваем ножки. Их высота должна быть достаточной, чтобы поднять дровяной котел минимум на 25 см над уровнем пола. Для этого можно использовать различный прокат (швеллер, уголок).

Поздравляем, вы изготовили дровяной котел своими руками. Можно приступать к обогреву дома. Для этого достаточно загрузить дрова и поджечь их, открыв крышку и теплорассеивающий диск.
Несмотря на то, что наука и технологии ушли далеко вперед, не стоит отрицать, что даже сегодня использование таких приборов, как котлы дровяные для отопления дома, является распространенным.
Большинство моделей современных дровяных котлов сегодня сочетают в себе такие два элемента: традиционный источник тепловой энергии – дрова, а также систему парового отопления, которая вошла в обиход относительно в недавнем времени – 100-150 лет назад.
Для тех, кто проживает в городе, может показаться странным подобное гонение за традициями древности в виде дровяных котлов. Однако этого нельзя сказать о деревнях и селах. Ведь здесь нет проходящей газовой магистрали, электричество скачет, да и оплачивать счета будет дорого. Именно в таком случае котлы дровяные для отопления дома станут единственным спасением для людей в холодную пору.
Особенности загрузки топлива и эксплуатации
Сборка системы отопления
От простого котла, где полноценное воздухоснабжение необходимо по всему объему сжигания топлива, конструкция длительного горения, как отмечалось ранее, отличается ограниченностью этой подачи. Более того, объем загрузки непосредственно влияет на время горения, поэтому в нашем случае топочная загружается предельно плотно, чтобы не оставалось промежутков.
Топка изнутри
Топливо загружается в такой последовательности.
Загрузка котлаПробная топка котла
Шаг 1. Снимается верхняя крышка конструкции.
Шаг 2. Извлекается воздушный регулятор.
Шаг 3. Котел загружается топливом по уровень дымоходной трубы.
Шаг 4. Сверху топливо поливается небольшим количеством жидкости для розжига (соляркой, отработанным маслом и проч.).
Шаг 5. Воздушный регулятор устанавливается обратно, сверху надевается крышка.
Шаг 6. Воздушная заслонка открывается до предела.
Шаг 7. Поджигается кусок бумаги, бросается внутрь конструкции. Когда топливо начинает тлеть, воздушная заслонка закрывается.
Система отопления. ОбвязкаСистема отопления. Обвязка
О том, что началось перманентное горение, можно судить по появившемуся из дымоходной трубы дыму. По мере сжигания топлива труба меньшего диаметра будет опускаться вместе с воздушным регулятором – по этому своеобразному индикатору и можно определить количество оставшегося топлива.
Предпосылки появления котельного оборудования данного вида
Традиционные твердотопливные котлы работают на топливе, которое загружается в камеру сгорания. Это может быть уголь, дрова, торфяные брикеты, пеллеты и другие виды органического топлива. От того насколько часто приходится загружать топливо в камеру сгорания зависит домашний комфорт и уют. В среднем для твердотопливного аппарата, выполненного по классической схеме, для нормального режима работы требуется 2-8 загрузок в сутки. Отлаженная система автоматики берет на себя все основные функции. То как работает само нагревательное устройство, как расходуется топливо, зависит уже от модели и от человека.
Работающий котел на твердом топливе этого вида в состоянии длительное время выдавать необходимое для обогрева тепло, значительно увеличивая продолжительность времени между загрузками. Уже одно название этого агрегата говорит о том, что оборудование способно работать бесперебойно длительное время. Принципиальное отличие данного вида отопительных приборов от традиционных моделей твердотопливных котлов заключается в способе горения.
Не всегда есть возможность подбрасывать в очередной раз дрова или уголь в топку. Подобная процедура вызывает дискомфорт, особенно ночью, когда температура за окном стремительно опускается. Загруженное топливо может прогореть во время отсутствия хозяев, что приведет неизбежно к остыванию теплоносителя в контуре.
Попытки оптимизировать способ загрузки дров или угля даже в самый лучший котел за счет автоматической подачи, решают проблему частично. Обустраивать рядом с топливным агрегатом прибор механической подачи угля, значит на ограниченной площади дополнительное место. Шум постоянно работающего ротора или шнека малоприятен. Требовалось найти принципиальное решение проблемы. На фото показан обычный котел, работающий на твердом топливе, оснащенный бункером для автоматической подачи угля.
Одним словом, у людей есть масса причин на то, что бы ставить у себя дома твердотопливные котлы длительного горения. Такая техника сводит к минимуму человеческий фактор, от которого во многом зависит эффективность отопительной системы. Отопительная техника, работающая по данному принципу, появилась чуть более 10-15 лет назад. Тогда только стали появляться первые образцы аппаратов. Многие пытались у себя дома самостоятельно соорудить твердотопливный . Главное понять принцип действия отопительного оборудования данного вида.
Котел на твердом топливе длительного горения – принцип действия
С появлением на рынке котельного оборудования нагревательных приборов длительного горения, ситуация с организацией и установкой системы домашнего отопления значительно упростилась. Теперь можно ставить для отопления мощные нагревательные установки, не требующие постоянной загрузки топливом. Котлы длительного горения, сделанные своими руками, не всегда способны полностью удовлетворить потребности обитателей дома.
Глядя на чертежи первых моделей, видно насколько сегодня конструкция агрегатов изменилась. Для примера приводится чертеж типичной нагревательной установки пиролизного типа.
*Промышленные изделия, в которых производители добавили ряд конструктивных изменений и новшеств, обладают большим технологическим ресурсом, экономичные и более практичные в эксплуатации. Несмотря на существенные технологические и конструктивные изменения, в основе оборудования этого вида остался неизменным принцип действия. Топливо, загруженное в камеру сгорания, особым способом горит не так, как в обычном котле. Сам принцип горения топливной массы в корне отличается. За счет создания определенных условий в топке происходят экзотермические реакции, другие физические процессы, оказывающие влияние на интенсивность горения и длительность выгорания загруженного топлива.
В современных агрегатах используется два способа горения:
- Первый, за счет пиролиза;
- Второй, за счет верхнего способа горения топливного материала.
Процесс пиролиза – связанный с генерацией тепловой энергии, выделяемой в процессе горения угля, дров и других топливных материалов. Основная работа котла заключается в горении древесного газа, генерируемого из тлеющего топлива.
Во втором случае речь идет о верхнем способе горения. Топливо выгорает не снизу вверху, как принято считать, а наоборот, сверху вниз. За счет этого процесса достигается полное выгорание топливного материала, заложенного в топку. Количество выделяемого в результате горения тепла на порядок больше, чем у аппаратов нижнего горения.
Устройство и принцип работы котла на дровах
Дрова принадлежат к группе твёрдого топлива и имеют возможность на одном уровне с углём использоваться для отопления жилых домов не выше 2-х этажей, а также хорошо применимы при организации воздушного отопления в доме.
Устройство котла на дровах. Источник фото: rgagroup.ru
Водогрейные котлы на дровах условно подразделяются на 2 типа:
- энергонезависимые, функционирующие с естественной тягой дымовой трубы;
- наддувные, в которых воздух в топку подается принудительно.
Первые используют технологию простой печи, с единственным отличием — они имеют внутренний водяной контур. Большая топочная камера размещается над зольником, отделенная от него колосниками.
Воздух из комнаты подается в топочное устройство сквозь заслонку в зольнике, и далее продвигается через колосники. Объем подачи корректирует термостат, контролирующий температуру теплоносителя в водяной рубашке котлоагрегата. Управление заслонкой — механическое.
Уходящие газы, образовавшиеся в топочном пространстве с высокой температурой, движутся по жаровым трубам внутреннего теплообменного аппарата, охлаждаются через стенки труб греющей водой.
Исходя из конструктивных элементов котлоагрегата, дымовые газы способны выполнить несколько кругов циркуляции по дымоотводящим трубам, эффективно обмениваясь тепловой энергией с водяной рубашкой.
Принцип действия. Источник фото: stroikabudet.ru
Отдавая свое тепло, летучие вещества, образовавшиеся от сгорания топлива, с дымовыми газами покидают котел отопления с использованием системы дымоотвода.
Энергонезависимый котел на дровах не в состоянии похвастаться хорошим КПД, самое большее — это 70%.
Второй вариант теплогенератора — наиболее производительный, его КПД может достичь 75% за счет принудительной воздухоподачи, осуществляемой приточным вентилятором.
Схема обвязки
Типовая схема подключения котлов для отопления на дровах содержит два базовых узла, разрешающих ей надежно действовать в системах обогрева индивидуального дома. Это группа безопасности и водяная группа с трехходовым клапаном с термоголовкой и датчиком температуры.
К сожалению, из-за своих конструктивных особенностей, данный источник нагрева не может использовать современные системы автоматики и регулирования. Обвязка котла по водяному контуру отопительной сети и выводу дымовых газов осуществляется по принципу противотока, то есть среды движутся навстречу друг другу.
Схема подключения с бойлером
Такая схема дровяных котлов для отопления позволяет снижать температуру уходящих газов. Но, как свидетельствуют реальные КПД дровяных котлов, происходит это не очень хорошо.
Для повышения эффективности всей тепловой схемы рекомендуется в нее включать бойлер косвенного нагрева горячей воды с баком для воды. Он позволяет снижать температуру уходящих газов и дополнительно нагревать горячую воду, при тех же удельных расходах топлива.
Котел твердотопливный длительного горения своими руками: чертежи и порядок сборки
Котлы длительного горения отличаются высокой теплоотдачей и выдают более мягкую, ровную температуру.
Но есть у них и существенный недостаток – высокая цена.
Поэтому есть смысл попробовать свои силы и изготовить печь самостоятельно.
Если Вы решили сделать котел твердотопливный длительного горения своими руками, чертежи найти – половина успеха. Но сначала разберемся, какие существуют основные конструкции.
Какой твердотопливный котел можно сделать своими руками?
В домашних условиях можно изготовить практически любой котёл, ведь всё делают люди.
Но некоторые детали можно выполнить только в заводских условиях.
Поэтому важно оценить свой опыт и возможности (инструмент, материалы, время). И разобраться с основными типами отопительных приборов и их особенностями. По нарастанию степени сложности, котлы можно разделить на:
По нарастанию степени сложности, котлы можно разделить на:
И разобраться с основными типами отопительных приборов и их особенностями. По нарастанию степени сложности, котлы можно разделить на:
- Привычные котлы-топки с варочной поверхностью, водяной рубашкой по бокам и колосниками.
- Вертикально расположенные агрегаты шахтного типа и с горением, осуществляющимся сверху.
- Пиролизные котлы.
Классические твердотопливные котлы с привычным способом сжигания
Самый яркий представитель таких котлов – обычная печь, только выполненная из стали. Топливо укладывается на колосниковую решетку и сгорает, нагревая водяной контур пламенем.
Чтобы повысить КПД обычного котла устраивают повороты, вваривают поперек дымохода трубы, пропускающие теплоноситель и т. д. Могут быть горизонтальными или вертикально направленными.
Устройство котла длительного горения изнутри
Горизонтальные топки, как правило, ниже и имеют сверху варочную поверхность, отдающую тепло непосредственно в помещение. Конструктивно возможно соединение таких котлов с кирпичной трубой или колодцами классической печи, что значительно повышает их теплоотдачу.
Кирпичные колодцы, проводящие горячие дымовые газы, не только повышают КПД сгораемого топлива, не давая газам вылетать прямо на улицу, но и служат аккумуляторами тепла.
Котел с верхним горением
Само его название говорит о том, что здесь процесс горения идет наоборот: сверху вниз. Это сделано для того чтобы замедлить сжигание топлива, так как обычно пламя идет вверх и зажигает все дрова сразу.
Итак, конструкция этого аппарата: вертикально стоящая труба, точнее две трубы большого диаметра, входящие одна в одну. Между ними располагается водяная рубашка.
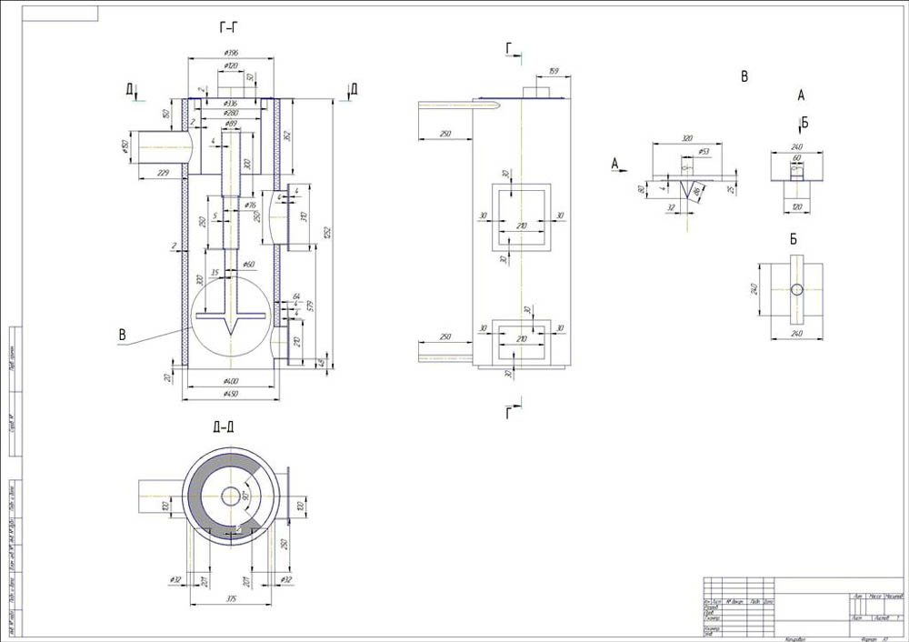
Для подачи воздуха в этой конструкции предусмотрена телескопическая труба, которая поднимается вверх перед закладкой топлива и опускающаяся вместе с ним по ходу сгорания дров или угля. Для изготовления такой конструкции понадобятся:
- Трубы для корпуса диаметром 450 и 400 мм.
- Для камеры предварительного подогрева воздуха диаметром 280 и длиной 350 мм.
- Для телескопической подающей трубы отрезки длиной примерно по 300 мм таким диаметром чтобы входили друг в друга это – 89 мм, 76 мм, и 60 мм.
- И толстый листовой металл для изготовления дверок; для блина, который давит на топливо и передает ему воздух для горения; для закрытия верха и низа котла и т. д.
- Дверца для закладки топлива размером 250 х 210 устраивается на расстоянии 579 мм от основания. В самой нижней части еще одна дверца поменьше, для чистки. Колосники в этой модели не предусматриваются.
Конструкция «блина» – это полая деталь из двух одинаковых шайб-дисков диаметром 300 – 350 мм. По окружности диски провариваются стальной лентой, таким образом, чтобы воздух попадал внутрь, только через подающую трубу 60 мм. А для подачи воздуха к дровам, в нижней части диска сверлится множество отверстий.
Отличаются немалой высотой (могут достигать полутора метров).
Дрова укладываются во всю высоту, поджигаются снизу, где происходит процесс горения, а факел пламени направляется в другой отдел, соединенный в нижней части с основным котлом.
Продукты сгорания, проходя дальше по теплообменнику, остывают и удаляются в трубу.
Данная конструкция котла позволяет использовать пиролизное горение. Для этого устанавливается заслонка, ограничивающая подачу воздуха, и связанная с датчиком тяги и температуры. А во второй камере при доступе воздуха происходит сгорание выделенных газов.
Котлы шахтного типа хорошо справляются с сырыми дровами и опилками. Можно сказать, что это идеальные вариант для сырых дров.
Описание оборудования
Шахтные котлы длительного горения — это эффективная техника, которая характеризуется максимально возможной продолжительностью горения топлива и уникальными особенностями конструкции. Наличие топливной камеры с увеличенными размерами избавляет от необходимости частой загрузки, а благодаря специальной конструкции поддувала обеспечивается медленное горение с выделением большого количества тепла.
Наибольшее распространение сегодня получили две конструкции шахтных котлов:
- Пиролизные.
- С обычным горением.
Обе этих схемы исполнения имеют две камеры, в одной из которых устроен теплообменник, а вторая используется для сжигания топлива. Котел шахтного типа с нижним горением отличается простотой конструкции и имеет топку высотой на весь агрегат, что позволяет существенно упростить загрузку. Топочное отделение напоминает по своему виду шахту, что послужило названием для отопительного оборудования данного типа.
В данном видео рассмотрим шахтный котел:
Камера теплообменника выполняется по классической жаротрубной технологии. Внутри этого отсека проложены многочисленные трубы, по которым циркулирует теплообменник, нагреваемый горячим воздухом, поступающим из топливника. Дымоход может выполняться как в виде вертикальной трубы, так и коаксиального типа, который выводится через ближайшую стену на улицу.
Шахтные котлы длительного нижнего горения на дровах получили видоизменённую конструкцию, что позволило обеспечить максимально длительное горение. Такой котёл дополнен следующими элементами:
- В дополнительных камерах, которые располагаются под теплообменником, происходит сжигание угарного газа, что позволяет обеспечить улучшение показателей КПД котла.
- В пиролизную камеру проведены трубы с многочисленными мелкими отверстиями, что позволяет подавать воздух, необходимый для сгорания угарного газа.
- Непосредственно над пиролизной камерой располагается задвижка, которая позволяет уменьшать и увеличивать интенсивность горения топлива.
Сборка котла
Агрегат нужно собирать в следующей последовательности:
- Сначала изготавливают корпус, прихватив короткими швами к его днищу боковые стенки и обрамления проемов. Нижним обрамлением проема зольника служит само днище корпуса.
- Изнутри к корпусу приваривают уголки, на которых будет укладываться решетчатый поддон топки (колосниковая решетка).
- Теперь нужно приварить саму решетку. Уголки, из которых она состоит, нужно приварить наружным углом вниз, так чтобы поступающий снизу воздух равномерно распределялся двумя наклонными поверхностями каждого уголка.
- Далее к уголкам, на которых уложена колосниковая решетка, приваривают топку с теплообменником.
- Дверцы топки и зольника вырезаются из стального листа. Изнутри они обрамляются стальной полосой, уложенной в два ряда, между которыми нужно уложить асбестовый шнур.
Далее приваривают дымоотводящий патрубок и воздуховод с фланцем для установки вентилятора. Воздуховод заводится внутрь котла через отверстие посредине задней стенки чуть ниже колосниковой решетки.
Теперь надо приварить к корпусу котла ответные части петель дверок и несколько кронштейнов шириной 20 мм, к которым будет крепиться обшивка.
Теплообменник нужно обложить с трех сторон и сверху базальтовой ватой, которая стягивается шнуром.
Поскольку утеплитель будет контактировать с горячими поверхностями, он не должен содержать фенол-формальдегидного связующего и других веществ, испускающих при нагреве токсичные летучие вещества.
При помощи шурупов к кронштейнам прикручивается обшивка.
Сверху на теплогенератор устанавливается контроллер автоматики, а к фланцу воздуховода прикручивается вентилятор.
Температурный сенсор нужно поместить под базальтовую вату, так чтобы он контактировал с задней стенкой теплообменника.
При желании котел можно оборудовать вторым контуром, позволяющим эксплуатировать его в качестве водонагревателя.
Контур имеет вид медной трубки диаметром около 12 мм и длиной 10 м, намотанной внутри теплообменника на жаровые трубы и выведенной наружу через заднюю стенку.
За информацию для статьи, благодарим наших коллег: microklimat.pro,v-teple.com





































