Для чего нужно спортивное питание?
Улучшить свою физическую форму можно и без применения добавок. К примеру, для похудения достаточно внести некоторые коррективы в рацион. Но такой способ имеет один минус – объем мышечной массы уменьшится, а тело в итоге подтянутым выглядеть не будет. Чтобы этого не случилось, параллельно с рациональным питанием нужно регулярно заниматься спортом, направленным на повышение мышечного тонуса.
Для чего нужно спортивное питание
Человеческому организму на период интенсивных тренировок не хватает собственных ресурсов, поэтому спортивное питание здесь играет важную роль. Оно содержит необходимое количество белков, углеводов и жиров, которые так нужны организму для росту мышц. С помощью качественного спортпита можно набрать вес, похудеть, улучшить силовые показатели и выносливость, снабдить суставы и кости полезными витаминами и микроэлементами.
Во время интенсивных тренировок спортивное питание особенно важно
Как сделать пеногенератор в домашних условиях

Для того, чтобы получить устройство для обширной работы, необходимо подготовить старый огнетушитель. Пеногенератор из огнетушителя наиболее распространённый вид прибора сделанного своими руками. Для изготовления прибора необходимо подготовить следующие материалы:
- огнетушитель объемом 5 литров;
- металлические щетки для мытья посуды;
- фильтр или сетки;
- клапан, используемый для бескамерных колес;
- шланг;
- пистолет с форсункой.
Также необходимо подготовить ножницы по металлу и дрель. Процесс монтажа проводится по следующему алгоритму действий:
- необходимо выкрутить пусковое устройство из старого огнетушителя. Устройство разбирается, необходимо снять трубку и баллон с муфтами;
- газогенератор необходимо распилить на две части;
- в верхнюю часть обрезанного газогенератора вставляется мелкая сетка, которая выступает фильтром;
- туда же необходимо вмонтировать металлические щетки для мытья посуды;
- снизу необходимо вмонтировать еще одну сетку;
- в муфте на горловине газогенератор необходимо сделать отверстие диаметром не менее 8 мм и вкрутить пенную таблетку;
- в корпусе огнетушителя необходимо сделать отверстие 10 мм под муфту и вкрутить клапан. Это необходимо для закачивания сжатого воздуха;
- на муфту необходимо надеть трубку для закачивания воздуха;
- подсоединить шланг к запорно-пусковому механизму и подсоединить пистолет.
После того, как все действия выполнены, необходимо проверить все трубки на герметичность и укрепить хомутами. Для того, чтобы не упустить какое-либо действие, необходимо сделать план работ на бумаге.
4 Idrobase Karcher 9.605-731.0

Профессиональная модель с самой полной комплектацией Страна: Германия Средняя цена: 22 490 руб. Рейтинг (2021 г.): 4,5
Karcher Idrobase привлекает большой моющей емкостью – 50 литров хватит на несколько автомобилей. Модель работает на сжатом воздухе, подключается к компрессору. Длинная тонкая трубка позволяет точечно наносить пену и дезинфицирующий раствор на поверхности. Пенообразователь удобен для очистки труднодоступных мест.
Karcher Idrobase позволяет наносить пену на высоту до 6 метров. Производитель обещает существенную экономию на автохимии, 30 грамм хватает на весь автомобиль. Отзывы подтверждают, что в умелых руках процесс занимает до 10 минут. Устройство дорогое, но самое впечатляющее оснащение: пистолет, копье из нержавеющей стали, веерная насадка, манометр и 10-метровый нейлоновый шланг.
Какой лучше выбрать пеногенератор для бытового использования
Нельзя дать однозначного ответа на вопрос, какой пеногенератор является самым лучшим. Все модели имеют свои преимущества и недостатки
К примеру, если вам нужен портативный пеногенератор для своей машины, то следует обратить внимание на бюджетные модели. Если же вам нужен пеногенератор в автомойку, или вы хотите получить более качественное, детальное очищение, то лучше выбрать среднебюджетное устройство или прибор премиум класса. Для вашего удобства мы разместили все рассмотренные в этой статье модели в одной сравнительной таблице:
Для вашего удобства мы разместили все рассмотренные в этой статье модели в одной сравнительной таблице:
| Название | Вес (кг.) | Объём бака (л.) | Стоимость (руб.) |
|---|---|---|---|
Кадзен М-2 | 0,71 | 2 | 1.000 – 1.100 |
DAW 10 DAEWOO | 0,3 | 0,5 | 1.200 – 1.400 |
МУССОН М-4 | 3,6 | 13 | 1.500 – 1.600 |
KWAZAR VENUS PRO+ | 0,71 | 2 | 1.800 – 2.000 |
VENUS HD ACIDLINE | 2,61 | 6 | 2.500 – 3.200 |
Патриот GT320 Imperial | 5 | – | 5.200 – 5.600 |
ARMADA AA-350A | 10 | 50 | 8.800 – 9.000 |
HAWK LT-25 Foamer | 15 | 25 | 16.000 – 18.000 |
Idrobase Karcher 9.605-731.0 | 27 | 50 | 22.000 – 24.000 |
Portotecnica SCO 100 | 36 | 100 | 26.000 – 29.000 |
1940/50 APAC | 24 | 50 | 32.000 – 34.000 |
TORNADO SCO/150C | 56 | 150 | 39.000 – 42.000 |
Meclube 1517 | 25 | 50 | 92.000 – 95.000 |
Вариант №3 – пеногенератор из пластиковой канистры
Металлические емкости, необходимые для реализации первого варианта пеногенератора, имеются не у каждого автолюбителя. В качестве недорогой альтернативы можно использовать обычную пластиковую канистру. Для сборки устройства понадобится болгарка, гаечные ключи, форсунка, компрессор, патрубки, трубопроводные фитинги и пистолет. Работы выполняются по такой схеме:
Сначала необходимо обрезать 50-сантиметровый фрагмент дюймовой трубы с помощью болгарки. Внутрь нее необходимо набить достаточное количество обыкновенной рыболовной лески с любым сечением. Этот материал будет служить пенообразователем (аналогично полиэтиленовой мочалке, которая использовалась в варианте №1).
На обоих концах трубы следует плотно зафиксировать сантехнические заглушки
Важно, чтобы эти фитинги были оснащены резьбой. На одной заглушке крепится Т-образный переходник, на другой – штуцер.
К Т-образному переходнику прикрепляются гибкие шланги с кранами.
Один вывод пеногенератора будет подключаться к емкости с моющим средством, ко второму подсоединяется трубка, идущая от компрессора.. Этот способ можно реализовать в разных вариациях
Ниже представлены возможные варианты, среди которых можно подобрать подходящую модификацию на свое усмотрение
Этот способ можно реализовать в разных вариациях. Ниже представлены возможные варианты, среди которых можно подобрать подходящую модификацию на свое усмотрение.


От: admin
Эта тема закрыта для публикации ответов.
Пеногенератора для бесконтактной мойки
Образование пены
Процесс пенообразования в системе пенегенератора происходит в результате воздействия струи сжатого воздуха на пенообразователь, в роли которого выступает автомобильный шампунь, и происходит в два этапа:
Целью первого этапа является получение, так называемой, «первичной» пены. В результате эжектирования (всасывания) раствора автомобильного шампуня водяной струей, выходящей из жиклера под высоким давлением, и попутном захватывании подающегося через специальные отверстия в устройстве воздуха, образуется «первичная» пена. Она характеризуется низкой стойкостью, что делает ее непригодной для применения в процессе мойки автомобиля.
Задача второго этапа – получение конечного продукта. Ее выполнение осуществляется посредством высокоскоростной подачи «первичной» пены на специальную вспенивающую таблетку, изготовленную из гидрофобной проволоки, или сетки, обладающей антикоррозионными характеристиками. Размер ячейки рассчитывается исходя из необходимой кратности пены.
Образовавшаяся в результате вышеописанного процесса устойчивая пена, обладающая большой кратностью, проходя через пластины регулятора, установленные параллельно, приобретает форму плоской струи.
Таким образом, главную функциональную задачу пенегенерирующего устройства можно сформулировать следующим образом: создание определенного химического раствора, преобразующегося в пену под воздействием сжатого воздуха.
Мойка автомобиля
Технологический процесс мойки автомобиля с использованием активной пены довольно прост. На предварительно облитый водой автомобиль посредством специального пистолета наносится активная пена и выдерживается в течение двух-трех минут. Далее активизированный раствор смывается, а поверхность автомобиля просушивается.

Смывание пены необходимо производить поступательными движениями в горизонтальной плоскости, постепенно смещая их от днища автомобиля к его крыше. Это обусловлено двумя причинами:
– усиленным промыванием нижней, как правило, наиболее загрязненной части транспортного средства;
– стеканием грязевых потоков по увлажненной поверхности, что не позволяет им задерживаться.
Порядок бесконтактной мойки автомобиля
Целый процесс пребывает в следующем:
- кузов обливается струёй воды с громадным напором. Происходит сбивание и смачивание грязи;
- подготавливается раствор для пенной насадки в соответствии с инструкцией;
- включается минимойка и обливается целый кузов пеной снизу вверх;
- на одну — 120 секунд даётся выдержка, дабы пена разъела грязь. Запрещено допускать, дабы пена высыхала, что приведёт к образованию тяжело удаляемых пятен;
- пена смывается водой;
- производится сушка кузова. Для более стремительного подсыхания допускается применения восковых смесей, что так же делается с применением минимойки.
ТОП-20 лучших блоков питания для компьютера 2020 года
| Фото | Название | Рейтинг | Цена | |
|---|---|---|---|---|
| Лучшие блоки питания для мощных компьютеров | ||||
| #1 | | Seasonic Prime Ultra Titanium 850W | 100 / 100 2 – голоса | |
| #2 | | Enermax Platimax D.F. | 99 / 100 | |
| #3 | | be quiet! Dark Power Pro 11 1200W | 99 / 100 | |
| #4 | | Corsair HX1200i 1200W | 98 / 100 1 – голос | |
| #5 | | Cooler Master V1200 Platinum 1200W | 97 / 100 1 – голос | |
| Лучшие блоки питания средней ценовой категории | ||||
| #1 | | Chieftec CTG-750C 750W | 100 / 100 1 – голос | |
| #2 | | Thermaltake Smart RGB 600W | 99 / 100 | |
| #3 | | AeroCool Hero 775W | 98 / 100 | |
| #4 | be quiet! System Power 9 500W | 97 / 100 | ||
| #5 | | Deepcool DA500 (DP-BZ-DA500N) 500W | 96 / 100 | |
| Лучшие блоки питания начального уровня | ||||
| #1 | | AeroCool VX Plus 500W | 100 / 100 | |
| #2 | | FSP Group ATX-450PNR 450W | 99 / 100 1 – голос | |
| #3 | | CROWN MICRO CM-PS500 Standart 500W | 98 / 100 | |
| #4 | | Ginzzu CB500 500W | 97 / 100 | |
| #5 | | LinkWorld LW2-500W | 96 / 100 | |
| Лучшие дешёвые блоки питания до 1000 рублей | ||||
| #1 | | CROWN MICRO CM-PS450 450W | 100 / 100 | |
| #2 | | CROWN MICRO CM-PS400 Standart 400W | 99 / 100 | |
| #3 | | ACCORD ACC-450-12 450W | 99 / 100 | |
| #4 | | STM STM-40SH 400W | 98 / 100 | |
| #5 | | ExeGate ATX-XP450 450W | 97 / 100 |
3 DAW 10 DAEWOO EXPERT

Экономичная компактная модель Страна: Южная Корея (сделано в Китае) Средняя цена: 990 руб. Рейтинг (2021 г.): 4,7
DAW 10 DAEWOO EXPERT — самый экономичный, но мощный электропеногенератор. Предназначен для мытья автомобилей, садовой мебели, изделий из дерева, кирпичной кладки. Основным преимуществом устройства является его легкость и компактность. При невысокой стоимости устройство получило хорошую начинку – электродвигатель марки Daewoo, алюминиевый насос с электробезопасным покрытием. В отзывах покупатели отмечают функцию автоматического отключения. Если вы забудете добавить воды, устройство не будет спать.
Модель оснащена лучшим фильтром тонкой очистки в ценовой категории, защищающим компоненты от твердых частиц. В комплекте идет пистолет с металлической насадкой, армированный шланг и емкость 0,5 л. Есть отдельный водозабор, но его можно подключить к системе водоснабжения. Однако некоторые комплектующие придется докупить, например быстроразъемный соединитель.
Как правильно пользоваться?
Перед тем, как начать мыть автомобиль в гараже, на даче, на участке дома, в нем плотно закрывают окна. Мытье водой выполняют сверху вниз. При первом нажатии на курок распылителя струя выходит под сильным давлением, ее направляют в сторону, чтобы не повредить пластик фары, покрытие.
Пену наносят на сухую поверхность, на влажной ее эффективность снизится. На не сильно загрязненную машину средство наносят сразу. Но если слой загрязнения толстый, то вначале авто ополаскивают высоким давлением воды, используя средний или широкий факел.
После устранения основной грязи, специальной пенной насадкой наносят моющее средство, которое предназначено для мойки под высоким давлением. Пену на вертикальных поверхностях наносят снизу-вверх, тогда она не сползет раньше, чем нужно. Оставляют на 5 минут, этого времени хватит для размягчения масляных загрязнений и трудноудаляемых пятен, смывают водяным напором с широким факелом и высоким давлением.
Сопло держат к поверхности под углом, направленным вниз. Так моющее средство и грязь не попадут на уже помытую поверхность. Если после этой процедуры легковая машина не стала абсолютно чистой, ее моют вручную губкой или рукавицей из микрофибры можно с использованием автомобильного шампуня. Днище отмывают специальной насадкой. Чтобы не допустить ее вращения и отдачи, устройство нужно упирать в пол.
Струя выходит под высоким напором
Активная пена
При нанесении пены на обрабатываемую поверхность, за счет кинетической энергии пены, происходит частичный отрыв загрязнений от поверхности. Выделяющаяся из пены жидкость смачивает поверхность. Толщина слоя смачивания составляет при этом примерно 3 мкм. Частицы грязи в результате перетекания жидкости в стенках пузырьков пены отрываются от поверхности и концентрируются в утолщенных участках пленки пены. Грязеудерживающая способность пены снижает возможность повторного оседания оторванных от поверхности частиц загрязнения. Присутствие на обрабатываемой поверхности тонкого масляного слоя не только не снижает, но даже увеличивает эффективность удаления пыли и твердых частиц при пенной обработке.
В процессе взаимодействия пены с вязким полужидким загрязнением происходит размягчение загрязнения до жидкой фазы, затем пена дробит капли и пленки загрязнения до отдельных глобул, которые втягиваются в пену.
Мойки высокого давления с особой характеристикой
SMART WASHER SW-17A
Помимо этого имеется встроенный аккумулятор, позволяющий работать мойке автономно до 1 часа. Подзарядить аккумулятор можно как от сети 220/230 В, так и от бортовой сети автомобиля. Рабочее давление: до 9 бар, расход воды: 120 л/час. Имеется съёмная емкость для воды объемом 17 литров. Несмотря на мобильность и автономность, такую мойку трудно назвать альтернативой для бытовых моек высокого давления. Низкое рабочее давление не позволяет решать все задачи по уборке.
Средняя цена SMART WASHER SW-17A – 11 600 руб.
SMART WASHER SW-17A
Достоинства:
- Мобильность;
- Автономность;
- Встроенная съемная емкость для воды.
class=’s-article__points-list’>
Недостатки:
- Высокая цена для функционала;
- Слабое рабочее давление;
- Низкая надежность.
class=’s-article__points-list’>
STIHL RE 462
Профессиональная мойка без подогрева воды. Работает от сети 380/400 В. Рабочее давление регулируется в пределах 35-220 бар. Расход воды: до 1130 л/час. Вес аппарата: 77 кг.
Две встроенные емкости, по 2,5 литра каждая, для различных типов моющих средств с кнопкой переключения позволяет быстро перейти от очистки одного типа загрязнения к очистке другого типа загрязнения.
Средняя цена STIHL RE 462 – 113 190 руб.
STIHL RE 462
Достоинства:
- Два бака для различных чистящих средств;
- Удобные регулировки на пистолете;
- Низкооборотный приводной двигатель с увеличенным сроком службы.
class=’s-article__points-list’>
Недостатки:
- Высокая цена;
- Большой вес.
class=’s-article__points-list’>
KARCHER HDS 8/18-4 C
Работает от сети 380/400 В. Рабочее давление регулируется в пределах до 180 бар. Расход воды: до 900 л/час. Вес аппарата: 155 кг. Основное отличие большинства профессиональных аппаратов от бытовых — это материал поршня насоса. Как правило, в профессиональных мойках установлены керамические поршни. С одной стороны, это долговечный материал, не подверженный температурному изменению размеров, очень прочный, способный выдерживать большие нагрузки.
С другой стороны, керамика очень хрупкая, и попадание малейших механических частиц между поршнем и цилиндром неизбежно приведет к сколу, потери компрессии и в дальнейшем к неспособности насоса развивать достаточное давление для эффективной работы. Этот факт заставляет предъявлять особые требования к чистоте воды и установке дополнительного фильтра. Это аппарат способен за короткое время нагреть воду до 155 С и превратить её в перегретый пар, способный справиться со многими загрязнениями без применения химии. Безусловно, такие способности аппарата отражаются на его стоимости.
Средняя цена KARCHER HDS 8/18-4 C – 182 690 руб.
KARCHER HDS 8/18-4 C
Достоинства:
- Нагрев воды;
- Возможность использования перегретого пара;
- Удобные регулировки на пистолете;
- Низкооборотный приводной двигатель с увеличенным сроком службы.
class=’s-article__points-list’>
Недостатки:
- Ограниченная комплектность (как правило в комплект входит одна-две насадки);
- Высокая цена;
- Большой вес.
class=’s-article__points-list’>
KARCHER G 4.10 M
Рассмотрим последний тип моек — мойки с приводом от бензинового двигателя. Эти мойки не отличаются выдающимися рабочими параметрами и функционалом. Рабочее давление в пределах 20-120 бар. Расход воды: 420 л/час. Вес 23,9 кг.
Средняя цена KARCHER G 4.10 M – 31 890 руб.
KARCHER G 4.10 M
Достоинства:
- Энергонезависимость;
- Возможность использования воды из любой емкости.
class=’s-article__points-list’>
Недостатки:
- Высокий вес;
- Большие габариты.
class=’s-article__points-list’>
В любом случае выбор мойки высокого давления остается за Вами. Ведь может получиться так, что приобретение самой недорогой мойки от абсолютно неизвестного производителя даст Вам много положительных эмоций и существенно облегчит Ваш труд, а приобретение “породистого” аппарата принесет Вам бесконечные путешествия по сервисным центрам и разочарование. Однако это все же исключение из правил. Именитость производителя и большая цена подразумевают большую долговечность и надёжность аппарата, но нарушение правил эксплуатации приведет к поломке даже сверхпрочного агрегата. Увеличение функциональности и комплектности при невысокой стоимости на поверку оказывается простым способом отвлечь покупателя от низкого качества основных агрегатов.
Если у Вас уже есть опыт использования моек, отраженных в рейтинге, поделитесь своим мнением в комментарии. Или расскажите нам о другой достойной внимания модели!
Топовые лучшие дешевые пеногенераторы
Модели, отличающиеся низкой ценой, пользуются большим спросом на рынке. Они идеально подходят для бытового использования. Устройства характеризуются небольшой мощностью, практичностью и приемлемой стоимостью.
Кайдзен М-2

Несмотря на низкую стоимость, модель отличается достойным качеством, долговечностью и удобством использования. Модель специально создана для качественной бесконтактной мойки автомобилей в домашних условиях. Также приспособление идеально подходит для химчистки ковровых покрытий и мягкой мебели, прочистки засоров канализационных труб и многого другого. Минимойка работает от любого автомобильного насоса, то есть без сети 220 Вольт и водопровода. Модель отличается экономичным расходом воды и химических веществ. Устройство оснащено 13 литровым баком. Аппарат генерирует пену в две фазы: газация и циклон. Она получается мягкой, густой, с мелкими ячейками.
Средняя стоимость: 1500 рублей.
Кайдзен М-2
Достоинства:
- приемлемая стоимость;
- простота применения;
- удобство использования;
- мелкозернистая, густая пена.
Недостатки:
Муссон М-4

Бытовой моечный комплекс М-4 — это уникальная минимойка для бесконтактного мытья автомобиля. Модель отличается набором уникальных свойств. Для очищения поверхности не нужны тряпки, щетки и губки. Устройству не требуется подключение к сети. Достаточно подключить его к любому источнику сжатого воздуха. Пена получается легкая и мягкая.
Средняя стоимость: 1600 рублей.
Муссон М-4
Достоинства:
- компактность;
- простота применения;
- низкая стоимость;
- удобная конструкция.
Недостатки:
DAW 10 DAEWOO EXPERT

Устройство одно из наиболее компактных и недорогих. Несмотря на свои небольшие размеры пеногенератор легко справляется с поставленными задачами. Длина шланга составляет 10 метров, этого размера достаточно, чтобы вымыть автомобиль со всех сторон. Специальный индикатор позволяет отслеживать количество моющего средства в колбе. Образует стойкую густую пену Плавная регулировка подачи моющего средства. Модель оборудована лучшим в ценовой категории фильтром тонкой очистки, который защищает компоненты от твердых частиц. В комплекте идет пистолет с металлическим соплом, армированный шланг и емкость в 0.5 литра. Предусмотрен самостоятельный забор воды, но можно подключиться к системе водопровода. Однако некоторые комплектующие придется докупать, например, быстросъемный коннектор.
Средняя стоимость: 1100 рублей.
DAW 10 DAEWOO EXPERT
Достоинства:
- плавная регулировка подачи моющего средства;
- небольшая стоимость;
- стойкая и густая пена.
Недостатки:
Устройство и принцип работы

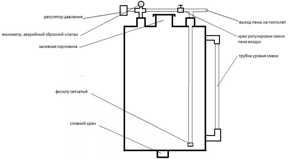
Обработка пеной – эффективный способ бесконтактной мойки автомобиля, исключающий повреждение покрытия кузова. Подачу мелкодисперсной пены на поверхность обеспечивает пеногенератор (или пеноген). Главные элементы этого аппарата – баллон, элементы смесителя, выносной пистолет.
Принцип работы простой: пена в приборе получается под действием раздробленной струи сжатого воздуха, идущей через пенообразователь – шампунь для мойки авто. В результате преобразований получается смесь для обработки машин.
Самостоятельно работать пеноген не может, поскольку требуется подача сжатого воздуха. Для этого на баллоне предусмотрен специальный штуцер для подключения компрессора. Рабочее давление пеногена – 5 – 6 Бар. Контроль давления осуществляется регулятором.
Основным элементом смесителя является так называемая пенообразующая таблетка. В действительности же она представляет собой мелкоячеистую сетку, сложенную в несколько слоев и изготовленную устойчивой к коррозии проволоки.

Таблетка монтируется в корпус, установленный на баллоне. Эта деталь разбивает подающуюся на нее пену на фракцию высокой плотности. Затем готовый состав поступает на пистолет и подается на кузов авто. Для интенсивности подачи пены на пистолете предусмотрен регулятор.
По такому же принципу работает еще одно оборудование для бесконтактной мойки – спреер. Но в отличие от пеногенератора у него на выходе из пистолета образуется эмульсия, у которой моющий эффект гораздо ниже, чем у пены.
У спреера нельзя отрегулировать степень подачи эмульсии, этим он кардинально отличается от пеногена. Плюс к этому, эмульсия – иное состояние моющего средства, нежели пена, поэтому для ее распыления нужна форсунка с увеличенным отверстием. По эффективности мойки пеногенератор в разы превосходит спреер.
Как выбрать пеногенератор для автомойки
При покупке лучшего пеногенератора нужно обращать внимание на несколько технических характеристик. От них будет зависеть удобство использования агрегата, его надежность и скорость обработки автомобилей
Материал изготовления
Пеногенераторы для автомойки могут поставляться в пластиковом, композитном или металлическом корпусе. Лучшим вариантом считаются устройства со стальным баком и латунными составляющими. Они не повреждаются при ударах и не окисляются от постоянного контакта с моющими веществами. Алюминиевые пеногенераторы не боятся перепадов температур и агрессивных жидкостей. Но у них есть недостаток — они не очень устойчивы к механическому воздействию.
Что касается пластиковых пенообразователей для автомойки, то они недолговечны, часто деформируются и трескаются. Их лучшим достоинством можно считать низкую стоимость.
Мощность
При выборе пеногенератора необходимо учитывать показатели его мощности. А именно:
- рабочее давление, оно должно составлять от 5 до 8 бар;
- производительность, лучший пеногенератор должен пропускать около 12 л раствора за минуту.
Если использовать агрегат предстоит на коммерческой автомойке, то показатели нужно выбирать повыше, иначе обработка машин займет много времени.
Длина шланга и высота подачи пены
В категорию лучших попадают пеногенераторы с длиной шланга и высотой пенной струи от 6 м. Они позволяют обрабатывать автомобиль даже в труднодоступных участках.
Наличие распыляющих насадок
В комплекте с пеногенератором для автомойки должны быть насадки для широкого распыления пены и ее точечной подачи. При необходимости их можно купить отдельно, но это связано с дополнительными тратами.
Размер горловины
Металлическая или пластиковая горловина устройства должна быть достаточно широкой для комфортного добавления жидкости. Обязательно наличие плотной крышки, удобно, если предусмотрен сливной клапан для отвода лишней воды.
Критерии выбора
Для того, чтобы приобрести качественное устройство, которое прослужит длительный период, следует учитывать следующие критерии:
Материал, из которого сделан прибор
Материал, из которого сделана помпа, отвечает за срок эксплуатации
Выбирая подходящую модель нужно особое внимание уделять материалу. Различают следующие материалы, которые могут использоваться:
- пластик – используется в дешевых моделях. Имеет не длительный срок эксплуатации, и часто повреждается при механическом воздействии;
- композит – быстро повреждается при механическом воздействии;
- латунь – имеет высокую устойчивость и практически не окисляется.
Для моделей средней ценовой категории часто используется алюминиевый сплав. Материал переносит смену температуры, но при ударах легко повреждается.
Мощность

Пеногенераторы в домашних условиях чаще всего используются для мойки автомобиля. Поэтому для бытового использования могут выбираться приборы средней мощности.
Длина шланга
От данного критерия зависит комфорт в использовании прибора. Шланг высокого давления должен быть более 6 метров. Таким образом, во время мытья автомобиля можно обрабатывать все труднодоступные участки
Также нужно обращать внимание, чтобы на приборе было предусмотрено место для хранения шланга. Это делает модель более компактной
Наличие распыляющих насадок

Выбирая прибор, следует уделять внимание насадкам, которые идут в комплекте. Часто используются насадки для распыления и точечного нанесения пены
Если таковых в комплекте нет, их придется приобретать отдельно.
Размер горловины
От размера горловины зависит комфорт при заливании жидкости. Также необходимо выбирать модели с плотной крышкой и клапаном, для сливания лишней воды.
4 Idrobase Karcher 9.605-731.0
Karcher Idrobase привлекает огромной емкостью для мойки: 50 литров хватает на несколько авто. Модель работает от сжатого воздуха, подсоединяется к компрессору. Тонкая длинная трубка позволяет точечно наносить пену и дезинфицирующий раствор на поверхности. Пеногенератором удобно очищать труднодоступные участки.
Karcher Idrobase позволяет наносить пену высотой до 6 метров. Производитель обещает существенную экономию автохимии, 30 грамм достаточно на всю машину. Отзывы подтверждают, что в умелых руках процесс занимает до 10 минут. Устройство дорогое, но и комплектация самая внушительная: пистолет, копье из нержавеющей стали, веерный форсунок, манометр и нейлоновый шланг на 10 метров.
























































