Виды и типы оборудования
Для успешной замены электросчётчиков нужно иметь представление об их классификации, так как от неё зависит способ установки.По принципу действия различают:
- индукционные электросчётчики;
- электронные счётчики;
- двухтарифные счётчики.
По способу подключения различают:
- однофазные счётчики;
- трёхфазные счётчики.
Вне зависимости от принципа работы, электросчётчики могут быть как однофазными, так и трёхфазными. Есть только одно исключение: двухтарифный счётчик всегда трёхфазный. Индукционные – наиболее старая разновидность электросчётчика, которую легко узнать по крутящемуся магнитному диску, который крутится тем быстрее, чем больший расход электричества. Cкорее всего, именно их вы и будете менять на более современный.
Электронные счётчики сегодня наиболее популярные. Они точнее считают, а некоторые позволяют передавать показания напрямую поставщику электричества.
Двухтарифный электросчётчик — разновидность электронного, который программируется на два тарифа: дневной и ночной.
Некоторые поставщики электричества предоставляют свои услуги по такому тарифу, который позволяет экономить электричество при его большом потреблении.
Возможно, Вас заинтересует статья об однофазных электросчетчиках Меркурий. Статью о том, как снять показания с трехтарифного счетчика электроэнергии, читайте здесь.
Схемы подключения трансформаторов
От того, какая схема подключения трехфазного счетчика через трансформаторы тока используется в данном случае, зависит надёжность работы всей измерительной системы в целом. При выборе той или иной из них необходимо учитывать следующие требования:
- Запрещено включать счетчик через трансформаторы тока, если он предназначен для прямого подсоединения в измерительную сеть;
- При косвенном включении необходимо исследовать электрическую схему и определиться с подходящей для неё моделью трансформатора (по мощности и току);
Важно! Перед тем, как выбрать трансформатор для каждой конкретной ситуации, прежде всего, следует обратить внимание на его коэффициент преобразования, имеющий отличные значения для разных моделей. Прежде чем выбрать трансформатор тока для определённой измерительной схемы нужно внимательно изучить порядок расположения контактов, к которым подключается трехфазный счетчик
Прежде чем выбрать трансформатор тока для определённой измерительной схемы нужно внимательно изучить порядок расположения контактов, к которым подключается трехфазный счетчик
Прежде чем выбрать трансформатор тока для определённой измерительной схемы нужно внимательно изучить порядок расположения контактов, к которым подключается трехфазный счетчик.
Далее будет рассмотрена конкретная схема подключения счетчика в трёхфазную цепь (смотрите рисунок ниже).
Принципиальная схема включения
Поскольку общий принцип функционирования всех электросчетчиков одинаков, то назначение имеющихся на них клемм также схоже. Для фазы «А» оно выглядит следующим образом:
- Контакт К1 нужен для того, чтобы подключать к счётчику токовый провод и один конец катушки напряжения трансформатора;
- Клемма К2 предназначена для подключения нагрузки к данной фазной линии;
- Контакт К3 используется для подсоединения второго конца обмотки напряжения ТТ.
Таким же образом к счётчику подключается вторая фаза «В» (посредством клемм К4, К5 и К6), а также третья – «С» с контактами К7, К8, К9.
Обратите внимание! Клемма К10 – общая нулевая, относительно её на К1, К4 и К7 счётчика поступают фазные напряжения со следующими тремя обозначениями: «А», «В» и «С». К недостаткам совмещённой схемы следует отнести большую погрешность измерения потребляемой мощности, а также невозможность выявления пробоя в обмотках трансформатора. К недостаткам совмещённой схемы следует отнести большую погрешность измерения потребляемой мощности, а также невозможность выявления пробоя в обмотках трансформатора
К недостаткам совмещённой схемы следует отнести большую погрешность измерения потребляемой мощности, а также невозможность выявления пробоя в обмотках трансформатора.
На практике чаще всего применяется более простая схема подключения электросчетчика, согласно которой осуществляется совмещённое подсоединение вторичных токовых цепей. Она функционирует следующим образом:
- К токовому контакту счётчика от сетевого автомата подключаются фазные провода. Для упрощения схемы к нему же подсоединяется вторая клемма фазного напряжения;
- Фазный ввод катушки выбираем таким образом, чтобы он одновременно являлся выходом первичной обмотки ТТ. В дальнейшем он подсоединяется к нагрузке через распределительные цепи;
- Начало вторичной трансформаторной обмотки подсоединяется к первому контакту токовой катушки счетчика (по одной из фаз);
- Конец вторичной трансформаторной катушки соединён с концом токовой обмотки подключенного счётного механизма.
Аналогичным образом подключаются все оставшиеся фазы.
Соединение и заземление вторичных обмоток счётчика осуществляется в соответствии с требованиями ПУЭ (они выполняются по схеме «звезда»).
Образование полной звезды
Благодаря такой организации подключения контактов получается семипроводная схема (в отличие от 10-ти контактной). В заключение следует напомнить, что при подключении через ТТ важен грамотный выбор его типа.
Правильно выбрать трансформатор тока, значит, принять в расчет, что максимально допустимое токовое значение во вторичной обмотке не может превышать 40% от номинала, а минимальное – 5%. Все подключаемые к счётчику фазные напряжения должны следовать в определенном порядке, который контролируется посредством специального прибора (фазометра).
Подключение счетчика электроэнергии в низковольтную сеть большой мощности
В одной из предыдущих статей мы уже рассматривали измерительные трансформаторы тока, их сферы применения, технические характеристики и особенности режима работы.
Как отмечалось ранее, для подключения счетчика в сеть большой мощности (с большими токами) необходимо применять специальные устройства — измерительные трансформаторы тока. Речь идет о низковольтных сетях до 0,66 кВ, где уровень номинального тока 100 А и выше. Счетчики прямого включения не предназначены для использования в таких мощных сетях, поэтому и требуется снизить уровень рабочего тока до величины, удобной для измерения приборами учета — 5 А.

Способ подключения в сеть счетчика, при котором токовые обмотки счетчика подключаются к измерительным выводам трансформатора тока называют полукосвенным. При этом способе подключения счетчика используется рабочее напряжение сети (обмотки напряжения подключаются к электросчетчику напрямую).
Существует также и косвенный способ подключения счетчика, однако он применяется для учета электроэнергии в установках с напряжением более 1 кВ. При косвенном подключении счетчика кроме трансформаторов тока применяются трансформаторы напряжения, снижающие высокое значение напряжение до 100 В.
Класс точности и его значение для учета электроэнергии
Правила Устройства Электроустановок (сокращенно ПУЭ) устанавливают классы точности для трансформаторов тока различных категорий применений. Так, для коммерческого учета должны устанавливаться трансформаторы тока с классом точности не более 0,5, а для технического учета необходим класс точности не выше 1,0.
Также встречаются трансформаторы тока с практически одинаковыми классами точности 0,5 и 0,5S. В чем заключается между ними разница? Погрешность обмотки ТТ с классом точности 0,5 не нормируется ниже 5%. Это значит, что при нагрузке в главной цепи ниже 5% электрическая энергия не будет учитываться. Класс точности 0,5S говорит о том, что трансформатор тока будет передавать сигнал на счетчик при уровне нагрузки не ниже 1%.
Схемы подключения счетчика через трансформаторы тока
Подключить трехфазный счетчик электроэнергии в мощную низковольтную сеть с глухозаземленной нейтралью можно по приведенным ниже схемам.

Цепи тока и напряжения в этой схеме, которую еще называют «десятипроводной» (по количеству используемых проводов), разделены. Подобное разделение цепей напряжения и тока позволяет повысить электробезопасность и легко проверять правильность подключения.
Следующая схема, в которой все выводы И2 измерительных трансформаторов тока соединяются в общую точку и присоединяются к нулевому проводнику, называется «звезда» (т. к. трансформаторы тока соединены по одноименной схеме). Она экономична с точки зрения использования проводов, однако усложняет проверку схемы включения счетчика представителями энергоснабжающих организаций.

«Семипроводная» схема на сегодняшний день является устаревшей, но так или иначе до сих пор встречается. Эта схема, будучи самой экономичной, опасна для обслуживающего персонала и потому должна быть модернизирована до десятипроводной.

Подключения счетчика электроэнергии через переходную испытательную коробку (КИП)

Как указано в ПУЭ (п 1.5.23.), подключать трехфазные счетчики электроэнергии следует через испытательные коробки, упомянутые выше. Они (коробки испытательные переходные) позволяют производить замену счетчика, не отключая нагрузку, так как все необходимые переключения можно произвести в КИП.

Также встречаются низковольтные сети с изолированной нейтралью (система IT). Если быть более точным, то в сети с такой системой заземления нейтральный проводник может быть как полностью изолирован, так и заземлен при помощи специальных приборов, обладающих большим электрическим сопротивлением.
Такая система (IT) применяется на объектах, к которым предъявляются высокие требования по надежности и безопасности электроснабжения. Например, изолированная система IT применяется для электрических установок угольных шахт, для мобильных дизельных и бензиновых электростанций, а также для аварийного освещения и электроснабжения больниц. Подключить счетчик электроэнергии к трансформаторам тока в сеть с изолированной нейтралью можно по следующей схеме.

Измерительные трансформаторы тока — это устройства, преобразующие большие значения тока главных цепей до величины 5 А, удобной для измерения счетчиками электроэнергии. Именно это и определяет их основное назначение: питание цепей учета электроэнергии (коммерческий и технический) в мощных установках, там где счетчики прямого включения просто не могут применяться.
Источник
В домах с высоким энергопотреблением
Прибор также используется в домашних хозяйствах. В наших домах появляется все больше и больше электрических устройств, которые обычно характеризуются довольно высоким спросом на электроэнергию. Этот тип устройства подойдет, если наша электрическая установка адаптирована к данному типу подключения и мы хотим одновременно использовать:
- электрическое отопление;
- индукционную плиту;
- систему кондиционирования;
- много мелкой бытовой техники и электроники.
Для индукционных плит рекомендуется использовать трехфазную сеть и, соответственно, трехфазный счетчик электроэнергии.
Как установить однофазный электросчетчик
Поэтому крепление таких аппаратов пломбировалось инспекторами Энергонадзора.
Нулевой провод от вводного автомата идет либо напрямую на второй контакт электросчетчика, либо на него же, но через устройство защитного отключения УЗО. Вариант установки счётчика зависит от нескольких технических моментов. Перед подключением ведь все равно придется снять защитную крышку контактов, а именно на внутренней ее стороне и показано расположение подключаемых проводов.
Как подключить счетчик электроэнергии в частном доме на улице Правила установки электросчетчика в частном доме на улице не отличаются от правил внутридомового монтажа. Перегрев самого оборудования, который в кратчайшие сроки выведет его из строя.Подключение счетчика в подъезде Для начала нужно сделать ответвления от питающей линии. В этом случае вы сможете сэкономить на электроэнергии. Многотарифные электросчетчики Потребление электроэнергии неравномерное в разное время суток.
По современным требованиям щиток с электросчетчиком должен быть установлен снаружи дачи или коттеджа. Они более надежны, компактны, а результат измерений выводится на дисплей. За счет этого изготовитель гарантирует, что провода будут подсоединены правильно. Поэтому крепление таких аппаратов пломбировалось инспекторами Энергонадзора.
Схемы подключения приборов учета электроэнергии
Если считать эти клеммы слева направо, то первая клемма — это приходящая фаза, вторая клемма — выходящая фаза. Римскими цифрами указан квартал, а арабскими, на обратной стороне — год даты госповерки. Им разрешается только включать автоматы защиты в распределительном отделении, если они сработают от перегрузки или короткого замыкания. Чаще всего он устанавливается в коридоре или у входной двери.
Как самостоятельно сделать проводку в доме читайте тут. При помощи специального механизма на обратной стороне, его можно зафиксировать на верхней рейке внутри бокса. После этого подаётся напряжение, включается электрическая нагрузка в виде бытовых потребителей и визуально определяется работа счётчика. На следующем рисунке изображена схема подключения электросчетчика. Тем более что электросчетчика и автоматов силового шкафа это правило касается в первую очередь.
В квартирах монтаж электросчетчиков производится на лестничной площадке. Если эти приборы размещены в приватизированной квартире, в гараже, в бытовом помещении или в пределах границы коттеджного или дачного участка, то их установку, обслуживание и замену осуществляет владелец собственности.
Монтаж щитка ввода СИП и счетчика своими руками

Монтаж щитка ввода СИП и счетчика своими руками
Прямое включение трёхфазного прибора
Наиболее простым способом подключения, который напоминает стандартную схему установки счётчика однофазного типа является прямое включение прибора контроля потребления электроэнергии. Основной отличительной чертой таких устройств является наличие большего количества клеммных контактов, чем в однофазных аналогах. В свою очередь, сам монтажный процесс трёхфазного прибора «Меркурий» заключается в определённой последовательности действий.
Читать также: Инверторный стабилизатор напряжения с двойным преобразованием
- Подводящие проводники зачищаются от изоляции и подключаются к защитному автоматическому выключателю трёхфазного типа.
- Сразу за автоматом выполняется подключение фазных жил в количестве 3 шт. к парным клеммным контактам начиная с правой стороны прибора. Соответственно вывод фазной проводки выполняется с нечётных зажимов.
- Подключение нулевого проводника выполняется соответственно к двум оставшимся контактам 7 и 8.
- Сразу за электрическим счётчиком монтируются трёхполюсные защитные автоматы.
- К счётчику «Меркурий» можно подключать и стандартное бытовое оборудование. С этой целью необходимо выполнить отводку однополюсного автомата от любого фазного провода и, естественно, от нулевой клеммы.
Если запланирована установка нескольких потребителей однофазного типа, то они должны равномерно распределяться, для чего подключаются через автоматы с разных фазных проводников, взятых сразу после электросчётчика.
Подключение электросчетчика с трансформаторами тока
Одной из важнейших характеристик любого электросчетчика является его номинальный ток. То есть ток, который прибор может не только посчитать, но и долговременно через себя пропускать. Если в вашем доме стоит очень мощное оборудование, а потребляемый им ток имеет большие значения, то подобрать подходящий электросчетчик не удастся – счетчиков для таких мощностей просто не существует в природе. Как тут быть? Выход из положения – установка трансформаторов тока (ТТ).
Как работает и для чего нужен
Основной задачей прибора является пропорциональное преобразование тока одной величины в ток другой. Конструктивно изделие представляет собой железный сердечник, на котором размещены две обмотки. Первая включается в разрыв сети, состояние которой нужно контролировать, а вторая – к электросчетчику. Электроэнергия, проходя по первой обмотке, будет наводить ЭДС во второй, а отношение токов в этих катушках будет пропорционально отношению количества их витков.
Принцип работы токового трансформатора
Если, к примеру, первичная обмотка имеет 2 витка, а вторичная 20, то введенный во вторичной обмотке ток будет в 10 раз ниже тока первичной. В этом случае говорят, что коэффициент трансформации прибора 10 к 1 (10/1). Предположим, ваш токарный станок потребляет ток в 200 А. Такую мощность не выдержит ни один электросчетчик. Но если вы подключите прибор через ТТ, рассмотренный выше, то максимальная нагрузка через счетчик не будет превышать 200/10 = 20 А.
Совсем другое дело – токи такой величины легко сможет контролировать практически любой электросчетчик. Подбирая трансформаторы с тем или иным коэффициентом трансформации, вы легко можете вести учет расхода электроэнергии практически любой мощности обычными электросчетчиками.
Как подключить ТТ к трехфазной сети
А теперь о схеме включения счетчика через ТТ. Конечно, она будет несколько сложнее конструкции прямого включения, но не настолько, чтобы в ней не разобрался человек, имеющий представление о простейших электрических цепях.
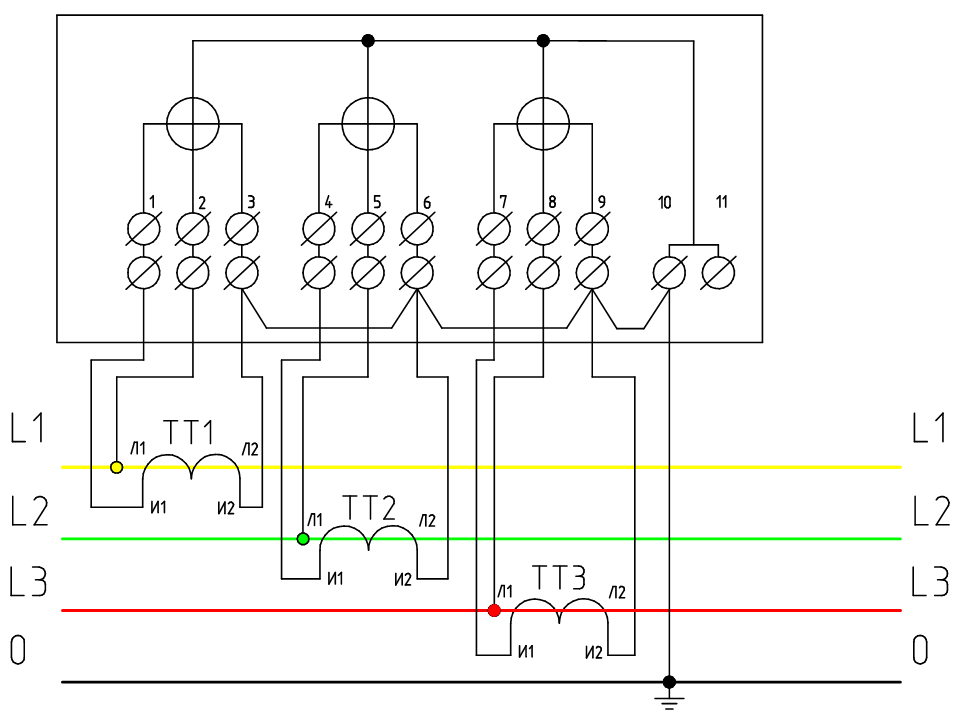
Схема подключения трехфазного счетчика через трансформаторы тока
В этой схеме электросчетчик подключен не в разрыв сетевых проводов, а ко вторичным обмоткам ТТ, которые обозначены как И1, И2. А в этот самый разрыв подключены первичные обмотки трансформатора (на схеме Л1, Л2).
Прежде чем взяться за сборку вышеприведенной схемы, необходимо четко разобраться в нескольких вопросах. От правильного их решения будет зависеть не только безопасная и долговременная работа схемы, но и ее работоспособность. Вот основные из них:
- Правильный выбор сечения монтажных проводов.
- Фазировка катушек ТТ.
Если вы не врезаете ТТ непосредственно в линию, то соединяющие провода первичной обмотки должны иметь то же сечение, что и проводка линии. Проводники, соединяющие ТТ и счетчик, конечно, могут быть тоньше, но они должны уверенно выдерживать ток, обозначенный на корпусе электросчетчика.
На фазировку (правильное подключение концов катушек) ТТ нужно обратить особое внимание. В противном случае прибор учета либо не заработает, либо будет врать, а то и закрутится в другую сторону, если он двунаправленный. Как разобраться с фазировкой? В этом поможет рисунок ниже:
Как разобраться с фазировкой? В этом поможет рисунок ниже:
Набор токовых трансформаторов для трехфазной сети
Даже если ваши трансформаторы не совсем похожи на приведенные, особой разницы нет – в любом случае все выводы обмоток маркируются единообразно. Контакты первичной, силовой обмотки отличить несложно – они гораздо мощнее контактов вторичной и расположены с противоположных сторон изделия. Маркируются они Л1 и Л2. Выводы обмотки 2, подключаемой к электросчетчику, в этом варианте исполнения закрыты прозрачной крышкой и имеют обозначение И1, И2. Если взглянуть на схему подключения счетчика, то можно увидеть, что катушки не только должны быть подключены каждая на свое место, но и правильно сфазированы:
- Л1 – на ввод питающей линии;
- Л2 – выход на нагрузку;
- И1 – на ввод счетчика;
- И2 – выход счетчика.
Что касается расцветки корпуса ТТ, она условна и служит только для удобства монтажа. Фактически все три трансформатора абсолютно идентичны.
Как быть, если в вашем доме однофазная сеть, но ток потребления слишком велик для электросчетчика? Такая ситуация достаточно редка, но она случается. И здесь выручит токовый трансформатор, причем всего один. Как подключить однофазный электросчетчик через ТТ понятно из рисунка ниже:
Схема подключения однофазного электросчетчика с трансформатором тока
Подключение трехфазного счетчика прямого включения
13 Июл 2018г | Раздел: Электрика
Здравствуйте, уважаемые читатели сайта sesaga.ru. Для учета потребляемой электрической энергии в трехфазных четырехпроводных цепях переменного тока применяют трехфазные электрические счетчики, разделяющиеся по типу подключения на счетчики непосредственного включения, полукосвенного и косвенного включения.
Счетчики полукосвенного и косвенного включения предназначены для работы в мощных электрических сетях и применяются для учета энергии на крупных строительных объектах, промышленных предприятиях, заводах и т.п.
Счетчик измеряет потребляемую энергию с помощью разделительных трансформаторов тока, которые устанавливают на каждую фазу. Трансформаторы преобразуют входной сигнал тока до определенной величины, который затем поступает в измерительную часть счетчика.
Отсюда и происходит название способа включения, потому что в процессе измерения ток сначала проходит через трансформаторы и понижается до рабочего диапазона счетчика, и только потом попадает в его измерительную часть. Поэтому за счет применения трансформаторов счетчики косвенного и полукосвенного включения могут работать с нагрузкой в несколько раз превышающей их рабочий ток.
Счетчики непосредственного включения применяются для учета потребляемой энергии в электрической сети маломощного потребителя. Измерение электроэнергии осуществляется внутренней схемой самого счетчика, которая подключается непосредственно к трехфазной четырехпроводной сети переменного тока. И хотя такое включение ограничено максимальным током, который способен пропустить счетчик и ограничено величиной 100 Ампер, однако этого тока вполне достаточно для домашней электрической сети.
На примере трехфазного счетчика непосредственного включения «Энергомера» я расскажу Вам, как его включить в трехфазную сеть. В принципе, схема подключения дается в руководстве по эксплуатации и дополнительно изображена на корпусе счетчика, поэтому проблем с подключением возникнуть не должно. Однако эти схемы имеют один минус – на них не показано включение коммутационной аппаратуры.
Сейчас мы этот минус устраним. Итак. Для подключения нам понадобится счетчик, два автоматических выключателя и нулевая шинка. Автомат, который будет стоять на вводе (перед счетчиком), желательно установить четырехполюсный, чтобы при необходимости или возникновении аварийной ситуации можно было полностью отключить себя от линии.
Чтобы добраться до клеммной колодки необходимо открутить винт и снять нижнюю крышку. На рисунке винт обозначен кружком.
Сначала подключим вводной автомат. С выходных клемм автомата фазы А, В, С (белый провод) подключают на входные клеммы счетчика 1-3-5, а ноль N (синий провод) на клемму 7.
В процессе монтажа провод от изоляции очищают следующим образом: конец провода, подключаемый к выходной клемме автоматического выключателя, очищают от изоляции на длину 8 – 10 мм, а конец, подключаемый к клемме счетчика, очищают на длину 27 – 30 мм.
При подключении провода к счетчику откручивают оба винта контактного зажима. Провод вставляют до упора и первым закручивают верхний винт. Легким подергиванием провода убеждаются, что он плотно зажат и если зажат, то затягивают нижний винт.
Совет. Если счетчик предполагается использовать в частном доме или квартире, то монтаж внутренних соединений выполняется медным проводом сечением 4мм². Использовать провод сечением свыше 4мм² нет смысла, так как для домашнего потребителя Россеть более 15 кВт не дает и по техническим условиям вводной автомат разрешает устанавливать на нагрузку не более 25 Ампер. А рабочий ток медной жилы сечением 4мм² составляет приблизительно 32 Ампера, чего вполне достаточно.
Продолжаем. С выходных клемм счетчика 2-4-6 провода фаз А, В, С подключаются на входные клеммы автоматического выключателя, с выхода которого трехфазное напряжение поступает в домашнюю электрическую сеть. С клеммы 8 нулевой провод N подключается к нулевой шинке.
А вот как выглядит полная монтажная схема включения трехфазного счетчика.
Теперь если подать напряжение на счетчик, то на его лицевой панели должен зажечься световой индикатор «Сеть». А при подключении нагрузки световой индикатор «600 imp/kW•h» (или «400 imp/kW•h» — в зависимости от исполнения) должен мигать.
Также рекомендую посмотреть ролик о включении трехфазного счетчика прямого включения в трехфазную электрическую сеть.





































