Расчет гидравлически коротких трубопроводов
Первый случай:
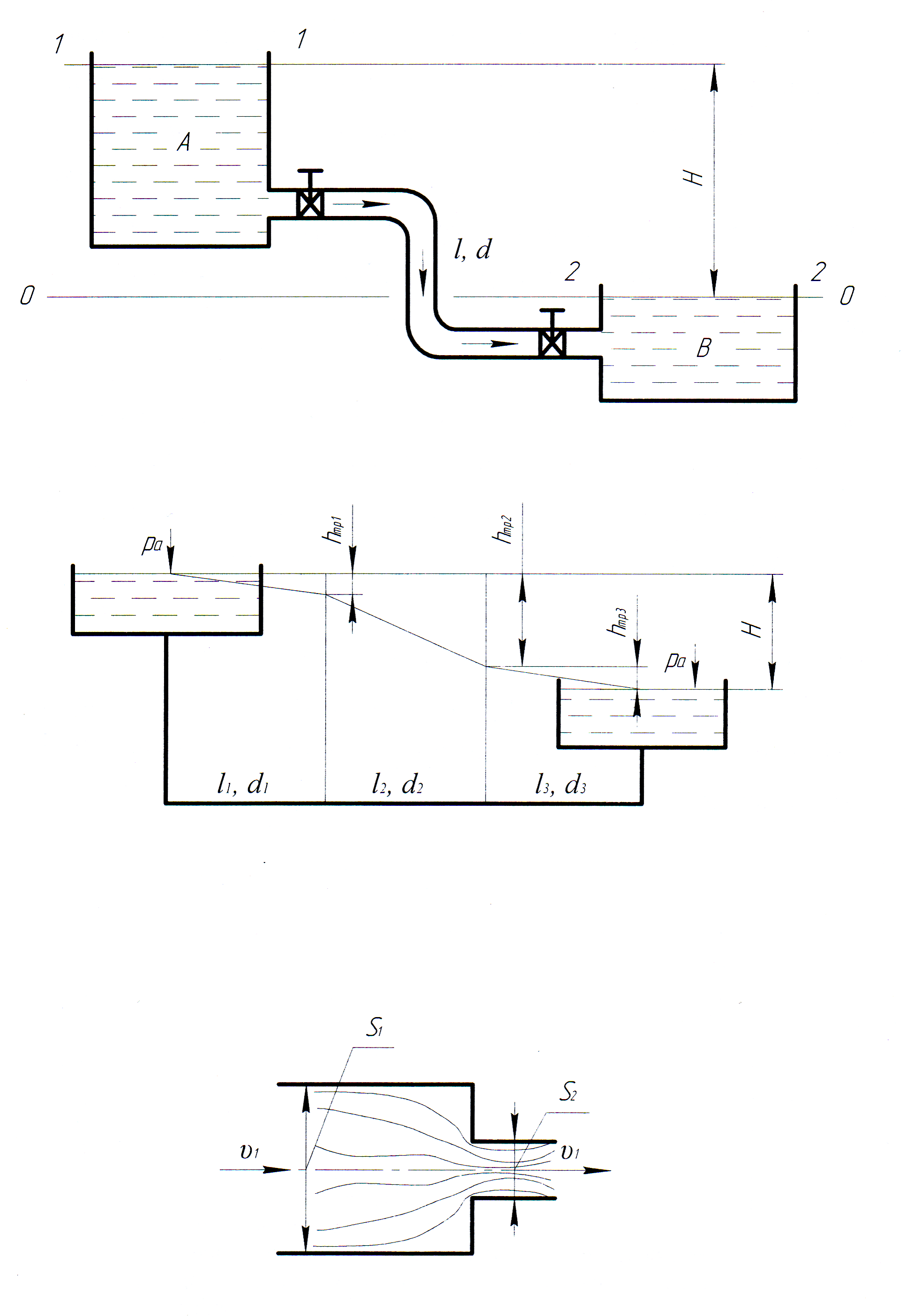
Истечение жидкости под уровень.

Рис. 43 Схема расчета короткого трубопровода (случай первый)
Жидкость перетекает из А в В. Длина трубы , диаметр


Пренебрегая скоростными напорами и
, уравнение Бернулли имеет вид:
(126)
Потери напора

(127)


(128)
Обозначим

Так как
,
то

(130)
(131)
Обозначим:

тогда
, (132)
где

м
Второй случай:
Истечение жидкости в атмосферу.
Рис. 44 Схема расчета короткого трубопровода (случай второй)
Из уравнения Бернулли для сечений 1 — 1 и 2 — 2, получим
(133)
где
(134)
Подставив, имеем
(135)
Обозначим
,
тогда
(136)
и
(137)
Расход жидкости:
(138)
или
(139)
где
— коэффициент расхода системы.
Пример. Определить расход керосина Т-1 при температуре
, протекающего по трубопроводу из сваренных труб из нержавеющей стали в пункты 1 и 2 (рис. 45), если напор Н в резервуаре постоянный и равный 7,2м. Длина отдельных частей трубопровода
, диаметры:
,
. Местные потери напора в расчетах не учитывать.

Рис. 45. Схема трубопровода с параллельными ветвями
Так как трубы 1 и 2параллельны, то потерянные напоры в этих трубах

или
(140)
По условию задачи размеры параллельных труб, изготовленных из одного материала, одинаковы (

) поэтому
и
Следовательно,
;
(141)
где



Уравнение Бернулли для сечений 0 — 0 и 1 — 1 (см. рис. 45)

Так как
,
,
,
,
то

или
(142)
Уравнение (142) можно решить только графоаналитическим способом. Задаемся разными значениями расхода жидкости в трубопроводе и для этих значений




(143)

По известным величинам







Для керосина Т — 1
,
.
У сварных труб из нержавеющей стали эквивалентная шероховатость
, поэтому относительная эквивалентная шероховатость труб
;
.
По известным величинам






Таблица 5
Расчет гидравлической характеристики трубопроводов
,
2 5 8
,
1,02 2,55 4,09 
2,04 5,10 8,18 
0,032 0,026 0,0245
,
0,053 0,332 0,851
,
0,312 1,54 3,83
,
0,795 1,99 3,19 
1,27 3,18, 5,10 
0,032 0,0285 0,028
,
0,0322 0,202 0,519
,
0,23 1,33 3,34
,
0,574 3,07 7,69
Подбор диаметра труб по заданной скорости теплоносителя.
| Подбор диаметра труб по скорости теплоносителя.(режим 80/60) |
Приведенное выше описание очень похоже на то, что происходит в двухтрубной тупиковой системе отопления.
В системе отопления есть свой завод, который производит тепло – это котел. Роль дорог играют трубопроводы. Теплоноситель – чаще вода, “везет” тепло к радиаторам, где оно расходуется, восполняя тепловые потери помещения. “Разгрузившаяся” остывшая вода вновь возвращается в котел, чтобы заправиться теплом. Процесс происходит постоянно.
Диаметр труб для системы отопления подбирается по тому же самому принципу, что и ширина дорог из нашего примера. Чем больше требуется передать тепла, которое несет вода, тем больше должен быть диаметр трубы. По мере уменьшения потребности в тепле на каждом отдельном участке, диаметр труб уменьшается.
Какое количество тепла может пропустить та или иная труба?
Опуская подробные объяснения и расчеты по известным формулам, скажем лишь, что одним из распространенных способов определения диаметров труб является задача скорости, с которой будет двигаться теплоноситель внутри трубы.
С одной стороны, скорость теплоносителя не должна быть меньше 0,25 м/сек. При меньших скоростях образуются воздушные пробки, препятствующие циркуляции теплоносителя.
| Подбор диаметра труб по скорости теплоносителя.(режим 75/60) |
А с другой стороны, она должна быть не выше 1,5 м/сек. При больших скоростях возникает шум от двигающегося внутри труб теплоносителя.
Практикой и расчетами установлено, что скорость теплоносителя, лежащая в пределах 0,3 – 0,7 м/сек является самой оптимальной с точки зрения энергоэффективности и затрат на материал.
В таблицах приведены скорости движения воды по трубопроводу в зависимости от тепловой нагрузки и диаметра труб.
В левом столбце вы видите тепловую нагрузку. Вверху – наружные диаметры полипропиленовых труб. В самой таблице проставлены значения скорости воды, двигающейся по трубам.
Красным цветом обозначены рекомендованные скорости для конкретного диаметра труб по заданной тепловой нагрузке.
Рассмотрим использование данных из таблицы на примере.
Пример подбора диаметра труб.
Предположим, у нас есть частный двухэтажный дом общей площадью 380 м2 с тепловыми потерями 38000 Вт.
Также расчетами установлено, что на первом этаже теплопотери составляют 20000 Вт, а на втором – 18000 Вт.
Тепловой режим взят 80/60. (80 оС – подача; 60 оС – обратка)
В качестве схемы мы избрали двухтрубную поэтажную тупиковую систему отопления, разделенную на каждом этаже на две равнонагруженные ветки (направление в два крыла).
Левая ветка первого и второго этажа |
|
Правая ветка первого и второго этажа |
|
Какой нужен диаметр труб основной подающей и обратной магистрали, подключенной к котлу?
Через нее проходит весь поток воды, предназначенный для обогрева всего дома. А это 38000 Вт.
Находим в таблице 38000 Вт и по горизонтали двигаемся к красному полю. Затем поднимаемся по вертикали и находим нужный диаметр трубы.
Как видим, для нашего случая подходят три диаметра трубы: 40, 50, 63. Какой выбрать? В данном случае, логично, что 40, потому что дешевле. Зачем нам для шести машин строить восьми полосную дорогу?
Мы дошли до первого разветвления. Часть тепла 20000 Вт должна пойти по трубопроводу на обогрев 1 этажа, а другая – 18000 Вт по стоякам поднимется на второй этаж. Какие трубы будут нужны нам теперь?
Смотрим по таблице скорость теплоносителя и соответствующие диаметры труб.
Как видим, нужно использовать 32 трубу и для первого и для второго этажа.
В согласии с данными из примера на каждом этаже трубы разделяются на две равнозначных по тепловой нагрузке ветки.
Для первого этажа каждая из веток несет тепло, равное 20000 / 2 = 10000 Вт.
Для второго этажа – 18000 / 2 = 9000 Вт.
Какие трубы будем использовать для каждой ветки? Снова смотрим таблицу.
Итак, были выбраны трубы диаметром 25 мм.
Что дальше? Наконец, на пути каждой ветки начали встречаться радиаторы, которые стали постепенно снимать тепловую нагрузку с веток.
Глядя в таблицу, мы видим, что как только тепловая нагрузка упадет до 5000 Вт, можно будет перейти на трубы диаметром 20 мм и дальше оставшуюся разводку можно сделать этими трубами.
На практике переход на трубы диаметром 20 мм мы делаем при тепловой нагрузке 3000 Вт.
Порядок расчета сечения магистралей теплоснабжения
Размеры труб
Перед тем как рассчитать диаметр трубы отопления необходимо определиться с их основными геометрическими параметрами. Для этого нужно знать основные характеристики магистралей. К ним относятся не только эксплуатационные качества, но и размеры.
Каждый производитель указывает значение сечения труб – диаметр. Но фактически он зависит от толщины стенки и материала изготовления. Перед приобретением определенной модели трубопроводов нужно знать следующие особенности обозначения геометрических размеров:
- Расчёт диаметра полипропиленовых труб для отопления делается с учетом того, что производители указывают наружные габаритные размеры. Для вычисления полезного сечения необходимо отнять две толщины стенки,
- Для стальных и медных трубопроводов даются внутренние размеры.
Зная эти особенности можно делать расчет диаметра коллектора отопления, труб и других компонентов для монтажа.
Определение тепловой мощности системы
Как правильно подобрать диаметр труб для отопления и следует ли это делать без расчетных данных? Для небольшой системы отопления можно обойтись без сложных вычислений
Важно лишь знать следующие правила:
- Оптимальный диаметр труб с естественной циркуляцией отопления должен составлять от 30 до 40 мм,
- Для закрытой системы с принудительным движением теплоносителя следует использовать трубы меньшего сечения для создания оптимального давления и скорости потока воды.
Для точного вычисления рекомендуется использовать программа для расчета диаметра труб отопления. Если же их нет – можно воспользоваться приблизительными вычислениями. Сначала необходимо найти тепловую мощность системы. Для этого необходимо воспользоваться следующей формулой:
Q=(V*Δt*K)860
Где Q – рассчитываемая тепловая мощность отопления, кВт/ч, V – объем комнаты (дома), м³, Δt – разница между температурами на улице и в помещении, °С, К – расчетный коэффициент тепловых потерь дома, 860 – величина для перевода полученных значений в приемлемый формат кВт/ч.
Наибольшие затруднения при предварительном расчете диаметра пластиковых труб для отопления вызывает поправочный коэффициент К. Он зависит от теплоизоляции дома. Его лучше всего взять из данных таблицы.
| Коэффициент К | Степень теплоизоляции здания |
| 3-4 | Минимальная теплоизоляция |
| 2-2,9 | Минимальное утепление фасада – облицовка кирпичом. |
| 1-1,9 | Средний уровень теплоизоляции |
| 0,6-0,9 | Качественное утепление дома, установлены современные окна и двери |
В качестве примера расчета диаметров полипропиленовых труб для отопления можно вычислить требуемую тепловую мощность комнаты общим объемом 47 м³. При этом температура на улице будет -23°С, а в помещении +20°С. Соответственно разница Δt составит 43°С. Поправочный коэффициент возьмем равным 1,1. Тогда требуемая тепловая мощность составит.
Q=(47*43*1.1)/860=2.585 кВт/час
Следующий этап выбора диаметра трубы для отопления – определение оптимальной скорости движения теплоносителя.
Скорость воды в трубах
Таблица для расчета диаметра трубы отопления
Оптимальный напор теплоносителя в магистралях необходим для равномерного распределения тепловой энергии по радиаторам и батареям. Для правильного подбора диаметров труб отопления следует принимать оптимальные значения скорости продвижения воды в трубопроводах.
Стоит помнить, что при превышении интенсивности движения теплоносителя в системе могут возникать посторонние шумы. Поэтому данное значение должно быть равно от 0,36 до 0,7 м/с. Если параметр будет меньше – неизбежно возникнут дополнительные тепловые потери. При его превышении появятся построение шумы в трубопроводах и радиаторах.
Для окончательного расчета диаметра трубы отопления следует воспользоваться данными из таблицы, представленной ниже.
Подставляя в формулу расчета диаметра трубы отопления в полученные ранее значения можно определить, что оптимальный диаметр трубы для конкретного помещения составит 12 мм. Это лишь приблизительный расчет. На практике специалисты рекомендуют к полученным значениям прибавить 10-15%. Это объясняется тем, что формула расчета диаметра трубы отопления может измениться из-за добавления новых компонентов в систему. Для точного вычисления потребуется специальная программа для расчета диаметра труб отопления. Подобные программные комплексы можно скачать в демоверсии с ограниченными возможностями расчетов.
Расчет диаметра труб
Расчет сечения труб должен опираться на результаты теплового расчета, обоснованные экономически:
- для двухтрубной системы – разность между tr (горячим теплоносителем) и to (охлажденным – обраткой);
- для однотрубной – расход теплоносителя G, кг/ч.
Кроме того, в расчете должна учитываться скорость движения рабочей жидкости (теплоносителя) — V . Ее оптимальная величина находится в диапазоне 0,3-0,7 м/с. Скорость обратно пропорциональна внутреннему диаметру трубы.
При скорости движения воды, равной 0,6 м/с в системе появляется характерный шум, если же она менее 0,2 м/с, появляется риск возникновения воздушных пробок.
Для расчетов потребуется еще одна скоростная характеристика – скорость теплопотока. Она обозначается буквой Q, измеряется в ваттах и выражается в количестве тепла, переданного в единицу времени
Q (Вт) = W (Дж)/t (с)
Кроме вышеперечисленных исходных данных для расчета потребуются параметры отопительной системы – длина каждого участка с указанием приборов, подключенных к нему. Эти данные для удобства можно свести в таблицу, пример которой приведен ниже.
Таблица параметров участков
| Обозначение участка | Длина участка в метрах | Количество приборов а участке, шт. |
| 1-2 | 1,8 | 1 |
| 2-3 | 3,0 | 1 |
| 3-4 | 2,8 | 2 |
| 4-5 | 2,9 | 2 |
Расчет диаметров труб достаточно сложный, поэтому проще воспользоваться справочными таблицами. Их можно найти на сайтах производителей труб, в СНиП или специальной литературе.
Монтажники при подборе диаметра труб пользуются правилом, выведенным на основании анализа большого числа отопительных систем. Правда, это касается только небольших частных домов и квартир. Практически все отопительные котлы оборудованы патрубками подачи и обратки ¾ и ½ дюйма. Такой трубой и выполняется разводка до первого разветвления. Далее на каждом участке размер трубы уменьшают на один шаг.
Такой подход не оправдывает себя, если в доме имеется два или более этажей. В этом случае приходится производит полноценный расчет и обращаться к таблицам.
Правила расчета
Есть стандартная таблица, где указаны параметры полипропиленовых труб. Но для того чтобы в ней ориентироваться, необходимы следующие действия:
- В зависимости от типа помещения, которое необходимо обогреть, следует выяснить количество тепловой мощности. Средний показатель составляет 1 кВт на 10 кв.м.
- Далее необходимо прибавить запас – примерно 20%.
Но тут важным моментом идет то, что такие вычисления производят в том случае, если стены уже утеплены, а высота потолка не превышает 3х метров. Также если это жилая комната, то необходимо учитывать наличие окон. Поэтому для них, обычно, приобретаются радиаторы (по одному под каждое окно).
Подбор диаметра труб отопления — Teplopraktik
Диаметр труб отопления зависит от того какой объем теплоносителя будет проходить через них. Очевидно, что на главном подающем трубопроводе, идущем от отопительного котла, диаметр будет больше, на ветке с тремя радиаторами он будет еще меньше, а на конечном радиаторе он будет самым маленьким. Соответственно диаметр трубы будет зависеть от общей тепловой мощности радиаторов, который питает данный трубопровод.
Кроме того диаметр трубопровода зависит от скорости движения теплоносителя в системе и от перепада температур подача/обратка. Чем выше этот перепад, тем меньше требуется диаметр трубопровода. Стандартный перепад температур – 20°С. В более комфортных системах этот перепад меньше – 10°С.
Отопительная система с циркуляционным насосом характеризуется высокой скоростью теплоносителя, система же с естественной циркуляцией обладает низкой скоростью, поэтому это обязательно надо учитывать при подборе труб отопления. Не стоит закладывать в расчет трубопроводов слишком большую скорость движения воды в трубах, т.к. это создаст различные неприятные шумы и журчание в трубах. При слишком низкой скорости же возникает риск образования воздушных пробок в системе. Скорость движения в трубах должна быть в пределах 0,4 – 0,6 м/с. Самотечная система характеризуется значительно более низкой скоростью теплоносителя, поэтому диаметр труб нужно выбирать больше.
Поэтому ниже мы укажем таблицы подбора диаметра труб для различных систем с указанными параметрами. В таблице используется подбор диаметра труб из различных материалов. Стальные трубы ВГП имеют обозначение по внутреннему диаметру, тогда как полипропиленовые, металлопластиковые и трубы из сшитого полиэтилена имеют обозначение по наружному диаметру. Это учтено в таблице подбора диаметров трубопроводов.
| Тепловая нагрузка, кВт | Необходимый внутренний диаметр трубы, мм | Подбор трубы для необходимого внутреннего диаметра: | ||
| ВГП стальные | Полипропилен | Сшитый полиэтилен | ||
| 50 | 39 | 1,5 дюйма (40мм) | 50 | 50 |
| 40 | 35 | 1,5 дюйма (40мм) | 50 | 50 |
| 30 | 30 | 1,25 дюйма (32мм), дюйм с четвертью) | 40 | 40 |
| 20 | 25 | 1 дюйм (25мм) | 32 | 32 |
| 15 | 21 | 1 дюйм (25мм) | 32 | 32 |
| 12 | 19 | 3/4 дюйма (20мм) | 25 | 25 |
| 10 | 17 | 3/4 дюйма (20мм) | 25 | 25 |
| 8 | 16 | 3/4 дюйма (20мм) | 25 | 25 |
| 6 | 14 | 1/2 дюйма (15мм) | 20 | 20 |
| 5 | 12 | 1/2 дюйма (15мм) | 20 | 20 |
| 4 | 11 | 1/2 дюйма (15мм) | 20 | 20 |
| 3 | 10 | 3/8 дюйма (10мм) | 16 | 16 |
| 2 | 8 | 3/8 дюйма (10мм) | 16 | 16 |
| 1 | 6 | 3/8 дюйма (10мм) | 16 | 16 |
| Тепловая нагрузка, кВт | Необходимый внутренний диаметр трубы, мм | Подбор трубы для необходимого внутреннего диаметра: | ||
| ВГП стальные | Полипропилен | Сшитый полиэтилен | ||
| 50 | 55 | 2 дюйма (50мм) | 63 | 63 |
| 40 | 48 | 2 дюйма (50мм) | 63 | 63 |
| 30 | 43 | 2 дюйма (50мм), либо 1,5 дюйма (40мм) | 63 | 63 |
| 20 | 35 | 1,5 дюйма (40мм) | 50 | 50 |
| 15 | 30 | 1,25 дюйма (32мм) | 40 | 40 |
| 12 | 27 | 1,25 дюйма (32мм) | 40 | 40 |
| 10 | 25 | 1 дюйм (25мм) | 32 | 32 |
| 8 | 22 | 1 дюйм (25мм) | 32 | 32 |
| 6 | 19 | 3/4 дюйма (20мм) | 25 | 25 |
| 5 | 17 | 3/4 дюйма (20мм) | 25 | 25 |
| 4 | 16 | 1/2 дюйма (15мм) | 20 | 20 |
| 3 | 13 | 1/2 дюйма (15мм) | 20 | 20 |
| 2 | 11 | 1/2 дюйма (15мм) | 16 | 16 |
| 1 | 8 | 1/2 дюйма (15мм) | 16 | 16 |
| Тепловая нагрузка, кВт | Необходимый внутренний диаметр трубы, мм | Подбор трубы для необходимого внутреннего диаметра: | ||
| ВГП стальные | Полипропилен | Сшитый полиэтилен | ||
| 30 | 48 | 2 дюйма (50мм) | 63 | 63 |
| 20 | 39 | 1,5 дюйма (40мм) | 50 | 50 |
| 15 | 34 | 1,5 дюйма (40мм) | 50 | 50 |
| 12 | 30 | 1,25 дюйма (32мм), (дюйм с четвертью) | 40 | 40 |
| 10 | 28 | 1,25 дюйма (32мм), (дюйм с четвертью) | 40 | 40 |
| 8 | 25 | 1 дюйм (25мм) | 32 | 32 |
| 6 | 21 | 3/4 дюйма (20мм) | 25 | 25 |
| 5 | 19 | 3/4 дюйма (20мм) | 25 | 25 |
| 4 | 17 | 3/4 дюйма (20мм) | 25 | 25 |
| 3 | 15 | 3/4 дюйма (20мм)) | 25 | 25 |
| 2 | 12 | 1/2 дюйма (15мм) | 20 | 20 |
| 1 | 10 | 1/2 дюйма (15мм) | 20 | 20 |
Пример использования: двухтрубная система с циркуляционным насосом, общая мощность 18 кВт.
Разводка выполнена полипропиленовой трубой, условное обозначение — ПП.
Как видим из схемы — вначале из котла выходит полипропиленовая труба, диаметром 40мм, внутренний просвет у нее 25мм, что соответствует металлической ВГП трубе в 1 дюйм (25мм). Далее идет отвод на бойлер (4 кВт) и теплые полы (2 кВт) двух ПП труб, диаметром 16мм. После этого часть теплоносителя отделилась, поэтому нет необходимости в такой толстой трубе. На отопление 1-ого и 2-ого этажей уже пойдет более тонкая труба — 32мм, она пойдет до первого тройника. На тройнике отделяется ветка на 1-ый этаж, диаметром 25мм, и на 2-ой этаж, также диаметром 25мм. К конечным радиаторам уже подходит полипропиленовая труба диаметром 16мм. И на 3-х последних радиаторах также идет заужение подающей трубы до 16мм.
В однотрубной системе, в отличие от двухтрубной по одному трубопроводу подается весь теплоноситель системы. Поэтому в такой системе весь трубопровод (после ответвления трубы на бойлер и теплый пол) будет диаметром 32мм, а к отдельным радиаторам от основного трубопровода будут подходить трубы 16мм.
teplopraktik.ru
Практика
Теория немногого стоит, если она не подкреплена практикой. Вот инструкция по выбору размеров, основанная на моем многолетнем практическом опыте.
Любой отопительный прибор можно смело подключать трубой диаметром ДУ 15 (1/2 дюйма). Ограничение одно: в системе ЦО многоквартирного дома подводка в обязательном порядке должна комплектоваться перемычкой, диаметром не уступающей стояку (как правило, ДУ 20 — ДУ25). При изменении конфигурации отопительной системы уменьшение диаметра стояка недопустимо;

Для подключения алюминиевых батарей использована полипропиленовая труба с наружным диаметром 20 мм. Ее внутреннее сечение соответствует стальной трубы ДУ 15.
В системе с принудительной циркуляцией в качестве розлива можно использовать трубу размером ДУ 25 или, при некотором увеличении скорости потока, ДУ 20;

На фото — участок разводки отопления в моем подвале. Использована полипропиленовая труба размером 25 мм.

Стояк отопления в многоквартирном доме. Размер трубы — ДУ 20.
В гравитационной (самотечной) системе отопления диаметр розлива увеличивается до ДУ 32 — ДУ 50. Дело в том, что увеличение внутреннего сечения трубы позволяет резко снизить ее гидравлическое сопротивление — важнейший параметр в контуре, циркуляция в котором обеспечивается лишь разницей в плотности горячей и холодной воды.
Расчет площади поверхности трубы
Труба представляет собой очень длинный цилиндр, и площадь поверхность трубы рассчитывается как площадь цилиндра. Для вычислений потребуется радиус (внутренний или наружный — зависит от того, какую поверхность вам надо рассчитать) и длина отрезка, который вам необходим.

Формула расчета боковой поверхности трубы
Чтобы найти боковую площадь цилиндра, перемножаем радиус и длину, полученное значение умножаем на два, а потом — на число «Пи», получаем искомую величину. При желании можно рассчитать поверхность одного метра, ее потом можно умножать на нужную длину.
Статья по теме: Строительство погреба
Для примера рассчитаем наружную поверхность куска трубы длиной 5 метров, с диаметром 12 см. Для начала высчитаем диаметр: делим диаметр на 2, получаем 6 см. Теперь все величины надо привести к одним единицам измерения. Так как площадь считается в квадратных метрах, то сантиметры переводим в метры. 6 см = 0,06 м. Дальше подставляем все в формулу: S = 2 * 3,14 * 0,06 * 5 = 1,884 м2. Если округлить, получится 1,9 м2.
На что обратить внимание при выборе
Для отопительного контура, где нестабильные входные параметры, правильнее применять армированные материалы.
Обратить внимание следует на такие характеристики:
- давление;
- толщину стенки;
- армирование;
- температурный режим;
- проходной диаметр.
Виды труб по предельно допустимому значению давления
Для правильно подбора руководствуются стандартом ТУ 2248-010-33137731-2012:
- PN 10 рассчитаны на давление в 10 бар при температуре теплоносителя не выше 40°С.
- PN 16 – 16 бар при температуре воды в 60°С, причем при существенных изменениях температурного режима эксплуатационные качества резко снижаются.
- PN 20 – 20 бар, рассчитаны на температуру до 80°С и рекомендованы для горячего водоснабжения.
- PN 25 – 25 бар — это только армированные изделия с температурным режимом, не превышающим 95°С, подходят для систем отопления в частных домах.

Цены на полипропиленовые трубы класса PN10
Полипропиленовые трубы PN 10
Устойчивость к высоким температурам
При маркировке труб производитель указывает температурный режим, на который изделия рассчитаны. Так, на армированных этот параметр равен – 90-95 °С, на обычном полипропилене – 60°С.
Исключена ржавчина
Главной положительной характеристикой полипропилена является коррозийная стойкость. Даже при самом некачественном теплоносителе, коллекторы не зарастают грязью. Благодаря идеально гладким стенкам исключается реакция, способствующая разрушению материала. При этом не следует забывать о радиаторах, которые перед зимней эксплуатацией желательно промыть от накопившейся грязи.

Низкий коэффициент теплопроводности
Пластик обладает плохой теплопроводностью, поэтому данный факт учитывается при устройстве отопления. Одинаковый температурный режим теплоносителя и стенки положительно влияет на отсутствие конденсата на поверхности контура, что и обусловило применение его для устройства теплых полов. Расчет мощности системы отопления производится исключительно по радиаторам.
Длительный срок эксплуатации
Производители наделили пластик характеристиками, позволяющими ему сохранять изначальные качества длительный срок, разумеется, при соблюдении эксплуатационных правил. Гарантийный период составляет более 25 лет.
Расчет диаметра труб для отопления
Правильный расчет диаметра труб поможет избежать избыточного расхода тепла, сбоев системы, прорывов или течи. Он позволит трубопроводу выдерживать тепловые нагрузки, которые передает теплоноситель. Основные характеристики труб для отопления включают такие параметры:
- Внутренний диаметр;
- Наружный диаметр;
- Условный диаметр.
Правильно подобранный диаметр труб – это необходимое условие для качественной работы всей системы отопления жилого дома. Формула расчета включает в себя следующие данные:
- Искомый диаметр труб;
- Тепловую мощность;
- Скорость движения теплоносителя;
- Разницу температуры при подаче и переработке воды.
Следует учитывать, что толщина труб имеет не меньшее значение, чем ее диаметр или давление.
Таблица для определения диаметра трубопровода:
Таблица для определения диаметра трубопровода
Одна из главных задач гидравлического расчета – определить оптимальное давление
Достаточно важно, чтобы давление, приводящее в движение теплоноситель, не превышало суммарного расхода. Давление на разных участках трубопровода может отличаться в связи с внутренней шероховатостью труб
Слишком большой диаметр труб для отопления будет провоцировать недостаточное давление в системе и нарушение циркуляции. Слишком маленький диаметр в свою очередь вызовет увеличенное давление и образование посторонних шумов при работе.
Диаметр и давление труб высчитываются с учетом тепловой нагрузки на магистрали. Тепловые нагрузки приравниваются к величине потока тепла на расчетном участке. Проводить подсчет самостоятельно довольно сложно, однако существуют различные программы для автоматизации процесса.












,




























