Лучшее отопление если нет газа
Если газ на вашей улице отсутствует (а это бывает довольно часто), то придется подбирать альтернативный источник получения тепла.
Твердотопливный котел будет неплохим вариантом. По сей день уголь является довольно доступным энергоносителем, но имеет ряд минусов:
- Требует постоянного взаимодействия. Уголь нужно постоянно подкидывать (если у вас не бункерный котел)
- Сложно регулировать температуру
- Необходимы дополнительные источники безопасности, такие как теплоаккумулятор. А это влечет за собой дополнительные расходы.
С электричеством часто проблемы в виду отсутствия нужной мощности, особенно если вы владелец большого дома. Мы бы предложили Вам смонтировать оба котла. В несильные холода использовать электрическое отопление, а когда будет не хватать тепла, пользоваться уже угольным котлом.
Здравствуйте, уважаемый Читатель!
Хочу рассказать вам о том, с какими системами отопления мне приходилось сталкиваться.
Какие-то эксплуатировал, какие-то собирал сам, в том числе и системы отопления частных домов.
Об их плюсах и минусах узнал многое, хотя, наверное, не всё. В результате для своего дома сделал:
- во-первых, собственную схему;
- во-вторых, вполне надёжную;
- в-третьих, допускающую модернизацию.
Что такое инфракрасный обогревательcolor
Инфракрасный обогреватель – — отопительный прибор, использующий в своей работе инфракрасное излучение и применяемый для основного или дополнительного отопления помещений, а также локальных зон уличного пространства либо рабочих мест в цеху.color>
Обогреватели, как правило, применяются для отопления помещений. В зависимости от способа теплоотдачи они могут быть конвективными или лучистыми.
Конвективные работают по принципу перемешивания холодного и горячего воздуха, при этом разность температур воздушной смеси на потолке и полу может достигать больших значений.
Лучистые передают тепло в основном за счёт инфракрасного излучения, размещают их над обогреваемой зоной или на потолках и стенах помещения.

Воздух если он не насыщен водяными парами, практически полностью пропускает лучистую энергию. Эта энергия непосредственно нагревает любые предметы, находящиеся на её пути, а они в свою очередь отдают тепло воздуху.
Что даёт значительный экономический эффект по сравнению с конвекционным отоплением которое расходует часть выработанного тепла для обогрева подпотолочного пространства где оно не нужно.
Кроме того инфракрасное излучение осязается человеком сразу после его включения что исключает необходимость предварительного обогрева помещения и позволяет существенно снизить затраты на отопление.
Устройство инфракрасного обогревателяcolor>
Основным элементом конструкции инфракрасного обогревателя является излучатель, генерирующий инфракрасное излучение. В целях обеспечения направленного излучения и защиты корпуса от перегрева за излучателем помещается отражатель из теплостойкого элемента.
Отражатель с обратной стороны покрывается теплоизолирующим материалом, что ещё больше сохраняет корпус от воздействия больших температур.
В случае применения обогревателя в местах, где находятся люди или животные излучатель закрывают металлической сеткой для исключения непроизвольного ожога или удара током.
Диапазон волны инфракрасного излученияcolor>
Диапазон волны инфракрасного излучения представляет собой электромагнитную волну находящуюся в интервале излучения от 0.74 мкм. до 2000 мкм.color>
Инфракрасные обогреватели это нагревательные приборы обеспечивающие передачу тепла от излучателя, имеющего высокую температуру к телам с более низкой температурой посредством электромагнитного (инфракрасного) излучения.
Инфракрасное излучение поглощается поверхностями, встречающимися на его пути превращаясь втепловую энергиюcolor>,
и от этих поверхностей нагревается воздух. Что позволяет существенно экономить энергию на обогрев пространства по сравнению с конвекционным отоплением. Длина волны инфракрасного диапазона излучения зависит от температуры нагрева излучателей установленных в инфракрасных обогревателях. Она находится в интервале от 0.74 мкм. до 2000 мкм. Зависимость длинны волны инфракрасного излучения от температуры, выражает закон смещения Вина. Графическое представление этого закона для различных температур показано на рисунке. Из графика видно, что площадь поверхности под кривой, относящейся к определённой температуре пропорциональна количеству лучистой энергии, и она сильно увеличивается при повышении температуры. Кроме того можно сделать вывод что длина волны λ при которой определяется максимальное значение кривой смещается при увеличивающейся температуре на меньшие величины.
Чугунные батареи
Чугунный вид обогревателей обладает множеством отличий от предыдущих, вышеописанных радиаторов. Теплоотдача рассматриваемого типа радиатора будет весьма низкой, если масса секций и их ёмкость слишком большая. На первый взгляд, эти приборы кажутся полностью бесполезными в современных системах обогрева. Но в то же время, классические «гармошки» МС-140 до сих пор имеют высокий спрос, так как они обладают большой прочностью к воздействиям коррозии и могут прослужить очень долго. На самом деле, МС-140 действительно могут прослужить больше 50-ти лет, без каких-либо проблем
Плюс ко всему, здесь неважно то, какой будет теплоноситель. Также, простые батареи из чугунного материала обладают высочайшей тепловой инерцией из-за своей огромной массы и вместительности
Означает это то, что, если отключить котёл радиатор всё равно будет оставаться тёплым на протяжении долгого времени. Но в то же время обогреватели из чугуна не имеют прочности при должном рабочем давлении. Поэтому их лучше не стоит использовать для сетей, имеющих высокое давление воды, так как это может повлечь за собой огромные риски.
Воздушное отопление
Из самого названия понятно, что отопление происходит нагретым воздухом. Воздух нагревается генератором тепла, а затем по каналам-воздуховодам поступает в помещения. По обратным каналам остывший воздух возвращается на подогрев. Довольно комфортная система.
Первым в истории теплогенератором была печь. Она нагревала воздух, который расходился по каналам в порядке естественной циркуляции. Такая система воздушного отопления использовалась в прошлых веках в продвинутых городских домах.
Сейчас используют самые разные теплогенераторы-котлы: газовые, твёрдотопливные, дизельные, электрические. Кроме естественной циркуляции используется и принудительная. Она, конечно, более эффективна:
- Во-первых, гораздо быстрее прогревает помещения;
- Во-вторых имеет более высокий КПД, так как гораздо эффективнее отводится тепло от теплогенератора;
- В-третьих, её можно объединить с системой кондиционирования.
Вы, наверное, уже поняли, что здесь частным домом и «не пахнет». Да, верно, для частного дома эта схема отопления слишком громоздка и дорога. Одни расчёты чего стоят, а если допустить ошибку, то она будет, как говорят, фатальной.
Но давайте не будем расстраиваться. Если хочется все-таки обогреваться воздухом – выход есть. Это камин.
Причем, на мой взгляд, не обычный камин-пожиратель дров, а показанная на рисунке выше чугунная каминная топка. Это идеальный вариант домашнего уютного дровяного теплогенератора. Он и предназначен именно для нагрева воздуха, а не кирпича, как традиционный камин.
Воздух заходит в подкаминное пространство (где дрова лежат для антуража), обтекает его нагретый корпус. Затем обтекает раскалённую дымовую трубу по коробу камина и выходит через отверстия в верхней части короба. Кстати, к этим отверстиям можно подвести воздуховоды и распределять горячий воздух по помещениям.
Вполне достойный вариант, только если делать с воздуховодами, то при строительстве нужно не забыть их уложить в стены и перекрытия. Кое-кто ставит ещё и поддув, создавая принудительную вентиляцию. Но это, по-моему, уже перебор. У камина приятно слушать потрескивание дров, а не шум вентилятора.
Думаю, стоит упомянуть ещё тепловентиляторы и тепловые пушки. Это, так сказать, мобильные воздухоотопительные установки. Очень полезные приборы, особенно когда основная система отопления не работает или нужно быстро «догреть» воздух в помещении. Но в качестве основного варианта отопления их, по-моему, нельзя рассматривать.
Как работают инфракрасные панели
Не секрет, что отапливаемая площадь намного больше поверхности обогревающих приборов. Высокая скорость обогрева помещения инфракрасными панелями отопления объясняется тем, что излучаемая ими энергия намного лучше поглощается поверхностью предметов. Если сравнивать обычными обогревателями, то в этом случае температура в комнате повышается в 4 раза быстрее.
Замечено, что особенно хорошо аккумулируется лучевое тепло мебелью, которая после накопления энергии сама превращается в источник обогрева. Во избежание утечек тепла на улицу не рекомендуется направлять лучи инфракрасных нагревательных панелей на поверхность стен, потолков, дверей и окон. Еще одно полезное качество приборов данного типа – они не выжигают кислород.

Именно по этой причине их используют для поддержания оптимальной температуры в таких помещениях:
Как рассчитать необходимую мощность радиатора?
Выбирая модели батарей, следует обратить внимание на их характеристики. Самые важные из них – рабочее давление и теплоотдача
Рабочее давление
Рабочее давление – показатель давления теплоносителя, который прибор способен выдержать без разрыва. Если говорить о распространенных сегодня алюминиевых радиаторах. то производителями указывается давление в границах от 6 до 16 атм. Чем ниже этот показатель, тем более прибор пригоден для использования в частном секторе – в домах, где подача тепла зависит от самого потребителя и не бывает скачков давления. И, наоборот: в квартиру рекомендуется купить радиатор отопления электрический с высоким показателем давления. Тогда прочному прибору будут не страшны перепады давления в централизованной системе.
Теплоотдача
Мощность теплоотдачи – показатель, который способна дать одна секция.
При стандартной глубине алюминиевого радиатора в 110-140 мм, высоте до 1000 мм и толщине до 3 мм, площадь обогрева составляет 0,4-0,6 квадратных метра. Высокий показатель теплоотдачи алюминиевого прибора увеличивается на 80%, если в конструкции батареи предусмотрены поперечные ребра.
Интересные приборы производит отечественная компания «Рифар». Внутренняя часть радиаторов выполняется из стали, а внешняя – из алюминия. Алюминиевые стенки мгновенно нагреваются, а внутренние стальные элементы прекрасно сохраняют тепло. Купить батареи отопления Рифар стоит из-за высоких показателей теплоотдачи, отличного качества сборки и предлагаемой производителем гарантии в 25 лет. Рифар — отопительные радиаторы цена на которые достаточно высока по сравнению с ценовой политикой конкурентов. Так, модель из серии «Монолит-500», состоящая из 10 секций, обойдется в 100-120 у.е. а «Монолит-350» — в 70-90. Но «Рифар», несомненно, заслуживает внимания.
Основные преимущества панельных радиаторов
Конструкция панельных радиаторов
Сначала нужно разобраться, чем стальные панельные батареи отопления отличаются от аналогичных алюминиевых и биметаллических. Конструктивно эти приборы теплоснабжения представляют собой вертикальные каналы для теплоносителя, которые с помощью теплообменных пластин соединяются с наружными панелями.
Из-за такого строения панельные батареи отопления получили ряд важных отличительных преимуществ:
- Низкая степень инерционности работы. Прогрев наружной поверхности происходит намного быстрее, чем у чугунных аналогов. Для дополнительной воздушной конвекции в верхней нижней части конструкции предусмотрены специальные цели. Через них происходит циркуляция воздуха и его дальнейший нагрев,
- Надежность. В отличие от секционных радиаторов, панельные имеют намного меньше механических стыков, что повышает их уровень надежности,
- Небольшой вес. Для крепления используются простейшие модели кронштейны для панельных радиаторов отопления. Это положительным образом сказывается на стоимости.
Однако наряду с этими качествами нужно учитывать и недостатки, которыми обладают стальные панельные радиаторы отопления. Прежде всего к ним относится подверженность коррозии. Если кислотность теплоносителя на высоком уровне, а также наблюдается большое количество кислорода в нем – велика вероятность появления ржавчины на внутренних стенках приборов. Дополнительно к этому панельное отопление не рекомендуется оставлять на долгое время без воды.
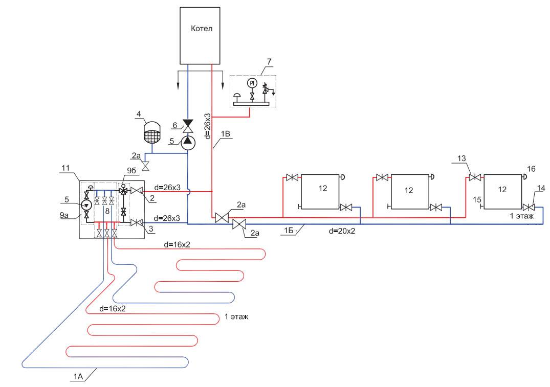
Схема с трехходовым клапаном
В подавляющем большинстве домов монтируют именно эту комбинированную систему теплых полов.


Спецификация материалов и оборудования

Она включает в себя:
наличие радиаторов отопления с нагревом до 70-80С
отдельный контур ТП со средней температурой воды в 40С
Главный вопрос здесь — как получить из 80 градусов идущих на батареи, поток воды для теплых полов в два раза меньшей температуры.
Проблема решается при помощи трехходового термостатического клапана.
Монтируется он на подающей трубе. При этом после него не забудьте поставить циркуляционный насос.
Более холодная вода берется из обратки теплого пола. Смешиваясь с горячей водой поступающей из котла, теплоноситель и приобретает пониженную температуру, необходимую для напольного отопления.
Недостатком такой схемы является то, что вы не сможете точно ограничить и отрегулировать поток остывшей воды из обратки. Чем это чревато?
Тем, что в трубки теплых полов периодически будет попадать как слишком остывшая вода, так и наоборот — перегретая сверх нормы.
Эффективность и комфорт всей системы из-за этого страдает.
Непридирчивый человек этого может и не заметить, тем не менее данные перепады температуры в этой схеме присутствуют, и от них никуда не деться. Конечно, временные отрезки подачи горячего и непрогретого теплоносителя могут компенсироваться тепловой инерцией бетона стяжки.
Но это все относительно. Никогда точно не рассчитаешь оптимальную толщину при таком обогреве.
Достоинства такой комбинированной схемы с трехходовым клапаном:
простой монтаж
доступная цена оборудования
Такой способ монтажа себя оправдывает, если у вас квартира или дом небольшой площади. Да и завышенными требованиями к суперкомфортным условиям проживания вы не страдаете.
Замкнутая система
Для частного дома замкнутая система отопления, по-моему, оптимальный вариант. Лучше сказать закрытая. Закрытая, значит не имеющая контакта с воздухом. Здесь появляются новые элементы:
- Мембранный бак-расширитель для компенсации расширения воды при нагревании;
- Циркуляционный насос для прокачки воды по системе;
- Группа безопасности – клапан подпитки (для добавления воды в систему при утечке), манометр, предохранительный клапан (для сброса пара при закипании воды).
Это более современный, эстетичный вариант. Здесь используются радиаторы, а чаще алюминиевые конвекторы, тонкие металлопластиковые или полипропиленовые трубы. Нет необходимости доливать воду, думать о наклоне труб, их можно вообще спрятать в стены или перекрытия.
Можно поставить красивые алюминиевые или биметаллические радиаторы, полотенцесушитель. Я использую два котла в одной системе – электрический котёл и водяной контур каминной топки. Как будто неплохо получилось.
Минус системы – без электроэнергии для циркуляционного насоса работать она не сможет. Более того, если топка «под парами», а электричество кончилось – может получиться «бумсик» с выбросом пара и большим шумом. По себе знаю. Такое впечатление, что по трубам стучат молотком.
Поэтому насос подключил к бесперебойному источнику (как у компьютера), чтобы было время безопасно остудить топку. А ещё выход предохранительного клапана – в канализацию.
Батареи биметаллические
Отвечая на вопрос о том, какой радиатор отопления лучше для частного дома, о приобретении модели именно этого типа стоит подумать в первую очередь. Биметаллические батареи на данный момент являются, пожалуй, самой популярной разновидностью подобного оборудования. В конструкцию радиаторов этого типа входят элементы, изготовленные из двух видов металла — алюминия и стали (либо меди). Отсюда и их название. К преимуществам биметаллических радиаторов, помимо всего прочего, можно отнести:
способность выдерживать очень большое давление теплоносителя (до 35 атм) и гидроудары;
привлекательный внешний вид;
долговечность (способны прослужить до 25 лет).
В общем, лучше всего подходят именно биметаллические радиаторы отопления для частного дома. Отзывы о моделях этого типа, имеющиеся в сети, указывают на это однозначно. Владельцы загородной недвижимости считают подобное оборудование очень качественным, удобным в монтаже и в эксплуатации. По внешнему виду такие радиаторы напоминают алюминиевые, но при этом являются гораздо более надежными. Конструкция у них такая, что они выглядят монолитным изделием. Поскольку эксплуатационные характеристики у таких батарей лучше чем у алюминиевых, стоят они немного дороже (примерно на 25%).

Какие лучше батареи для отопления квартиры: цены и дюжина топовых производителей
На отечественном рынке представлен широкий ассортимент современных батарей отопления для квартиры от самых разных производителей. Мы подобрали для вас топовые тройки производителей в каждом сегменте. Итак, рейтинг радиаторов отопления для квартиры:
Алюминиевые радиаторы:
Global Radiatori – итальянская фирма, занимающая лидирующее место в Европе по продажам алюминиевых приборов отопления. Продукция Global Radiatori адаптирована к российским условиям эксплуатации и имеет гарантию до 10 лет. Стоимость радиаторов – от 480 рублей за секцию
Global Radiatori, модель Global Style Plus 500/ 4
Sira Industrie – еще один итальянский производитель, стоявший у истоков производства алюминиевых радиаторов. Эта фирма предлагает покупателям широкий модельный ряд и бюджетные модели, доступные большинству покупателей. Цена за секцию – от 450 рублей
Sira Industrie, модель Sira Omega
Nami – продукция этой венгерской фирмы выделяется особой устойчивостью к неблагоприятным условиям эксплуатации, а это немаловажно для нас. Приборы Nami покрыты изнутри специальным составом, защищающим металл от коррозии и химических реакций
Цена секции – от 299 рублей
Nami, модель Therm Twice
Биметаллические радиаторы:
Radena – и снова Италия возглавляет список лучших. Помимо того, что батареи этого производителя подходят для российских условий эксплуатации, они отличаются изящным внешним дизайном, подходящим для любого интерьера. Цена секции – от 548 рублей
Radena, модель Radena 500
Rifar – отечественная продукция знаменита отличной теплоотдачей и возможностью нижнего подключения труб. Такое соединение выглядит намного аккуратней. Батареи прослужат минимум четверть века, а стоимость одной секции – от 500 рублей
Rifar, модель Monolit 500 12
Oasis – сочетание немецкого качества и доступных цен делают продукцию этой фирмы очень популярной в России. Батареи могут выдержать давление в 30 атмосфер, поэтому могут устанавливаться в домах с центральным отоплением. Цена секции – от 1000 рублей
Oasis, модель Oasis Al 350/80
Чугунные радиаторы:
Konner – российская фирма предлагает исключительно надежные батареи, созданные по новейшим технологиям. Достойное качество изделий подтверждено многочисленными международными наградами. Дизайнеры компании предлагают модели на любой вкус. Цена секции – от 790 рублей
Konner, модель Modern 500
Guratec –ретро-дизайн этих немецких радиаторов придется по вкусу любителям старины. Это настоящие шедевры, которые украсят вашу квартиру и прослужат верой и павдой не одно десятилетие. Цена секции – от 6000 рублей
Guratec, модель Merkur 470 8
Demir Dokum – турецкий производитель имеет большой опыт в изготовлении подобных изделий. Он предлагает шесть линеек изделий для разного интерьера. Внешний вид и качество радиаторов достойны самой высокой оценки. Цена секции – от 1250 рублей
Demir Dokum, модель Historic 350/09 9
Стальные радиаторы:
Buderus –старейшая немецкая фирма имеет более 250 лет истории. Сегодня она производит и стальные батареи со стильным дизайном и отличными эксплуатационными характеристиками. Цена секции – от 1100 рублей
Buderus, модель Logatrend K-Profil
Kermi – еще один германский производитель с большим опытом. Батареи производятся только на территории Германии с использованием новейшего оборудования. Все изделия соответствуют строгим европейским стандартам качества. Цена секции – от 1050 рублей
Kermi, модель Kermi FKO 11
Korado – молодая чешская фирма стремительно взошла на пьедестал почета благодаря высокому качеству изделий. Дизайнеры фирмы предлагают покупателям богатую цветовую гамму и изысканный внешний вид отопительных приборов. Цена секции – от 1030 рублей
Korado, модель RADIK VK 22 300
Какие радиаторы отопления лучше ставить в квартире – решать вам, но если вы выберете продукцию одной из перечисленных фирм – точно не прогадаете.
Расчет потребления электроэнергии экономным конвектором
В последнее время производители выпускают конвекторы с улучшенными характеристиками и называют их экономными. Действительно ли при их использовании экономится электричество, покажет расчет.
Для примера возьмем хорошо утепленное помещение площадью 15 кв. м., обогреваемое конвектором из разряда экономных — Noirot мощностью 1500 Вт. Задаем температуру 20 °С, при температуре снаружи -5 °С.

Конвектор Noirot Spot-E3
Судя по данным производителя, помещение прогреется за 20 мин. На первоначальный нагрев используется:
Чтобы заданная температура поддерживалась, необходимо, чтобы конвектор работал от 7 до 10 мин. в течение часа:
За 8 ч. работы расходуется электроэнергии
Если учесть, что при отсутствии людей можно использовать экономный режим — от 10 до 12 градусов, расход электричества составит:
В общем за сутки будет расходовано:
Так как обычный конвектор, состоящий из нескольких элементов расходует от 6,8 до 7,5 кВч., то, если верить производителю, экономится 2,58 – 3,28 кВч.
Чугунные радиаторы
Такой вид радиаторов использовался в России еще при царе. В домах, которые строились в советское время, они до сих пор верно служат.
Чугунные батареи нагреваются долго, но долго и остывают. Остаточное число сохранения тепла в два раза больше, чем у остальных типов и составляет 30%.
Это дает возможность снижения затрат на газ для отопления дома.
Достоинства чугунных радиаторов:
- Очень высокая стойкость к коррозии;
- Долговечность и надежность, которые проверены годами;
- Невысокая теплоотдача;
- Чугун не боится воздействия химических реагентов;
- Радиатор можно собрать из разного числа секций.
У чугунных радиаторов только один недостаток – они очень тяжёлые.
Современный рынок предлагает чугунные радиаторы с декоративным оформлением.
Какие радиаторы предпочтительны для частного дома
Рассмотрев описанные характеристики, можно сделать выводы, какие радиаторы практичнее и лучше для отопления дома.
- В качестве бюджетного экономичного варианта, по отзывам специалистов, отлично подойдут стальные панельные модели. Они имеют различную форму и размер, их можно установить в нише под подоконником, где они создадут тепловую завесу холодному воздуху, или в нижней части стен. Они не занимают много места, устойчивы к воздействию любого теплоносителя, в том числе антифризов.
- Более дорогой вариант — стальные трубчатые или чугунные сборные батареи. Современные модели отличаются привлекательным дизайном, не требуют ухода и покраски, легко моются. Эти типы батарей стойки к появлению ржавчины и осадка солей. Их форма позволяет не только обогревать дом, но и сушить вещи и обувь, что для дачи или деревенского дома является приятной опцией.
- Выбор состоятельных людей — биметаллические модели с длительным сроком службы и повышенной теплоотдачей, стойкостью к коррозии и хорошими эксплуатационными качествами. Их установка на долгие годы снимает проблему отопления, поэтому первоначальные затраты со временем окупаются.
- Алюминиевые сборные радиаторы использовать в автономных системах отопления можно только при соответствующей водоподготовке или использовании качественного антифриза.





































