Обзор производителей
Различные торговые точки могут предложить довольно широкий ассортимент инверторов-преобразователей напряжения 12-220 В. Инверторы выпускаются в различных странах — большинство из них производится в Китае, но это совсем не значит что они плохого качества. Ведь многие известные бренды из-за высокой конкуренции стремятся снизить себестоимость своей продукции, поэтому и переносят свои производственные мощности на территорию Китая.
Изучая предлагаемые рынком модели можно обратить внимание, что некоторые изделия имеют одинаковые характеристики, но при этом значительно различаются в цене. Связанно это с использованием той или иной радиоэлементной базы. Устройства, соответствующие заявленным характеристикам, собранные на качественной элементной базе и оборудованные необходимой защитой, надёжны в эксплуатации, поэтому стоят дороже
Устройства, соответствующие заявленным характеристикам, собранные на качественной элементной базе и оборудованные необходимой защитой, надёжны в эксплуатации, поэтому стоят дороже.
Наиболее популярными брендами являются:
- Wenchi. Тайваньский производитель радиоэлектронного оборудования. Присутствует на рынке уже более 23 лет. Его продукция сертифицирована во многих странах мира, включая Россию. Компания имеет свою лабораторию, в которой проводится испытание приборов и внедрение в их работу новых технологий. Спросом пользуются модели INS-1000W-12 и INS-200W-12.
- Mean Well. Ведущий разработчик импульсных блоков питания. Фирма постоянно модернизирует и расширяет ассортимент своей продукции. Хорошие технические характеристики и демократичная цена позволяют каждому покупателю выбрать оптимальное оборудование этой марки. Популярными моделями являются: A301−2K5-F3 PBF, A301−150-F3, TN-1500−212B.
- Gembird. Основанная в Голландии в 1997 году компания стала лидером в производстве компьютерной периферии источников питания. Хотя цех по производству инверторов находится в Китае, продукция проходит тщательный контроль и соответствует международным стандартам. Сервисные центры фирмы расположены во многих странах, что позволяет довольно быстро получить качественную помощь. Потребители часто выбирают инверторы серии Gembird I.
- Robiton. Российская компания, специализирующая на производстве элементов питания. Её продукция соответствует требованиям безопасности Европейского союза. На все свои изделия фирма предоставляет три года гарантии. Повышенным спросом пользуются модели R300 и R500.
Назначение и параметры инверторов
Инвертор — это прибор, который предназначен для преобразования амплитуды и формы сигнала. Он трансформирует переменное напряжение сети в постоянное. Часто преобразователи сигнала подключаются к автомобильным электрическим сетям, генераторам или к стационарным аккумуляторным блокам. Это нужно для получения переменного тока, использующегося в питании: бытовых приборов, электроинструментов, радиоаппаратуры. Варианты использования инвертора разнообразны:
- обеспечение непрерывности питания электрических устройств и приборов при аварии в сети 220 вольт;
- организация полной автономности от электросетей;
- при длительных путешествиях на средствах передвижения, использующих в своей работе генераторы или аккумуляторы, например, лодка, самолёт, автомобиль.
Виды и типы приборов
Инверторы различаются по принципу действия. Первые устройства выпускались механического типа. Затем, им на смену пришли полупроводниковые, а современная схемотехника уже построена на импульсных блоках. Различают следующие принципы построения схем:
- Мостового типа (бестрансформаторная). Применяется для устройств питания с мощностью более 500 ВА и выше.
- С применением трансформатора с нулевым выводом. Предназначены для устройств питания с мощностью до 500 ВА.
- Трансформаторная мостовая схема. Применяется для устройств питания в широком диапазоне мощностей до десяток киловатт.

Кроме этого их разделяют, в зависимости от требований к питающему напряжению, на однофазные и трёхфазные приборы. По виду выходного сигнала бывают:
- с прямоугольной формой;
- со ступенчатой формой;
- с синусоидальной формой.
Для техники и устройств, которые не требуют правильного синусоидального сигнала, такие как нагреватели, осветители, применяются преобразователи с прямоугольной, трапецеидальной, треугольной формой выходного напряжения. Основным преимуществом таких преобразователей является невысокая цена.
Для оборудования, требующего надёжного питания, используются инверторы с правильной синусоидальной формой сигнала. Такое оборудование стоит существенно дороже, но и его стабильность выше.
Основные характеристики преобразователей
В первую очередь, при выборе учитывается мощность инвертора. Нужная мощность рассчитывается суммарно исходя из нагрузки, планируемой к подключению с добавлением 25% к полученному результату. Это позволяет не перегружать преобразователь и создаёт для него наилучшие условия работы. Наибольшей популярностью пользуются инверторы с мощностью до 5000Вт, но для подключения всех домашних потребителей энергии может не хватить и 15000ват. Для переносных устройств используют инверторы с нагрузочной способностью до 1 кВт.
Распространенные схемы
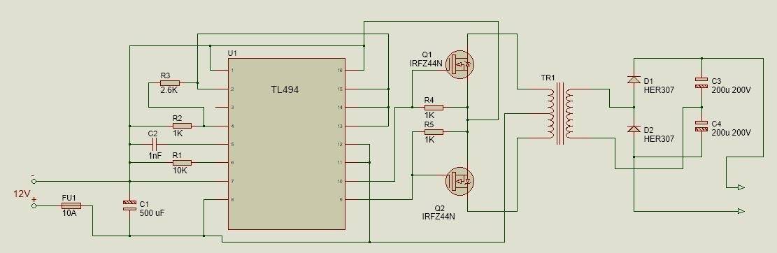
Простой импульсный преобразователь
Схема этого устройства очень проста, а большинство деталей могут быть извлечены из ненужного блока питания компьютера. Конечно, у нее есть и ощутимый недостаток – получаемое на выходе трансформатора напряжение 220 вольт далеко по форме от синусоидального и имеет частоту значительно больше, чем принятые 50 Гц. Напрямую подключать к нему электродвигатели или чувствительную электронику нельзя.

Для того, чтобы иметь возможность подключать к этому инвертору содержащую импульсные блоки питания технику (например, блок питания ноутбука), применено интересное решение – на выходе трансформатора установлен выпрямитель со сглаживающими конденсаторами. Правда, работать подключенный адаптер сможет только в одном положении розетки, когда полярность выходного напряжения совпадет с направлением встроенного в адаптер выпрямителя. Простые потребители типа ламп накаливания или паяльника можно подключать непосредственно к выходу трансформатора TR1.
Основа приведенной схемы – это ШИМ-контроллер TL494, наиболее распространенный в таких устройствах. Частоту работы преобразователя задают резистор R1 и конденсатор C2, их номиналы можно брать несколько отличающимися от указанных без заметного изменения в работе схемы.
Для большей эффективности схема преобразователя включает в себя два плеча на силовых полевых транзисторах Q1 и Q2. Эти транзисторы нужно разместить на алюминиевых радиаторах, если предполагается использовать общий радиатор – устанавливайте транзисторы через изоляционные прокладки. Вместо указанных на схеме IRFZ44 можно использовать близкие по параметрам IRFZ46 или IRFZ48.
Выходной дроссель наматывается на ферритовом кольце от дросселя, также извлекаемого из компьютерного блока питания. Первичная обмотка мотается проводом диаметром 0,6 мм и имеет 10 витков с отводом от середины. Поверх нее наматывается вторичная обмотка, содержащая 80 витков. Также можно взять выходной трансформатор из сломанного источника бесперебойного питания.
Вместо высокочастотных диодов D1 и D2 можно взять диоды типов FR107, FR207.
Так как схема очень проста, после включения при правильном монтаже она начнет работать сразу и не потребует никакой настройки. Отдавать в нагрузку она сможет ток до 2,5 А, но оптимальным режимом работы будет ток не более 1,5 А – а это более 300 Вт мощности.
Готовый инвертор такой мощности стоил бы порядка трех-четырех тысяч рублей.
Схема преобразователя с выходом переменного тока
Эта схема выполнена на отечественных комплектующих и достаточно стара, но это не делает ее менее эффективной. Главное ее достоинство – это получение на выходе полноценного переменного тока с напряжением 220 вольт и частотой 50 Гц.

Здесь генератор колебаний выполнен на микросхеме К561ТМ2, представляющей собой сдвоенный D-триггер. Она является полным аналогом зарубежной микросхемы CD4013 и может быть заменена ей без изменений в схеме.
Преобразователь также имеет два силовых плеча на биполярных транзисторах КТ827А. Их главный недостаток по сравнению с современными полевыми – это большее сопротивление в открытом состоянии, из-за чего нагрев при той же коммутируемой мощности у них сильнее.
Так как преобразователь работает на низкой частоте, трансформатор должен иметь мощный стальной сердечник. Автор схемы предлагает использовать распространенный советский сетевой трансформатор ТС-180.
Как и другие инверторы на основе простых ШИМ-схем, этот преобразователь имеет на выходе достаточно отличающуюся от синусоидальной форму напряжения, но это несколько сглаживается большой индуктивностью обмоток трансформатора и выходным конденсатором С7. Также из-за этого трансформатор во время работы может издавать ощутимый гул – это не является признаком неисправности схемы.
Простой инвертор на транзисторах
Этот преобразователь работает по тому же принципу, что и перечисленные выше схемы, но генератор прямоугольных импульсов (мультивибратор) в нем построен на биполярных транзисторах.

Особенность этой схемы в том, что она сохраняет работоспособность даже на сильно разряженном аккумуляторе: диапазон входных напряжений составляет 3,5…18 вольт. Но, так как в ней отсутствует какая-либо стабилизация выходного напряжения, при разрядке аккумулятора будет одновременно пропорционально падать и напряжение на нагрузке.
Так как эта схема также является низкочастотной, трансформатор потребуется аналогичный используемому в инверторе на основе К561ТМ2.
Поиск поломок и их устранение
Самые распространенные поломки – это низкое напряжение на выходе или его отсутствие. Может такая неисправность в преобразователях напряжения 12/220 В возникнуть по следующим причинам:
- Поломка ШИМ-модулятора или полный отказ обоих плеч инвертора. Вторая поломка встречается крайне редко. Чтобы осуществить проверку, можно воспользоваться простейшим пробником на светодиоде. В том случае, если ШИМ-модулятор исправен, светодиод будет часто вспыхивать. Желательно проверить целостность всех соединений и обмотки трансформатора.
- Слишком низкое напряжение на выходе – это признак того, что вышло из строя одно плечо. Признак поломки транзистора – это низкая температура радиатора, на котором он установлен.
Все неисправности, которые возникают в схемах, приведенных в статье, устраняются достаточно быстро. И стоимость ремонта таких преобразователей напряжения 12/220 В низкая – все запчасти можно найти буквально на свалке.
Разновидности преобразователей 12 на 220 вольт
Для правильного выбора, ознакомьтесь с основными видами преобразователей напряжения, представленными на рынке электротоваров:
По форме сигнала выходного напряжения
Устройства делятся на чистый синус и модифицированный синус. Разницу в форме сигнала видно на иллюстрации.
Дело в том, что преобразователи работают не так, как генераторы переменного тока. На входе в устройство подается постоянный ток определенной величины.
Сначала он преобразуется в импульсный (для обеспечения работы повышающего трансформатора), затем из полученного пульсирующего тока формируется синусоидальная кривая, привычная для большинства потребителей переменного напряжения 220 вольт.
Для получения гладкой кривой необходима дорогостоящая схема, а большинство производителей стараются предложить покупателю экономную цену.
Зарядным устройствам и блокам питания ноутбуков подойдет и модифицированная кривая. А звуковоспроизводящая аппаратура может работать с перебоями и сильными помехами. Некоторые блоки питания, например, в LED телевизорах, сильно греются при таком входном сигнале.
Имеются случаи выхода из строя блоков питания. Устройства с электродвигателями (например, компрессор холодильника или насос газового котла) также может работать со сбоями при подключении к преобразователю с модифицированным синусом.
По реализации повышающей функции. Способов получить переменное напряжение из постоянного достаточно много. Рассмотрим основные из них:
Трансформаторные преобразователи с 12 на 220
Имеют достаточно примитивную, но при этом эффективную конструкцию. Это самый простой преобразователь, который можно собрать своими руками.
Преобразователь на 220 из трансформатора
При помощи мультивибратора постоянный ток преобразуется в импульсный, с частотой 50 Гц. Затем повышающий трансформатор преобразует напряжение до уровня 220 вольт, на выходе монтируется стабилизатор.
Недостатком такой компоновки является большой размер и невозможность получить чистый синус. Но для простейших задач (работа зарядного устройства или паяльника) вполне сгодится.
Главная задача, которую нужно решить – как намотать трансформатор для преобразователя. Подойдет тороидальный сердечник (для компактности) от любого ненужного блока питания.
Понятное дело, во вторичной обмотке витков должно быть больше в соответствие с коэффициентом повышения. Мощность подобных устройств обычно не превышает 200 Вт.
Преобразователи на задающем генераторе
Обычно для этих целей используется микросхема КР1211ЕУ1. Главная деталь преобразователя отечественного производства, поэтому ее стоимость невысокая.
После того, как генератор задаст переменное напряжение – сигнал уходит на ключи, выполненные на транзисторах IRL2505.
Схема преобразователя с 12 на 220
Далее подключается повышающий трансформатор, на выходе которого сформировано переменное напряжение 220 вольт. Для снижения влияния высокочастотных импульсов, которые многократно усиливаются на вторичной обмотке – установлен подавляющий конденсатор.
Мощность преобразователя может достигать 500 Вт, в зависимости от трансформатора. Его подбирают с запасом, превышающим номинал в 2,5 раза.
Нагрузка на остальные элементы не такая высокая. Например, при выходной мощности, не превышающей значение 200 Вт, ключевые транзисторы работают без радиаторов.
Более совершенными с технической точки зрения являются преобразователи на ШИМ контроллерах. Такие устройства на выходе дают чистый синус, а также имеют высокий КПД.
Схема преобразователя на ШИМ контроллерах
Совершенная схема позволяет создать мощные устройства (1-2 кВт) при относительно компактных размерах. Габариты определяют радиаторы охлаждения и система вентиляции. Высокая стоимость элементной базы выводит прибор из разряда бюджетных.
Однако в сравнении с промышленными образцами, экономия при самостоятельной сборке существенная. Такой преобразователь осилит и питание холодильника.
А качественная форма выходного сигнала позволит подключать требовательные потребители – телевизоры и музыкальные центры.
Однако наибольшим спросом все же пользуются компактные устройства, предназначенные для питания гаджетов поменьше. Схема преобразователя 12 220 на транзисторах доступна каждому радиолюбителю, умеющему держать в руках паяльник.
Схема преобразователя 12 220 на транзисторах
Собрав такую схему в аккуратном корпусе, можно установить ее в автомобиле, и у вас будет настоящая бортовая розетка 220 вольт.
Признаки необходимости ремонта преобразователей напряжения
Есть несколько признаков того, что требуется ремонт инверторов 12В 220В
. Если заметить эти сигналы на ранней стадии и обратиться к специалистам, можно существенно быстрее справиться с проблемой и сэкономить на сложном восстановлении техники.
Среди признаков:
- На выходе пропадает выходное напряжение. Если на входе при этом есть напряжение, значит проблема может заключаться в разрушении от перегрева транзисторов на определенном участке. Потенциально, может потребоваться ремонт предохранителя.
- Падают показатели выходного тока. Неисправность в такой ситуации может скрываться в поломке силового блока.
- Преобразователь напряжения начинает отключаться без вашего участия. Это может наблюдаться при сильном нагреве компонентов, когда вся система начинает страдать.
Назначение устройства
Устройство, которое преобразует напряжение, также называют инвертором.
Инвертор — это электронный прибор служащий для трансформации подаваемого на его вход постоянного напряжения в электрический сигнал, изменяющийся по времени с другой величиной амплитуды. То есть если на вход прибора подать постоянный сигнал равный 12 вольт, то на его выходе можно будет получить переменное напряжение 220 вольт.
Принцип работы устройства основан на преобразовании электрической энергии. Существуют приборы как заводского изготовления, так и самодельные, но принцип их работы одинаков. Разница лишь в качестве — надёжности и правильности формы выходного сигнала.
Схемотехника устройств построена на использовании высокочастотных трансформаторов, специализированных микросхем и транзисторов. По виду исполнения схемы инверторы бывают:
- Мостовые — в принципиальной схеме такого типа преобразователей не используются трансформаторы. Обычно так изготавливаются устройства с мощностью до 100 ВА.
- Трансформаторные — ключевую роль в схеме играет трансформатор, имеющий нулевой вывод. Такая схема несложна, но обычно предназначена для питания устройств, мощность которых не превышает 500 ВА.
- Комбинированные — в их схемотехнике используются транзисторы и трансформаторы. Такой подход позволяет создавать преобразователи с широким диапазоном мощностей.
Самостоятельное изготовление устройства
Если по каким-то причинам не получается приобрести преобразователь напряжения 12в на 220в, то инвертор своими руками несложно изготовить и в домашних условиях. В первую очередь это относится к аналоговым устройствам, радиодетали для которых можно взять из старой техники. Кроме того, при самостоятельной сборке получится разобраться в нюансах построения, что может пригодиться для осуществления ремонта приборов такого типа.
Простой и надёжный инвертор
Существует большое количество разнообразных схем преобразователей. Работа их основана на использовании задающего генератора, управляющего работой транзисторных ключей. А они, в свою очередь, передают импульсный сигнал на трансформатор, задача которого преобразовать сигнал до уровня 220 вольт. Использование в качестве ключей мощных полевых транзисторов (мосфетов) значительно упрощает схемотехнику устройств.

К выходам микросхемы, прямому и инверсному, подключаются мосфеты IRL2505. Сопротивление открытого канала IRL2505 составляет всего 0,008 Ом. Это даёт возможность не использовать радиаторы при требуемой мощности до 100 Вт.
Частота генерации микросхемы задаётся цепочкой R1-С1 и рассчитывается по формуле: f=70000/(R1*C1). Цепочка R2-C2 предназначена для плавного запуска генератора. В качестве линейного стабилизатора DA2 используется 78L08, с напряжением стабилизации +8 вольт. Резисторы используются мощностью 0,25 ватт. Конденсатор С1 ставится плёночного типа, а С6 любого вида, но рассчитанный на номинальное напряжение не менее 400 вольт. Трансформатор используется с обмотками, рассчитанными на 220 и 12 вольт.
Схема на транзисторах
В качестве основы для изготовления конструкции используется генератор, работающий на частоте 57 Гц. Задающий генератор управляет работой силовых ключей, выполненный на мощных полевых транзисторах. Эти транзисторы можно заменить на IRFZ40, IRF3205, IRF3808, а биполярные на КТ815/817/819/805.

Мощность инвертора зависит от количества комплементарных пар полевиков на выходе и характеристик трансформатора. Напряжение на выходе составляет 220–260 вольт. При использовании двух пар транзисторов мощность достигает 300 ватт. Такой преобразователь не требует наладки и при правильной сборке и исправных радиодеталях работает сразу. При работе без нагрузки ток потребления составляет до 300 мА. Для надёжной работы транзисторы устанавливаются на теплоотвод через изоляционные прокладки. Силовые дорожки, в случае развода на печатной плате, выполняются шириной не менее 5 мм или проводом сечением от 0,75 мм2.
Суть работы устройства заключается в преобразовании постоянного напряжения в переменное, после чего сигнал подаётся на повышающий трансформатор. Первичная обмотка повышающего трансформатора с 12 на 220 вольт имеет меньшее количество витков, чем вторичная. При протекании тока в первичной обмотке, под действием переменного магнитного поля, на вторичной обмотке возникает электродвижущая сила (ЭДС). При подключении нагрузки к вторичной обмотке по ней начинает протекать переменный ток. Для расчёта трансформатора можно воспользоваться справочниками или онлайн-калькуляторами, но проще взять готовый из ненужного источника бесперебойного питания.
Мощный повышающий прибор
Такие преобразователи изготавливаются по сложным схемам и сложны для повторения даже опытным радиолюбителям. Например, схема инвертора 12 в 220 на 3000Вт:

Своими руками выполнить такую схему практически невозможно, так как потребуется не только правильно рассчитать трансформаторы, но и верно настроить задающий генератор. А такие операции выполнить без специального оборудования затруднительно.
Генератор выполнен на микросхеме TL081. Его питание осуществляется девяти вольтовым стабилизатором. Сигнал в микросхеме преобразуется, уменьшается по частоте и подаётся на силовые ключи. В схеме реализована защита выхода от перегрузки, а вход защищается плавким предохранителем от перенапряжения.
Originally posted 2018-04-18 12:30:34.
Основные неисправности инвертора
Ремонт инвертора 24В 220В и других моделей может потребоваться в следующих случаях:
- неправильно установленный рабочий режим;
- неправильная работа электронных компонентов инвертора;
- несоответствующая мощность;
- проникновение внутрь аппарата влаги (капель дождя, снега);
- собравшаяся внутри инвертора пыль;
- несоблюдение рекомендаций, прописанных заводом-изготовителем;
- отказ вентиляторов и перегрев устройства;
- неправильное подключение преобразователя к аккумуляторной батареи.
И еще одна частая причина поломки – это небрежное обращение. Один или совокупность нескольких этих факторов оказывают негативное влияние на инвертор напряжения, в результате чего его работа прекращается. И если это произошло – то стоит обратиться в сервисный центр. Он поможет решить возникшую проблему.
Источники
- https://ElectroInfo.net/praktika/sobiraem-povyshajushhij-transformator-sobstvennymi-rukami.html
- https://pochini.guru/tehnika/tipyi-preobrazovateley-napryazheniya-s-12-na-220-volt
- https://pro-instrymenti.ru/elektronika/invertor-12-v-220-svoimi-rukami/
- https://svet100led.ru/sravnenie/preobrazovatel-s-12-na-220-svoimi-rukami.html
- https://tehnoobzor.com/schemes/pitanie/2792-shema-prostogo-preobrazovatelya-napryazheniya-svoimi-rukami.html
- https://mobylplus.ru/remont-preoobrazovateley-napryazcheniya.html
Ремонт преобразователя в сервисном центре
Сервисный центр починит преобразователь 12В 220В
с соблюдением всех правил. Устройство быстро вернется в работу, и это без удара по кошельку пользователя. Эффективность работы сервиса подтверждают многочисленные сертификаты и положительные отзывы клиентов. Все отремонтированные преобразователи напряжения марокСОЮЗ, СИБКОНТАК, ЭНЕРГИЯ и другие проверяются в присутствие заказчика. Дополнительно мы проверяем все оборудование работа под нагрузкой.
- Бесплатные консультации специалистов;
- Помощь с подбором оборудования;
- Выезд специалиста на объект;
- Гарантийное обслуживание и после гарантийное;
- Ремонт в течение 1 часа;
- Гарантия 3 месяца.





































