Советы по выбору
При покупке датчика отключения электричества проверьте, сколько сенсоров можно подключить к одному устройству
Чтобы подобрать лучшее устройство, пользователь должен разбираться в характеристиках каждой модели. Для облегчения задачи рекомендуется придерживаться следующих правил:
- Заранее узнать о совместимости сигнализатора с разными датчиками.
- Проверить, сколько сенсоров можно подключить к прибору. Для дачи и квартиры достаточно подключение 1-4 датчиков, для частного дома – 4-8 сенсоров.
- Выяснить, поддерживаются ли блоком разные варианты передачи сигнала тревоги владельцу и охранным службам.
- Узнать, есть ли возможность подключиться к общему охранному пульту в помещениях, где хранятся особо ценные объекты.
- Просчитать, какое время автономной работы потребуется от конкретного сигнализатора.
- У качественного сигнализатора должна быть возможность управления внешними устройствами.
- Перед покупкой нужно заранее решить, в каком помещении будет установлен прибор. Исходя из этого выбирается подходящий сигнализатор по температурному режиму, устойчивости к влажности и пыли.
- Каким образом программируется и настраивается система. Для настройки некоторых сигнализаторов может потребоваться установка дополнительных утилит.
Область применения
Эта охранная система представляет собой специальный электронный комплекс, состоящий из разных функциональных устройств, которые позволяют обеспечивать эффективную защиту объектов недвижимости. Широкое практическое применение сигнализация Дачник получила на таких объектах, как загородные дома, частные коттеджи и дачи. Установка такого оборудования позволит по мобильной связи уведомить владельца или охранную службу о попытке взлома охраняемого дома. Кроме этого, система позволит удаленно контролировать состояние на объекте и управлять подключенными к ней исполнительными системами.
GSM Сигнализация может эффективно работать в достаточно широком температурном диапазоне от -30ºС до +40ºС, что позволит ее применять в разных климатических регионах.
Oтключили cвeт зa нeyплaтy — чтo дeлaть , ecли этo нeзaкoннo
Сначала свяжитесь с представителями организации, которая занимается управлением кондоминиума. Скажите, что выключение было незаконным, попросите восстановить питание и сделайте все согласно правилам. Если вас проигнорируют, напишите официальный запрос, если время подключения не критично: запрос может занять около 20-30 рабочих дней.
Если не хотите ждать, узнайте, куда жаловаться, если вы выключили свет без предупреждения. Для начала можно просто вспомнить, о чем писать заявление в офисе, пост-наблюдении или что подавать в суд. Может, после этого ты включишь свет. Если нет, сообщите в контролирующие органы: в поликлинику, ФАС или других учреждениях.
Уголовный кодекс или УКЖ могут дать указание, потому что отключение электричества, произведенное не по правилам, называется лицемерием и предписывается статьей 330 Уголовного кодекса Российской Федерации. Например, власть может быть направлена к административной ответственности ст. 14.31 CoAP. Надзорные органы будут обязаны восстановить подачу электроэнергии, Великобритания или TCJ снова отключат ее, но уже по закону.
Самый простой способ вернуть свет — заплатить за просрочку. На это уйдет гораздо меньше времени, чем на прогулку по заведениям и жалобам в УК, ТКЖ.
Если вы получили повреждения в результате отключения электроэнергии, вы можете использовать оборудование на лодке. Например, если:
— продукты использовались в холодильнике;
— не используйте горячую воду или отопление, так как прибор работает на электричестве;
— упал в темноту и поранился.
В этом случае соберите доказательства того, что вы были вызваны несанкционированным отключением электроэнергии, и обратитесь в суд. Помните один важный нюанс: Cyd рассмотрит возможность звонка, если вы ждете задержки. Если Великобритания или TCJ действовали в соответствии с законом и подготовили необходимые документы, вы не сможете использовать компенсацию.
Советы по выбору
При покупке датчика отключения электричества проверьте, сколько сенсоров можно подключить к одному устройству
Чтобы подобрать лучшее устройство, пользователь должен разбираться в характеристиках каждой модели. Для облегчения задачи рекомендуется придерживаться следующих правил:
- Заранее узнать о совместимости сигнализатора с разными датчиками.
- Проверить, сколько сенсоров можно подключить к прибору. Для дачи и квартиры достаточно подключение 1-4 датчиков, для частного дома – 4-8 сенсоров.
- Выяснить, поддерживаются ли блоком разные варианты передачи сигнала тревоги владельцу и охранным службам.
- Узнать, есть ли возможность подключиться к общему охранному пульту в помещениях, где хранятся особо ценные объекты.
- Просчитать, какое время автономной работы потребуется от конкретного сигнализатора.
- У качественного сигнализатора должна быть возможность управления внешними устройствами.
- Перед покупкой нужно заранее решить, в каком помещении будет установлен прибор. Исходя из этого выбирается подходящий сигнализатор по температурному режиму, устойчивости к влажности и пыли.
- Каким образом программируется и настраивается система. Для настройки некоторых сигнализаторов может потребоваться установка дополнительных утилит.
Добро пожаловать на ресурс «Электрические схемы»! Несмотря на тотальное увлечение «юзерством», любители «ковыряться» в электронике и конструировать еще не перевелись, что не может не радовать. У нас те, кто не забыл, как держать в руках паяльник, найдут электрические схемы отечественных и импортных телевизоров, радиоприемников и других бытовых приборов, справочную информацию по электронным компонентам, а также описания и схемы интересных любительских разработок.
В разделе «Новости» вы можете познакомиться с последними достижениями в мире электроники, а на странице Программ поискать полезное для радиоконструктора ПО. Все материалы в свободном доступе без ограничений и скачивание их не требует ни регистрации, ни «подтверждения человечности». Единственная просьба – не использовать материалы, полученные практически даром, в шкурных целях.
Заранее спасибо и Welcome!
Для просмотра документов в формате .djvu можно воспользоваться программой просмотра формата, которая не требует установки и может работать с любого носителя. Размер архива — 487 КБ.
Скачать
Если вы не нашли необходимую информацию, то к вашим услугам простая форма обратной связи. Заполните ее, и мы постараемся вам помочь. Эта же форма даст возможность ресурсу публиковать именно те материалы, которые вам интересно было бы увидеть.
12:09 2013-02-21 / Ангелина Гор / МегаФон Exclusive
Мобильные технологии настолько прочно вошли в нашу жизнь, что управление банковским счетом и отслеживание местоположения абонента с телефона, стало обыденностью. Однако есть среди всех этих гаджетов и сервисов такие, которые заслуживают более пристального внимания.
Например, SMS-розетка, управляющая электричеством, а также регулирующая климат-контроль в доме или квартире. Думаете, это ненужная безделушка? Как бы не так! Тестирование этого гаджета мы доверили постоянному читателю нашего портала Ангелине Гор. Что из этого получилось, читайте в нашем материале.
Откровенно говоря, с техникой я не очень-то дружу. У меня даже компьютеры зависают чаще, чем у других. Тем интереснее было получить на тест инновационный гаджет – SMS-розетку. Как SMS может быть связано с розеткой? Что это за чудо-юдо такое?
Как оказалось, устройство представляет собой электрическую розетку, похожую по форме на зарядник для никель-металлогидридных батареек (которые AAA), правда с разъёмом для штепселя. При этом подача электричества осуществляется дистанционно посредством специальных SMS-команд. Кроме того, пользователь девайса может в режиме реального времени узнавать температуру воздуха помещения и многое другое.
Схема самодельного устройства
Одним из ключевых недостатков GSM оповещателей является их высокая стоимость. В среднем, качественное моноблочное устройство, выполняющее функцию детектора движения, стоит от 5 до 8 тыс. руб. Если необходимо установить бюджетную систему GSM сигнализации на гараж или дачу или устройство удаленного управления системой полива, то целесообразно сделать самодельный GSM оповещатель.
Такая система является более сложной,так как ей для функционирования необходим исполнительный блок. В данном случае это генератор импульсов, который выдает электрический импульс с частотой 1 Герц при поступлении сигнала тревоги от одного из детекторов движения.
В качестве GSM модуль используется обычный мобильный телефон, который необходимо предварительно настроить. Снимается автоблокировка клавиатуры. Очищаются журналы входящих звонков, при этом необходимо установить переадресацию входящих на услугу «Вам звонили». Это делается для того, чтобы в случае срабатывания сигнализации тревожное сообщение пошло на номер, заложенный в память телефона, а не на первого дозвонившегося после настройки.
Отключение сопровождается актом
Никто не имеет права приходить и выключать электричество. Все должно быть законно. Каждый абонент должен знать, как отключить электричество за неуплату в квартире, чтобы при возникновении подобной ситуации отслеживать все действия представителя управляющей компании и обращаться в суд при выявлении нарушений.
Если оплата долга не будет получена в срок, указанный в сообщении, компания имеет полное право приостановить предоставление услуги. Независимо от того, в чем была причина, факт отключения подтверждается актом.
Процедуру проводит только представитель управляющей компании, у которого будет справка, подтверждающая этот факт. Акт также должен быть составлен представителем компании. Соответствующая форма заполняется после прекращения подачи электроэнергии. Присутствие потребителя в этом случае необязательно.

Акт составляется по определенной форме. Пример выглядит так:
- Дата и место составления документа. Указывается номер и точный адрес абонента, у которого произошел сбой питания.
- Персональные данные потребителя или доверенного лица. Обязательно укажите, кто присутствовал на месте отключения или напишите, что процедура проводилась без абонента.
- Персональные данные управляющей компании.
- Части и сроки полного или частичного прекращения обслуживания.
- Как проходила процедура выключения.
- Запишите текущие показания на счетчике.
- Количество приборов учета потребленной электроэнергии.
- Подпись представителя компании и потребителя, если он присутствует во время процедуры.
Долг в акте не указан.
Варианты применяемых контроллеров
Здесь мы предлагаем к просмотру два варианта контроллеров, которые могут быть использованы в качестве модулей контроля параметров электропитания.
Модули контроля отключения электрических нагрузок
Для связи с «внешним миром» контроллер оснащен двухпортовым коммутатором Ethernet и, опционально, GSM/GPRS модемом. Поддерживаются протоколы передачи данных: HTTP, HTTPS (с возможностью получения измерительной информации в форматах JSON и XML), SNMP v1, v2C, v3 (в том числе с шифрованием для протокола SNMP v3), ModBus/TCP. Есть программная реализация настраиваемой блочной логики управления релейными выходами и пользовательскими авариями.
Целесообразность использования модуля контроля аварийного отключения устройств защиты подтверждается относительно небольшими габаритными размерами (5 модулей или 90 мм на DIN-рейке), относительно невысокой стоимостью изделия и «стратегически» важными выполняемыми им функциями — возможностями оперативного контроля и оповещения об отключении особо важных и ответственных электропотребителей.
Правила установки
При выборе места установки датчика важно учитывать физические свойства газа. Он скапливается под потолком или оседает непосредственно около пола
Этот параметр зависит от вида газа: пропан стремится вверх, а пропан-бутановая смесь оседает в самом низу. Прибор нужно устанавливать в местах скопления газов, учитывая то, какой их вид используется в бытовых приборах.
Кроме определения высоты, при установке датчика учитывают следующее:
Мнение эксперта
Кукушкин Анатолий Сергеевич
Специалист в сфере ремонта
К сведению! Для корректной работы датчиков должен быть обеспечен нормальный воздухообмен, поэтому монтаж в закрытом пространстве не позволит правильно оценить концентрацию исследуемого газа.
Технология монтажа
Бытовой датчик в продаже находится в полностью настроенном виде, поэтому перед установкой не нуждается в дополнительных подготовительных операциях. Размещение датчика в помещении нужно производить, согласно инструкции в паспорте прибора. В документе содержится вся необходимая информация, описываются схемы подключения дополнительных модулей.
Для большинства моделей производители рекомендуют размещать прибор на стене в месте наиболее вероятной утечки газа. Это зона у котла, колонки, плиты или счетчика. Расстояние до оборудования от 0,3 до 1,5 м, не более.
Крепятся сигнализаторы с помощью дюбелей, без разборки корпуса.
Высота расположения зависит от характера газовой смеси, используемой в приборах:
Несоблюдение рекомендаций производителей может свести на нет все функциональные возможности даже самых совершенных сигнализаторов газа.
Законодательные акты о необходимости направлять уведомление
Значение электроснабжения таково, что многие объекты невозможно обесточить, т. к. это приведет к катастрофическим последствиям
Однако электрики принимают во внимание этот факт только в отношении крупных производств. Когда дело доходит до физических лиц, зачастую даже не соблюдается законный порядок, в т
ч. отсутствие уведомления о приостановки подачи света.
На государственном уровне в целях регулирования правоотношений между поставщиком и потребителем издали ПП №442 в мае 12 года. Документ содержит четкие описания проведения процедуры по полному или частичному прекращению поставки электрического тока.
Кроме того, в положениях описываются случаи, когда нельзя отсоединять жильё от ресурса и в какие сроки РСО должно уведомлять собственника о планируемых действиях. Как правило, такие мероприятия продиктованы формированием задолженности по уплате за потребление электроэнергии.
Дополнительным законодательным актом, регламентирующим отношения между РСО и хозяином квартиры в МКД, является ПП №354.
Эксплуатация сигнализатора загазованности
Метрологическая поверка датчика загазованности производится один раз в год, а также после замены сенсоров. Поверку выполняет специализированная организация, имеющая соответствующее разрешение на проведение таких работ.
Тест — баллон с поверочной газовой смесью для тестирования и проверки срабатывания сигнализатора загазованности. Рассчитан на проведение 70 тестов.
Один раз в полгода выполняется проверка срабатывания сигнализатора от поверочной газовой смеси, содержащей определенный процент тестируемого газа. Запрещается проводить проверку прибора с помощью, например, газа из зажигалок, т.к. это может привести к выходу из строя чувствительного элемента.
Кнопка «ТЕСТ» предназначена для проверки светового и звукового извещателей, а также для проверки срабатывания газового клапана отсечки.
В указанный в заводской документации срок, в приборе необходимо заменить сенсор — чувствительный к газу датчик. После замены сенсора выполняется регулировка порога срабатывания сигнализатора и метрологическая поверка прибора. Работу по замене сенсора следует поручить специализированной организации.
Советы по выбору
При покупке датчика отключения электричества проверьте, сколько сенсоров можно подключить к одному устройству
Чтобы подобрать лучшее устройство, пользователь должен разбираться в характеристиках каждой модели. Для облегчения задачи рекомендуется придерживаться следующих правил:
- Заранее узнать о совместимости сигнализатора с разными датчиками.
- Проверить, сколько сенсоров можно подключить к прибору. Для дачи и квартиры достаточно подключение 1-4 датчиков, для частного дома – 4-8 сенсоров.
- Выяснить, поддерживаются ли блоком разные варианты передачи сигнала тревоги владельцу и охранным службам.
- Узнать, есть ли возможность подключиться к общему охранному пульту в помещениях, где хранятся особо ценные объекты.
- Просчитать, какое время автономной работы потребуется от конкретного сигнализатора.
- У качественного сигнализатора должна быть возможность управления внешними устройствами.
- Перед покупкой нужно заранее решить, в каком помещении будет установлен прибор. Исходя из этого выбирается подходящий сигнализатор по температурному режиму, устойчивости к влажности и пыли.
- Каким образом программируется и настраивается система. Для настройки некоторых сигнализаторов может потребоваться установка дополнительных утилит.
Что такое gsm модули для котлов отопления
Это небольшой прибор, при помощи которого осуществляется управление с телефона газовым котлом.
Своеобразный портативный компьютер с определенным набором функций:
- контроль температуры окружающего пространства и теплоносителя;
- оповещение владельца при помощи смс сообщений о работе системы и возможных сбоях;
- повышение или понижение температуры транспортируемой по системе жидкости;
- установка системы на работу в экономном режиме;
- дистанционное включение/отключение котла;
- удаленные корректировки со смартфона ранее установленных параметров.
Назначение и область применения
- отопительные радиаторы отдельно в каждом помещении;
- систему теплый пол;
- подачу горячей воды.
Система совместима со всеми энергозависимыми газовыми котлами с автоматикой. Контролер температуры во всех моделях используется как обычный датчик.
Что входит в комплект gsm и основные принципы работы
Сам прибор с дисплеем компактных размеров, не требующий много места при монтаже поставляется комплектом, в который входит:
- контролер с модулем и блоком питания;
- антенна для передачи сигнала;
- аккумулятор, обеспечивающий работу в случае отключения электрической сети;
- устройство для считывания ключей;
- датчики температуры.
При необходимости заказчик может оформить еще несколько опций:
- дополнительные датчики;
- информатор, способный сигнализировать об утечке газа, датчик на движение или взлом, оповещение о пожаре;
- комплект для открытия ворот;
- мастер-ключ;
- микрофон и многое другое, что значительно расширяет функциональные возможности прибора.
Особенности управления
Каждая модель ограничена по функциональности. Но этого достаточно, чтобы иметь возможность осуществлять контроль над работой отопительной системы из любой точки земли, где есть связь с интернетом.
В самом контролере имеется сим-карта, которая настроена на принятие/отправку сообщений. Для того чтобы активизировать основную опцию, на блоке управления устанавливается необходимая температура теплоносителя. Например, 40 градусов. Когда температура достигнет установленных параметров, на телефон владельца поступит сообщение.
Контроль наличия сети 220В на даче

Дача служит излюбленным местом отдыха многих наших соотечественников. Для многих она превратилась во второй дом, в котором принято решать дела хозяйственного назначения. На дачах делают осенние закрутки, принимают гостей во время семейных торжеств, занимаются цветоводством и мастерят радиоуправляемые модели. Все это стало поводом для комплектации дачного дома отопительными системами и различной бытовой техникой. Для их работы необходим электрический ток, но так повелось, что дачные поселки отключают от сетей намного чаще, чем городские кварталы. Отсутствие напряжения в обычной розетке может стать причиной серьезных неприятностей.
В городской квартире или в доме, расположенном в коттеджном поселке, практически всегда есть кто-то из домочадцев. При выключении света они смогут изменить режим работы отопительного котла или перевести все на автономное питание. На даче осуществить контроль наличия сети 220В может только автоматика. Существует немало решений на базе микроконтроллеров, 1-wire датчиков, но их функциональность уступает оборудованию с GSM-модулем.

Как сделать розетку на даче умной?
Было бы не плохо, если бы дачная розетка проинформировала владельца об отключении питания в сети. Это бы позволило быстрее разобраться в причине сбоя, а при аварийной ситуации – принять конкретные меры по ее устранению. Сегодня стало возможным получить от розетки sms-сообщения о возникшей проблеме. Для этого необходимо укомплектовать ее GSM модулем, который позволяет не только следить за состоянием сети, но и дает возможность управлять электропитанием с помощью команд, доставляемых все тем же sms-сообщением. Такая умная розетка имеет компактные размеры и невысокую стоимость, а ее функциональность позволяет решать значительное число задач.
Важной особенностью подобного оборудования является простота эксплуатации. Умный гаджет напоминает обычный переходник, имеющий систему управления
Достаточно включить его в розетку и подключить электроприбор или другое бытовое оборудование.
Что умеет розетка с GSM-модулем?
Оповещение об отсутствие напряжения 220В в сети – не единственная функция розетки с gsm-модулем. Она может включать и выключать приборы, в том числе получая важную информацию от подключаемых датчиков. Это позволяет использовать ее для решения следующих задач:
- включение и выключение отопительных электроприборов;
- включение и отключение резервного электрогенератора;
- управление котлом отопления;
- включение холодильников, морозильных камер;
- управление кондиционером.
Это позволяет не только снизить расход электроэнергии и повысить уровень комфорта, но и обеспечить высокий уровень пожарной безопасности. Аналогичным образом gsm-розетка может управлять кондиционером.

GSM-модуль позволяет управлять розеткой с помощью сотового телефона или смартфона из любой точки, где есть мобильная связь. Достаточно отправить смс-сообщение и заработавший котел отопления нагреет воздух в дачном домике, подготовив помещение к приему хозяев и их гостей. Управлять розеткой можно так же с помощью таймера.
Отключение питания 220В может стать причиной серьезной аварии или несанкционированного проникновения на дачу. Полученное тревожное сообщение позволит оперативно принять меры, не разрушая собственных планов на день. Можно позвонить в дачное управление и убедиться, что электричество отключили для плановой проверки и все под контролем. Отключение света в конкретном доме может стать поводом для обращения в охранное агентство. В любом случае умная розетка принесет немало пользы и поможет предотвратить серьезный ущерб.
голоса
Рейтинг статьи
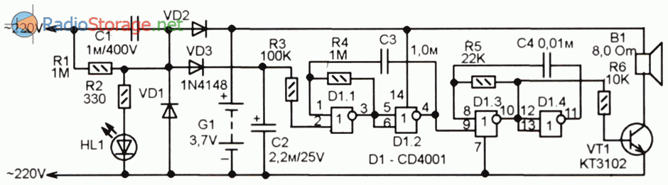
Принципиальная схема
Еще раз привожу, на рисунке 1, исходную схему фонарика, срисованную с его монтажа.

Рис. 1. Схема светодиодного фонарика.
Задача состоит в том, чтобы убрать собственно, светодиодную часть и заменить её звуковой частью, которая будет звучать при отключении зарядной вилки фонарика от электросети.
Схема готового сигнального устройства показана на рисунке 2. Звуковой сигнализатор собран на микросхеме D1 Это два мультивибратора, – звуковой и инфразвуковой. На выходе включен транзистор VТ1 с небольшим динамиком в цепи коллектора.

Рис. 2. Схема звукового сигнального устройства пропадания напряжения в розетке 220В.
Если на выводе 2 D1.1 логическая единица, то оба мультивибратора заблокированы, а на выходе D1.3 -ноль. Транзистор VТ1 закрыт, звука нет Но если на выводе 2 D1.1 ноль, – оба мультивибратора работают, и из динамика В1 раздается громкий прерывающийся звук Питание на микросхему D1 и транзистор VТ1 поступает от аккумулятора карманного фонаря.
А напряжение на вывод 2 D1.1 подается до диода VD2, с диода VD1, и выпрямляется простым выпрямителем на VD3 и С2. Если схема подключена к электросети, то происходит подзарядка аккумулятора, и на С2 имеется напряжение логической единицы, которое блокирует оба мультивибратора.
Если электросеть отключить, то напряжение в цепях слева по схеме от аккумулятора падает до нуля. Соответственно падает и напряжением на С2, оно плавно снижается до логического нуля.
В результате включаются мультивибраторы и раздается громкий прерывающийся звук, при этом схема сигнализатора питается энергией, накопленной в аккумуляторе (может громко орать несколько дней).
Резистор R3 нужен чтобы защитить вход микросхемы D1 в случае если напряжение на С2 станет больше напряжения на аккумуляторе.
Сигнализаторы загазованности в Вашем городе
Сигнализатор загазованности. Датчик утечки газа бытовой. Сигнализатор утечки газа.
⇆
Для надежной защиты дома от загазованности очень важно правильное устройство и эксплуатация систем вентиляции. Когда кухонную вытяжку над плитой присоединяют к единственному на кухне каналу естественной вентиляции, то фильтры, клапаны и вентилятор в кухонной вытяжке практически перекрывают естественную тягу в канале вентиляции.
Когда кухонную вытяжку над плитой присоединяют к единственному на кухне каналу естественной вентиляции, то фильтры, клапаны и вентилятор в кухонной вытяжке практически перекрывают естественную тягу в канале вентиляции.
Кухня с выключенной вытяжкой остается без вентиляции, что ухудшает воздухообмен во всем доме и создает угрозу накопления газа в помещении.
Далее читайте: «Как правильно сделать естественную вентиляцию на кухне»
Еще статьи на эту тему:
Что собой представляют GSM-модули для котлов отопления
GSM-модуль – это небольшой прибор (контроллер), по сути представляющий альтернативу органам управления и автоматике котла. Он принимает сигнал по сотовой связи и передает команду котлу или же в обратную сторону: информирует о состоянии и параметрах работы котла и системы отопления в целом.
Для чего он нужен и как применяется
Обычно первичной целью покупки устройства является экономия и повышение комфорта эксплуатации отопительной системы. Любой GSM-модуль позволяет:
- включать или полностью выключать котел отопления;
- управлять температурой, например, снижая температуру на время отсутствия в целях существенной экономии и восстанавливая комфортный режим еще до приезда в дом;
- управлять параметрами температуры контура ГВС;
- идущие в комплекте практически с любым современным модулем внешние термодатчики позволяют более точно поддерживать температурный режим за счет измерения температуры воздуха в помещении, а не температуры теплоносителя. Также возможно организовать погодозависимую работу котла.
Но не менее важной, по нашему мнению, и действительно более приоритетной для некоторых покупателей целью приобретения является безопасность. GSM-модуль способен оповещать:
- о достижении нижнего или верхнего заданного предела температуры;
- об отключении котла отопления по причине отсутствия электроэнергии или газоснабжения, проблем с отводом продуктов сгорания, ошибок автоматики, разгерметизации системы и т.д. Часто это довольно недооцененная функция, позволяющая находиться в спокойствии при длительном отъезде и в случае неисправности своевременно принять меры для предотвращения замерзания и повреждения системы отопления;
- возможна настройка оповещений о температуре и прочих параметров котла с определенной периодичностью.
Пример SMS-отчета о состоянии системы отопления модуля EctoControl.
Оповещения и управление с телефона можно осуществлять с помощью SMS и уже в зависимости от функционала конкретной модели: через специальное приложение, веб-интерфейс или голосовые команды. GSM-модуль можно подключить к любому котлу, имеющему возможность подключения внешнего управления (имеющего соответствующие клеммы), как к газовому, электрическому или жидкотопливному, так и к твердотопливному.
Сообщение о сбое в работе котла на примере приложения модуля ZONT H-1V.
Практически все современные модели позволяют привязать к контроллеру минимум 2, но обычно до 5 или 10 номеров и отчитываться на каждый из привязанных. Современные устройства, за счет возможности подключения к ним других модулей, позволяют организовать еще более широкий функционал: контроль уровня жидкого и даже твердого топлива (например, пеллет в бункере автоматической подачи), отслеживание состояния датчиков протока и угарного газа, контроль давления в контурах.
Устройство и принцип работы
Основным элементом является контроллер (электронная плата управления). В нем есть слот под SIM-карту, без нее устройство работать не будет. В зависимости от планируемого метода управления и контроля, необходимо выбрать наиболее выгодного сотового оператора и тариф, постоянно поддерживать работу SIM-карты пополняя счет. Вне зависимости от метода передачи команды, контроллер принимает ее по сотовой связи и преобразует в команду для котла, являющуюся приоритетной над работой штатной автоматики.
Для улучшения качества связи контроллер может дополняться антенной. Для обеспечения бесперебойной работы при отключении электричества большинство моделей оснащаются встроенным аккумулятором, поэтому могут без проблем отправить оповещение о проблеме. Практически ко всем современным моделям прилагаются внешние датчики температуры (проводные и беспроводные), информация с которых является приоритетной над измерениями датчиков котла.
Основное назначение приборов учёта электроэнергии с дистанционным снятием показаний
Дистанционная передача данных производится через интернет, поэтому в основе устройства прибора лежит программное обеспечение. Именно оно позволяет в автоматическом режиме через определённый промежуток времени считывать информацию с устройства и отправлять её на общий сервер энергосбытовой организации.
Получается так, что программа обеспечивает сбор информации по потреблению электричества, её обработку и отправку. Но кроме этого, у энергоснабжающих организаций появляется ряд удобных для них функций, которыми они пользуются. А именно:
- контроль учёта потребления электроэнергии по многотарифному графику;
- возможность подключать или отключать потребителя дистанционно;
- работать с каждым потребителем электроэнергии индивидуально с учётом требований и правил подписанного договора;
- пересылать информацию по изменениям или уведомления;
- анализировать полученную информацию и на её основе составлять планы потребления электричества по регионам и районам.
Отслеживать работу электросчётчика можно из любого места удалённо
Самостоятельное решение проблемы
Изначально следует понять, в чем причина выключения света, если электрик имел право прикоснуться к счетчику. Если уведомление не было доставлено и достоверно известно об отсутствии задолженности, акции компании-поставщика могут быть признаны недействительными. Вы можете предъявить претензию о незаконном обесточивании квартиры на основании:
- вся еда в холодильнике исчезла;
- из-за кромешной тьмы она получила травму.
Если все ваши истории задокументированы, например, вы берете медицинскую справку о том, что травма была получена, тогда есть шанс выиграть судебный процесс против поставщика услуг и получить хорошую компенсацию.
Есть еще много других нюансов, которые лучше обсудить с юристом, например, что делать, если за неуплату отключили электричество и в квартире никто не проживает.
Если отключение было произведено на законных основаниях, вам все равно придется погасить всю сумму долга. Обязательно получить квитанцию на ее выкуп и лично посетить представителя управляющей компании.
Конструкция сигнализатора
Каждый GSM сигнализатор имеет свой комплект поставки. Многие известные производители при покупке предлагают клиентам различные пульты дистанционного управления с дополнительными функциями. Электрическая схема всех сигнализаторов схожа, отличия связаны с дополнительными опциями.
Внутри прибора располагается плата и сим карта. Через нее устройство должно оповещать владельца квартиры о состоянии электросети. Сообщение приходит на мобильный телефон пользователя. В составе присутствуют датчики отключения электроэнергии, температуры, дыма и другие в зависимости от функционала. Работает устройство от аккумулятора или батарейки. Время автономной работы может составлять от нескольких часов до нескольких суток. Все зависит от емкости батареи, мощности, времени использования, модели.
Плюсы «умных» электрических счетчиков
Счетчики электроэнергии с интегрированной системой удаленной передачи информации имеют множество преимуществ. Благодаря своей универсальности и практичности они часто используются в системах интеллектуальной домашней автоматизации.
К достоинствам этих устройств можно отнести:
- снимать показания любым способом: ежедневно, еженедельно и ежемесячно;
- полная автономия;
- высокая точность;
- оперативность в расчетах, особенно при дифференцированном выставлении счетов;
- возможность организации удаленного снятия возбуждения квартиры или дома с компьютера или смартфона.
Счетчик электроэнергии с автоматическим снятием показаний позволяет разрешить любые споры, которые могут возникнуть между абонентом и поставщиком услуг (особенно, если человек не предоставляет показания регулярно).
Кроме того, управляемость и автономность электросчетчиков поможет решить некоторые проблемы владельцев. Если только владелец квартиры может управлять приборной панелью, в случае несвоевременной оплаты или неуплаты арендной платы хозяин сможет немедленно отключить электричество. Это позволит быстро выводить жильцов из домов (никто не согласится держать оборону в квартире без электричества).




































