Настройки прибора
Простые модели имеют минимальный набор настроек. Они не поддаются регулировке покупателем. Алгоритм их работы установлен производителем и не подлежит изменению. Сложные дорогие модели, напротив, имеют множество настраиваемых параметров.
Нижний предел напряжения
Этот параметр определяет, при какой величине входного напряжения произойдет переключение на запасную фазу. Например, если напряжение в фазе A больше 180 В, то потребитель подключен к фазе A. Если меньше, то происходит переход на фазу B.
В простых моделях переключателей значение 180 В установлено по умолчанию. В моделях посерьезнее оно поддается регулировке, и минимальный предел напряжения можно установить на 120-200 В.
Настройка прибора обычно осуществляется с помощью регуляторов под крестовую отвертку. Их достаточно просто покрутить. Отсюда народное название подобных регуляторов «крутилка». В других образцах переключателей используются кнопки. Принципиальной разницы в работе этих регуляторов нет. Поэтому выбор — это вопрос удобства использования.

Верхний предел напряжения
Настройка верхнего предела напряжения необходима для той же задачи, что и нижнего. Но в случае с верхним пределом осуществляется защита потребителей от перенапряжения.
Если напряжение в текущей фазе становится больше допустимого, то прибор автоматически переходит на другую фазу. Например, если напряжение в фазе A превысило значение 250 В, то АПФ переключится на фазу B с нормальным напряжением 230 В.
Время возврата
Время возврата на приоритетную (основную) фазу также поддается настройке с помощью регуляторов или кнопок. Этот параметр определяет, через сколько секунд после нормализации напряжения в основной фазе АПФ снова вернется на нее.
Например, в сети по какой-то причине происходит длительная просадка напряжения в одной из фаз. АПФ переходит на запасную. Через некоторое время вольтаж в основной фазе принимает допустимое значение. Но переключающее устройство выжидает. И только после времени возврата снова возвращается на нормализовавшуюся основную фазу.

Время возврата необходимо, чтобы исключить постоянные ложные переключения устройства. Тем самым увеличивается срок эксплуатации внутренних реле и уменьшается риск повреждения нагрузки.
Эта настройка сильно варьируется от типа потребителя. Например, для холодильников рекомендуется устанавливать время возврата порядка 3-10 мин. Для ламп накаливания достаточно 1-2 мин.
Время включения
Нередко напряжение пропадает одновременно в 3 питающих фазах. В таком случае прибор переходит в выключенное состояние и не реагирует на внешние факторы.
Включение АПФ произойдет после появления напряжения хотя бы в одном питающем проводе. Однако на выходе электричество появится не сразу. АПФ выждет некоторое время автоматического повторного включения и только после этого снова замкнет контакты внутренних реле и запитает потребителей.
Время АПВ настраивается с передней панели устройства. Эта функция по принципу действия похожа на время возврата.
Простые системы АВР
Простейшая схема АВР показана на рисунке ниже:
В данной схеме используется электромагнитное реле или контактор K1 с одним переключающим контактом. Обычно такая схема применяется в однофазных сетях с небольшим током нагрузки. В данной схеме катушка реле питается от основного ввода, и в нормальном режиме его сердечник притянут, левый по схеме контакт К1 замкнут, правый разомкнут. При пропадании напряжения на основном вводе катушка реле отпускает сердечник, левый контакт размыкается, а правый становится замкнутым. Питание на нагрузку поступает от резервного ввода.
Данная простейшая схема имеет множество недостатков, и обычно в таком виде не используется. Главная причина — то, что при значительных колебаниях напряжения в сети, реле будет часто переключаться, что неблагоприятно как для самого реле, так и для питающихся электроприборов. В дальнейшем будут рассмотрены более сложные и более надежные схемы АВР.
Представленная ниже схема автоматического включения резерва, в отличие от предыдущих, более применяемая, и годится уже для системы электропитания в частном доме или его части, коммутируемая нагрузка вполне может составлять десятки киловатт:
В данной схеме устранены предыдущие недостатки, и ее можно рекомендовать как базовую для применения в домах, коттеджах, административных и производственных зданиях с потребляемой мощностью до 100 кВт.
Описанная ниже схема электропитания является исключительно простой. Она может применяться для электроснабжения хозяйства с малой потребляемой мощностью, порядка нескольких киловатт
Вот такая схема:
Разберем ее подробно. В рабочем состоянии автоматы SA1 и SA2 включены. При наличии на основном вводе на К1 поступает питание, его контакт К1.1 замкнут, и потребители получают питание через него. В случае исчезновения напряжения реле К1 обесточивается, К1.1 размыкается, а К1.2 наоборот, замыкается. Схема готова к питанию от резервного источника и, при наличии на нем напряжения, подача электроэнергии потребителям возобновляется.
В качестве К1 нужно выбирать мощное реле, которое достаточно дефицитное. Обычно предлагаются реле на коммутируемый ток до 16А. На большие токи можно в качестве К1 взять контактор, но не любой, у него должен быть размыкающий (в просторечии «нормально замкнутый») силовой контакт. Поэтому данная схема и предлагается для маломощных, до 16А, подключений. Если у реле есть несколько контактных групп, то можно их запараллелить, но такое редко делается, обычно для больших токов берется схема с реверсивным пускателем либо на симисторах. В промышленности применяются более сложные схемы — придет время, мы их тоже рассмотрим.
К недостаткам данной схемы можно отнести то, что катушка К1 включена до прибора учета, что может не понравиться энергопоставщику, но это легко устранить, переставив счетчик выше по схеме, это будет учтено далее, здесь же ошибка пусть остается, как напоминание.
Схема, лишенная указанных недостатков, будет показана ниже. Здесь тоже не обошлось без контактора с размыкающими силовыми контактами.
Предлагаемая схема на основе контактора 2з+2р типа VS463-22 позволяет использовать ее при токах до 63А:
Схема отличается дешевизной и простотой, в ней исправлены недостатки предыдущей схемы:

В схеме используется контактор VS463-22-230. Здесь, в отличие от предыдущей схемы, коммутируется как фазный, так и нулевой провода, что исключает попадание тока от генератора в сеть. Один замыкающий контакт К1.1 включен до катушки, что не позволит контактору самопроизвольно включаться при повторном появлении напряжения на главном вводе после отключения. При появлении напряжения на основном вводе, чтобы заново запитаться от него, нужно кратковременно нажать кнопку SB1, после чего контактор включится и замкнет контакты К1.1 и К1.2, одновременно с этим разомкнет К1.3 и К1.4.
При пропадании напряжения на главном вводе К1.1 и К1.2 отключаются, а питание в дом поступает от резерва через К1.3 и К1.4. В качестве резерва используется какой-либо автономный источник электроэнергии, поэтому он подключается, минуя счетчик. Если резервный источник настроен так, что он автоматически отключается при возобновлении питания на основном вводе, то схему нужно изменить — убрать кнопку SB1, а К1.1 перенести ниже по схеме, в разрыв фазного провода непосредственно перед Q1, а катушку запитать напрямую к выходам счетчика. Впрочем, такая схема со схемой запуска резервного генератора будет скоро опубликована отдельной статьей.
Добавлю, что потребляет катушка около 5 Ватт, стоит контактор около 2500 рублей.
Назначение переключателя фаз
Если коротко, что такое переключатель фаз? Это устройство, которое анализирует качество напряжения на одном из трех своих входов, и выдает на выход “самую лучшую фазу”. То есть, осуществляется автоматический выбор резерва (АВР). Идеальный вариант – использовать его там, где однофазная нагрузка, но имеется 3 фазы на вводе в здание.
Причем, для реле автоматического выбора фаз всё равно, какие фазы будут на входах, хоть одна и та же (три входа замкнуты, и на них подана 1 фаза 220В). На входе может быть одна или две фаза. Или, например, одна от сети 220В, вторая от генератора, третья – от другого генератора!
По поводу применения с генератором – отличная идея, использовать переключатель фаз в качестве автоматического переключателя (выбора) резерва (АВР). Пропала фаза из города – он ищет хорошую фазу на других входах. Генератор запустился (автоматически или вручную), фаза на втором входе появилась, реле выбрало “генераторную” фазу и переключило её на дом. Как только уличная фаза появилась – автоматически питание перейдёт на неё, поскольку она в приоритете. Осталось только продумать, как выключить генератор, но это не проблема.
Виды
На современном рынке представлено множество моделей данного прибора. В зависимости от конструктивных особенностей их можно разделить на две группы: автоматические и ручные.

Устройство ПЭФ
Выбирая нужный механизм, одни потребители стараются освоить новые технологии и приобрести устройства последних моделей. Другие — привыкли работать с надежными и проверенными временем устройствами.
Автоматический переключатель фаз
В случае если работающая электросеть не обеспечивает нужное питание, прибор автоматически переключает электроприборы на другую линию. При этом переключатель самопроизвольно выбирает подходящую фазу.
Автоматический тип характеризуется точностью и надежностью в использовании. Прибор имеет внутреннюю блокировку, которая исключает слипание контактных соединений.
Для того чтобы установить и настроить такой переключатель необходима предельная точность. В случае безошибочного подключения устройства переключатель будет долгое время поддерживать бесперебойное питание электрических приборов.
Ручной переключатель фаз
Прибор создан для ручного управления сетей с низким напряжением. Он способен создавать регулирующие фазы, включать и отключать трансформаторы, электродвигатели и другое электрооборудование, имеющее небольшую мощность.
Ручной тип устойчив к высоким нагрузкам и прост в эксплуатации. Данный вид обладает небольшими габаритами и стоимостью. Кроме этого прибор можно использовать как выключатель. Ручной переключатель имеет длительный срок службы.
Одновременно с этим прибор требует постоянного присутствия обслуживающего персонала. Во-первых, он должен всегда быть под контролем, а во-вторых, в случае аварии его необходимо будет переключить. Однако ручные переключатели имеют отличную производительность и хорошую переключающуюся способность.
Принцип действия
При помощи данного устройства контролируются высокие и низкие показатели напряжения. Перед использованием переключатель настраивается на нужные параметры
Необходимо заострять внимание на установку верхнего значения напряжения. Если завысить этот показатель, то может перегреться внутренняя проводка
При заниженной величине данного параметра могут быть частые срабатывания прибора.

Современный переключатель фаз
Переключатель снабжен функцией времени возврата. При этом через установленное время прибор проверяет основной источник напряжения. Если данный показатель имеет нормальное значение, то прибор возвращается в исходную позицию. Если показатель не соответствует норме, то через установленное специалистом время, прибор снова проверяет данный параметр.
Эта проверка осуществляется до тех пор, пока показатель не войдет в норму. В случае если напряжение вообще пропадает в электрической сети, включается формат время включения.
Современные модели переключателей оснащены микроконтроллером, который проводит анализ подаваемого напряжения. При этом он отображает результаты на цифровом табло и ведет управление электромагнитным реле.
Если напряжение на одной из фаз выходит из нормы, индикатор начнет мигать. Если напряжение не соответствует одновременно в трех фазах, прибор отключит нагрузку до возврата к нормальным показаниям.
Ручной вариант переключателя выполняет те же задачи, что и автоматический и представляет трехпозиционный кулачковый переключатель. При этом бывают модели двухпозиционные и четырехпозиционные, смотря какие задачи перед ним поставлены.
Механические экземпляры, имеющие небольшую мощность, предназначены для переключения линии, они не могут коммутировать нагрузку. При этом мощность линии измеряется вольтметром. Более мощные приборы способны переключать нагрузку под напряжением.
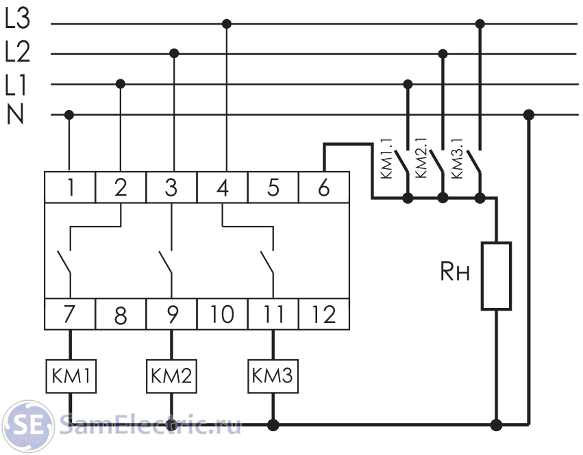
Схема подключения переключателя фаз
Вот мы и подобрались к практической стороне вопроса.
Схема базовая, без контакторов
Производитель предлагает такую базовую схему включения:

Базовая схема включения ПФ-431
Рассмотрим её подробно.
На входной контакт 1 подключена нейтраль N. Она внутри никак не коммутируется, и используется только для питания внутренней схемы. Это применяется повсеместно в любых реле (например, реле напряжения, в реле контроля фаз, и т.п) и в датчиках (движения, освещенности)
То есть, нейтральный провод, подключенный к клемме 1, может иметь сечение 2,5 или 1,5 мм2, не важно. Важно – как подключить силовой ноль
Считаю, что он не должен проходить через этот контакт, иначе обязательно выгорит, особенно при использовании схемы с контакторами. Подключать провод, идущий к контакту 1, лучше всего через шину или клемму вводного автоматического выключателя.
Фазы L1, L2, L3, которые резервируют друг друга, подключаются через клеммы 2, 3, 4. Стоит сказать, что квартира может питаться через реле выбора фаз не польностью, а только отдельные однофазные потребители. Видимо, поэтому фазы на схеме уходят ещё куда-то вправо – на трехфазную нагрузку, либо на нагрузку мощную, но не критичную к качеству и наличию напряжения. А в случае пропадания одной из фаз или большого перекоса нет смысла питать сауну с трехфазным нагревателем или насос бассейна с асинхронным двигателем.
Фазные силовые выходы – клеммы 7, 9, 11. Эти выходы соединяются вместе и идут к нагрузке. Например, к вводному щитку с групповыми автоматами.
Очень важно, чтобы была блокировка одновременного включения контактов внутренних реле, как это делается, например, при реверсивном включении электродвигателя. Иначе в случае залипания контактов реле, или пробое ключевого транзистора, или программном сбое произойдёт межфазное замыкание, и последствия могут быть очень серьезные, вплоть до пожара
Чтобы этого не произошло, предусмотрен контрольный вход на контакте 6. Он работает таким образом. Например, входная фаза L1 (клемма 2) была рабочей, но стала “плохой”, и выключается внутренним реле. Напряжение на клемме 7, а значит и клемме 6 должно пропасть. Если это так, то включается следующая фаза. Если напряжение при выключенном реле напряжение не пропадает (по аварийным причинам, которые я описал выше), то Аларм – начитает моргать индикатор AL, а аварийная фаза объявляется неисправной. После этого нужно перезагрузить переключатель фаз, либо ремонтировать…
Ниже – схема подключения реле выбора фаз в виде монтажной картинки:

Базовая схема ПФ-431 рисунок вида монтажа
На этой картинке я постарался символически изобразить силовые и слаботочные провода.
Схема с повышенным током, на контакторах
Понятно, что 16А активной нагрузки для современной квартиры – это очень мало. Хотя, можно через переключатель фаз подключить только важную нагрузку – котёл, интернет, освещение. А всё остальное питать с других фаз, либо с этой же, но подключиться до переключателя фаз.
Но это полумеры, поэтому существует схема с контакторами, и ток нагрузки теперь может не зависеть от тока внутренних реле переключателя фаз. Вот эта схема:

Схема с контакторами для усиления тока
Так же, как и в схеме для реле напряжения, внутренние реле теперь питают только катушки контакторов, через контакты которых уже и питается нагрузка
Важно, что в любой момент времени может быть включено не более 1 контактора!. Схема-картинка для монтажа:
Схема-картинка для монтажа:

Схема с модульными контакторами, рисунок для монтажа
На этой схеме показаны три модульных контактора, их катушки питаются как нагрузка переключателя фаз. Переключатель фаз теперь работает в облегченном режиме, что существенно повышает ресурс его работы.
Как выбрать переключатель фаз
Ручной и автоматический переключатель фаз При выборе переключателя напряжения прежде всего нужно обращать внимание на параметры тока, на которые рассчитан прибор. Именно они определяют, подойдет ли прибор для использования в конкретной сети
Не рекомендуется приобретение переключателя, ток которого больше номинального показателя для входного автомата.
Другими значимыми параметрами при приобретении ручного или автоматического фазоискателя являются:
- гибкость и вариативность настроек: как минимум, должны быть предусмотрены установка границ нормального напряжения и основной фазы;
- тип индикации: предпочтительный – жидкокристаллический дисплей; в дешевых моделях используются светодиоды;
- дополнительные возможности – например, сенсорное управление.
Как выбрать переключатель фаз
Ручной и автоматический переключатель фаз
При выборе переключателя напряжения прежде всего нужно обращать внимание на параметры тока, на которые рассчитан прибор. Именно они определяют, подойдет ли прибор для использования в конкретной сети
Не рекомендуется приобретение переключателя, ток которого больше номинального показателя для входного автомата.
Другими значимыми параметрами при приобретении ручного или автоматического фазоискателя являются:
- гибкость и вариативность настроек: как минимум, должны быть предусмотрены установка границ нормального напряжения и основной фазы;
- тип индикации: предпочтительный – жидкокристаллический дисплей; в дешевых моделях используются светодиоды;
- дополнительные возможности – например, сенсорное управление.
Область использования:
- Освещение.
- Автоматика газового котла.
- Компьютерные сети и серверы.
- Сигнализация и прочие объекты.
Преимущественно используются в трехфазной сети с выходом на одну фазу. Сверху подключается три фазы и ноль. Внизу находится соединительная шина с отходящей фазой. От нее запитывается нагрузка и ноль. Переключатель и линии необходимо защищать автоматическими выключателями.
Как выбрать
Прежде, чем приобрести прибор, надо хорошо понимать, где планируется установка, и какие функции будут возлагаться. Одно дело – установка оборудования на производстве, другое – для домашнего потребления электричества.
Электронные автоматы с микропроцессором имеют герметичные реле с отдельным управлением, мощностью 40 — 80 A. Во время перебоя напряжения определяется фаза и подается на выход. Выпускаются они от недорогих с ограниченными возможностями (ПФ-40А) до модернизированных (DigiTOP).
У потребителя большие возможности в плане выбора. Одни ценят новейшие изобретения, другие – приверженцы простых, но надежных и проверенных временем.
Достоинства и недостатки
Автоматический переключатель фаз обладает большой точностью и надежностью. Благодаря внутренней блокировке исключается залипание контактов реле. Самостоятельно, без участия пользователя контролирует напряжение и выбирает наиболее подходящую фазу.
Наряду с положительными качествами, требуется максимальная точность в настройке и подключении. Если все сделано правильно, безопасный электрический ток долгое время будет защищать приборы и устройства от перебоев напряжения.
Ручной переключатель, в основном, используются в местах, где можно обойтись без большого напряжения. Из достоинств можно выделить:
- Устойчивость к перегрузкам.
- Имеет небольшие размеры.
- Относительно невысокая стоимость.
- Удобный и простой в использовании.
- В некоторых конструкциях можно применять, как выключатели.
Недостатки
Приборы должны находиться под контролем. Ручное переключение всегда предполагает присутствие человека.
Автоматический переключатель фаз в загородных домах
Проблема частых перебоев электроэнергии, а также поставки некачественного ресурса в загородных домах решается установкой и наладкой щитка с автоматическим переключением фаз и ручным вводом резерва.
ОСОБЕННОСТИ УСТРОЙСТВ
Электрический переключатель ПЭФ-301 производит выбор оптимальной фазы в зависимости от качества напряжения в сети. Непосредственное питание от прибора осуществляется при мощности нагрузки до 3,5 кВт (16 А). Если мощность нагрузки превышает 3,5 кВт, прибор управляет катушками магнитных пускателей.
Параметры качества напряжения (минимальное и максимальное значения) задаются Пользователем. Для этого предназначены специальные регуляторы на лицевой панели корпуса.
Преимущества устройства переключения питания данного типа:
фиксированная задержка на 12 секунд во избежание ложного перехода на резервную фазу, в период понижения напряжения в сети ниже заданного минимального значения;
возможность исключения возврата к приоритетной фазе, когда прибор используется для питания малых по мощности потребителей, где не желательны частые переключения;
устройство прибора позволяет избежать межфазного замыкания из-за залипания контактов благодаря специальной схеме включения трех встроенных реле.
Электронный переключатель фаз ПЭФ-319, в отличие от предыдущей модели прибора, осуществляет питание нагрузки при мощности нагрузки до 6,6 кВт (30 А). Если мощность нагрузки превышает 6,6 кВт, прибор управляет катушками магнитных пускателей.
В целом, переключатели нагрузки схожи по рабочим параметрам.
Ключевыми особенностями прибора ПФЭ-319, являются:
возможность перехода на приоритетную фазу с резервной, после восстановления параметров приоритетной фазы, через время возврата, заданное Пользователем – от 5 до 200 с;
наличие цифрового индикатора, который отображает значение напряжения фазы от которой питается нагрузка. При отключенной нагрузке на цифровом индикаторе отображается значение напряжения фазы, наиболее близкой по напряжению к установленному диапазону напряжений;
свечение одного из зеленых светодиодов на лицевой панели прибора указывает фазу, к которой подключена нагрузка, а также мигание красного светодиода для отслеживания аварийной ситуации.
Если напряжение на всех трех фазах не соответствует заданным параметрам качества – нагрузка отключается. После восстановления параметров напряжения на одной из фаз в допустимых пределах устройство переключения фаз подключит нагрузку к этой фазе.
Производство сертифицировано по ISO 9001
Сертификацию по ISO 9001 прошли все участки производства, благодаря чему постоянно увеличивается качество выпускаемой продукции и уменьшается уровень брака.
Гарантия на всю продукцию 10 лет
На всю продукцию с момента покупки действует гарантия 10 лет.
- Компания
- Оплата и доставка
- Гарантия
- Контакты
- Документация
Устройство и принцип работы

Автоматический переключатель фаз DigiTOP PS-63A
На входные зажимы устройства идет питание с трех фаз, а выходит из него только одна, имеющая максимально близкий к оптимальному показатель напряжения. При прекращении питания главной линии или резком скачке напряжения трехфазный переключатель задействует другую фазу – где показатель наиболее приближен к нормальному. По большей части прибор используют в сетях с тремя фазами, но также применяют и для генератора – в этом случае надлежит продумать форму запускающего импульса.
Выпускаются механические и автоматические устройства. Автоматический трехфазный переключатель фаз работает с опорой на микроконтроллер. Переключая конструкцию из нескольких реле, автоматический переключатель ищет среди электролиний наиболее приближенную к целесообразным показателям. Позиционные 3 фазные ручные переключатели выпускаются с разным числом позиций (от двух до четырех). Цифровой порядок переключения у них может быть разный. Один из примеров: 0-1-0-2-0-3: тут нуль обозначает выключение всех линий, а остальные цифры соответствуют фазам. Механические аппараты с большой мощностью часто применяются для реверсивных двигателей.





































