Защитные и переходные устройства
Любой трехфазный счетчик электроэнергии, включаемый в высоковольтные сети через трансформаторы тока, должен быть защищен от перенапряжений, нередко возникающих в линиях энергоснабжения. С этой целью последовательно с ним устанавливаются специальные приборы, позволяющие ограничить напряжения, возникающие в линии в аварийной ситуации. Они встречаются под различными наименованиями, наиболее распространенным из которых является оин.
Это устройство по своему функциональному назначению напоминает защитный автомат. Но только срабатывает оно не от перегруза по току, а используется как ограничитель напряжения на участке питающей линии, в который включается трехфазный счетчик.
Ниже приводится схема, согласно которой осуществляется монтаж этого прибора в цепи защищаемого им оборудования.
Схема включения ОИН (УЗИП)
Перед тем, как установить трехфазный счетчик в питающую цепь, специалисты советуют воспользоваться ещё одним специальным приспособлением, подключённым к клеммнику самого счётчика.
Указное изделие, встречающееся под обозначением икк, имеет в своей конструкции ряд перемычек, позволяющих коммутировать подключение удобным для пользователя способом. Внешний вид этого приспособления и схема включения его в цепи питания приводятся на фото ниже.
Клеммник переходной
Из этого фото видно, что при применении ИКК монтаж и демонтаж прибора учёта любого типа существенно упрощается, что очень удобно при проведении их ремонта, например.
Дополнительная установка ИКК осуществляется путём его параллельного подключения к уже имеющейся клеммной колодке.
В заключительной части обзора отметим, что рассмотренные ранее схемы включения счетчиков выбираются, в зависимости от условий их эксплуатации и характера действующей электрической сети. Для организации правильного их подсоединения важен учёт всех факторов, влияющих на работоспособность конкретного счётного устройства, определяемых не только его классом, но и особенностями механизма снятия показаний.
Подготовительные работы
Осуществить процесс подключения такого счетчика к сети возможно самостоятельно, без вызова квалифицированного электрика. Однако, прежде чем приступать к этому, необходимо предварительно провести подготовительные работы по монтажу специального бокса, внутрь которого нужно будет установить сам электросчетчик.
Для соблюдения правильности технологии монтажа, нужно придерживаться следующего алгоритма действий:
- На настенном боксе откручиваются все болты или шурупы, держащие крышку на месте, после чего она снимается.
- Бокс устанавливается на стену, причем высота его монтажа должна быть в промежутке от 0,8 до 1,7 метра. Этот параметр регламентируется действующими официальными правилами по технике безопасности при работе с высоким напряжением.
- Выбор элементов для крепежа осуществляется на основании материала, из которого изготовлена стена.
- Закрепленный на стене бокс будет иметь несколько монтажных реек, как уже было сказано, и нулевую шину.
Фактически, все современные модели счетчиков являются представителями модульной разновидности, поэтому тип подключения у них унифицирован: он производится на монтажную рейку. Их преимуществом является не только использование абсолютно безопасных и негорючих материалов в собственной структуре, но также и значительная легкость понимания и реализации технологии установки.
Основные характеристики, на которые нужно обратить внимание перед выбором оборудования
Правильный выбор электросчетчика должен начинаться с изучения его характеристик, которые должны соответствовать его условиям эксплуатации.
Счетчики бывают одно и трехфазные, а это должно соответствовать типу электроснабжения. Однофазные счетчики не могут учитывать электроэнергию в трехфазных сетях, а трехфазные могут в однофазных, но их применение в таких сетях экономически невыгодно.
Номинальное электрическое напряжение и частота. Обычно это для однофазных сетей 220 В, а для трехфазных 380 В. Частота переменного тока в наших электрических сетях принята 50 Гц. Бывают счетчики, предназначенные для учета электроэнергии с другими параметрами, но они имеют специальное назначение.
Номинальный и максимальный ток нагрузки, при котором может функционировать электросчетчик. Ранее было нормально, что электросчетчик мог быть рассчитан на номинальный ток в 5 Ампер, но с широким распространением мощных бытовых приборов этого явно недостаточно, поэтому широкое применение нашли счетчики с более высоким номинальным током нагрузки. Кроме этого счетчики могут длительное время работать и с токами, которые превышают на 200% номинальный ток.
Класс точности характеризует наибольшую его допустимую погрешность, выраженную в процентах. Для бытовых счетчиков вполне допустимо иметь класс точности равный 2,0.
Количество тарифов указывает на то, по скольким тарифам может работать счетчик.
Возможность счетчика работать в автоматизированной системе коммерческого учета электроэнергии (АСКУЭ) позволяет снимать показания удаленно, а также правильно тарифицировать потребленную энергию. Все современные многоквартирные дома оснащаются такими системами. В случае, если АСКУЭ в доме нет, то есть счетчики с автоматическим внутренним тарификатором.
Диапазон рабочих температур. Сейчас принято в частных домовладениях устанавливать счетчики на улице, для предотвращения хищения электрической энергии. Поэтому чем шире температурный диапазон, тем лучше.
Габаритные размеры могут иметь значение, когда счетчик будет устанавливаться в специальный бокс.
Межповерочный интервал и срок службы. Для однофазных электронных счетчиков достаточно поверки 1 раз в 16 лет, а срок службы их не менее 30 лет.
Бытовое применение
Трехфазный прибор в частном доме — оптимальное решение в том случае, когда применяется техника с высоким расходом электричества. Техника работает эффективнее при включении в такую сеть. Три фазы исключают перекос фаз, который возникает при подключении в одну сеть одновременно нескольких устройств, требующих высокой мощности.
Для удобства и безопасности, установка проводится в специальных коробах.

Щиты с такой системой учета весьма габаритны. Несмотря на незначительное отличие по напряжению с однофазными установками, трехфазник обеспечивает равномерное распределение по системе. Это и является главным преимуществом, что позволяет без опасения пользоваться мощными плитами, обогревателями, нагревателями, асинхронными двигателями, бензопилами.
Монтаж на улице
Установка системы на улице, возможно при организации эффективной теплоизоляции. При отрицательной температуре воздуха не обеспечивается корректный учет электричества. Обычно реальный расход преувеличивается.
Установка требует специальных огнеупорных, герметичных коробов. Индикатор должен быть виден через прозрачное стекло. Подключение счетчика электроэнергии проводится на расстоянии от поверхности земли 80-170 сантиметров.

Установка счетчика: основные правила и требования
Установку электросчетчика выполняем с обязательным соблюдением утвержденных правил. В первую очередь, изучаем требования техники безопасности по эксплуатации электрооборудования любого типа и назначения.
- Счетчик устанавливаем при температуре не ниже +5 градусов. Учетное оборудование, как и любая другая электроника, плохо переносит воздействие холода.
- При установке счетчика на улице сооружаем для него герметичный подогреваемый шкаф. Все необходимые для этого материалы и приспособления продаются в специализированных магазинах.
- Электросчетчик крепим на высоте в пределах 1-1,7 м над основанием. При более низком размещении прибора вам будет попросту неудобно смотреть показания.
Со всеми остальными рекомендациями и правилами вас ознакомит представитель службы энергонадзора в момент заключения договора и получения прочих необходимых документов.
Устанавливаете счетчик ?
А Вы знаете на какой высоте лучше всего устанавливать розетки? нет ? тогда читайте статью на нашем портале — здесь.
Подключение счетчика: правила и основные требования
Точно все требования прописаны в ПУЭ, а основные правила такие:
- Устанавливаться должен с защитой от воздействия погодных условий. Традиционно монтируются в специальные боксы (короба) из негорючего пластика. Для установки на улице короба должны быть герметичными и должны обеспечивать возможность контроля показаний (иметь стекло напротив табло).
- Закрепляется на высоте 0,8-1,7 м.
- Подключение счетчика производится медными проводами, сечением соответствующим максимальной токовой нагрузке (есть в техусловии). Минимальное сечение для подключения квартирного электросчетчика 2,5 мм2 (для однофазной сети это ток 25 А, что сегодня очень мало).
- Проводники используются изолированные, без скруток и ответвлений.
- При однофазной сети дата госповерки счетчика — не старше 2 лет, при трехфазной — одного года.
Место установки счетчика в многоквартирных домах регламентируется проектом. Счетчик может устанавливаться на лестничной площадке или в квартире — в щитке. Если ставится в квартире, то обычно недалеко от двери.
Комплектация входного щитка
В частном доме тоже несколько вариантов. Если столб стоит во дворе, можно счетчик разместить на столбе, но лучше — в помещении. Если по требованиям энегроснабжающей организации он должен находится на улице, ставят его на лицевой стороне дома в герметичном боксе. Автоматы, идущие к группам потребителей (различным устройствам) монтируются в другом боксе в помещении. Также одно из требований при монтаже электропроводки в частном доме: провода должны просматриваться визуально.
Установка счетчика на столбе
Чтобы была возможность проводить работы на электросчетчике, перед ним устанавливают входной рубильник или автомат. Он тоже пломбируется, причем возможности поставить пломбу на самом устройстве, как на счетчике, нет. Необходимо предусмотреть возможность отдельной пломбировки этого устройства — купить небольшой бокс и смонтировать его внутри квартирного щитка или поставить отдельно на лестничной площадке. При подключении счетчика в частном доме варианты те же: в одном боксе со счетчиком на улице (пломбируется весь бокс), в отдельном боксе рядом.
Как провести электричество от столба в дом читайте тут.
Двухтарифные счетчики и расчет их экономичности описаны тут.
Принцип функционирования трёхфазных счётчиков
Трёхфазный прибор учёта электроэнергии отличается от однофазного аналога возможностью функционировать в достаточно мощных сетях. Если стандартные электросчётчики на 220В устанавливаются в электрическую цепь, мощность которой не более 10 кВт, то, приборы трёхфазного типа работают при мощностных нагрузках от 15 кВт и намного больше. Такие многофункциональные аппараты одинаково хорошо работают как в стандартной бытовой сети, так и контролируют потребление энергии трёхфазными электродвигателями. При этом стандартные контролирующие приборы данного типа состоят из следующих конструктивных частей:
- токопроводящей обмотки;
- обмотки напряжения;
- червячного механизма, приводящего в движение циферблат;
- алюминиевого диска и магнита.
Читать также: Обратное сверло по металлу
Стандартные индукционные приборы учёта энергии, используемые в сети 380В, такие как «Меркурий», оборудованы пластиковыми корпусами, которые защищают все механизмы от попадания влаги или различного рода загрязнений. Внутри корпуса размещены 2 сердечника вокруг одного из которых наматывается токовая обмотка, подключаемая параллельным способ в сеть. В свою очередь, вокруг другого элемента намотана обмотка напряжения, витки которой имеют увеличенный диаметр по сравнению с токовым налогом. Посредине между катушками в образованном пространстве, расположен диск из алюминия, вращение которого происходит посредством полей создаваемых обмотками.
Для обеспечения демонстрации показаний в счётчике расположен механизм червячного типа, через который подключается механическая стрелка либо электронное табло для вывода данных. В свою очередь, магнит предназначен для регулировки функционирования контролирующего прибора. Все обмоточные выводы подключаются к клеммным контактам учётного устройства и выводятся к фазе. Чтобы предотвратить вмешательство в работу электросчётчика со стороны потребителя, выходы пломбируются представителями компании-поставщика электроэнергии.
Функциональные возможности разных типов
Основными недостатками индукционных приборов считаются низкая точность и слабая защита от мошенничества (кражи электроэнергии). Кроме того, они боятся пыли, требуют строго вертикальной установки и нуждаются в частой поверке. Ввиду простоты конструкции изделия эти однотарифные и не имеют дистанционного управления, но зато механические электросчетчики надежны, долговечны – в них просто нечему ломаться – и стоят совсем недорого. На сегодняшний день индукционные приборы учета считаются устаревшими и их выпуск прекращен.

Полностью электронные и электронно-механические устройства хоть и стоят много дороже индукционных, но отличаются высокой точностью, надежной защитой от саботажа и широким функционалом. Они могут поддерживать несколько тарифов (до 4 и более), позволяют считывать показания дистанционно, работают в любом положении и не боятся вибрации.
Единственно, дисплей у электронного типа не выносит минусовых температур – он просто «тухнет». Именно по этой причине в холодных регионах и при установке на улице, неотапливаемых частных домах и гаражах специалисты рекомендуют пользоваться электронно-механическими моделями.
Электросчетчики всех типов выпускаются в одно- и трехфазном исполнении. Трехфазные устройства имеют тот же принцип работы, что и однофазные, и могут контролировать расход электрической энергии одновременно по всем трем фазам, хотя вполне работоспособны и в однофазных сетях.
Подключение счетчика электроэнергии
Проводку от вводного устройства к счётчику выполняют кабелем или изолированными проводами без каких-либо соединений (сращиваний), паек или других повреждений целостности изоляции и провода.
При монтаже электропроводки для присоединения счётчиков непосредственного включения около счётчиков необходимо оставлять концы проводов длиной не менее 120 мм.
При применении защитного автоматического отключения питания должна быть выполнена основная система уравнивания потенциалов в соответствии с 1.7.82 ПУЭ, а при необходимости также дополнительная система уравнивания потенциалов в соответствии с 1.7.83 ПУЭ.
10-проводная схема подключения
10-проводная схема подключения 3-фазного электросчетчика к питающей сети изображена на рисунке 1.

Рисунок 1. Схема подключения 3-фазного промышленного счетчика по 10-проводной схеме
При ее реализации пары контактов 1 и 3, 4 и 6, 7 и 9 выполняют функции токовых и включены через вторичную обмотку трансформаторов тока. Потенциальные контакты 2, 5 и 8 подключаются к фидеру непосредственно.
Сильные стороны такой схемы:
- удобство эксплуатации сети (главным образом за счет отсутствия необходимости отключения нагрузки при замене счетчика);
- безопасность эксплуатации из-за наличия заземления токовых цепей;
- точность показаний, что определяется независимым сбором данных по каждой фазе.
Главный недостаток – повышенный расход материалов при создании. Он устранен в схемах с двумя токовыми трансформаторами, один из вариантов которой показан на рисунке 2. Цена такой экономии меньшая точность функционирования.

Рисунок 2. Двухтрансформаторная схема подключения 3-фазного счетчика
Металлический шкаф для электросчетчика
В качестве мер по защите в случае, если электронный электрический счетчик был установлен на столбе, обустраивается специальный металлический ящик для него. Такой ящик устанавливается еще перед монтажом счетчика и имеет специальное смотровое окошко (для беспрепятственного снятия показаний).
Металлический ящик выполняет сразу несколько функций, а именно:
- Защиту от вандализма и краж. Чтобы ящик выполнял эту функцию, его надежно закрепляют на столбе и снабжают запорным механизмом;
- Защиту от воздействия влаги, что позволяет существенно увеличить эксплуатационный период прибора учета электроэнергии;
- Защиту от переохлаждения. Если температура окружающего воздуха снижается ниже нулевой отметки, то прибор учета может начать работать некорректно. Погрешность измерений может быть существенной, что скажется на суммах платежек за поставленное потребителю электричество. Из этого следует, что хорошая теплоизоляция шкафа для электросчетчика – это мера, направленная на обеспечение правильной работы прибора учета.
Провода от электросчетчика скрывают в специальной защитной металлической трубе. Распределительный щиток с автоматами целесообразно оставить в доме, а на столб вынести один защитный автомат.
В заключение следует отметить, что установка и подключение электросчетчика не является очень сложной процедурой, однако, не имея опыта проведения подобных работ, не следует выполнять их самостоятельно.
Лучше обратиться к специалистам, поскольку от того, насколько правильно установлен счетчик, зависит электроснабжение всего дома, а также работа всех имеющихся в нем электрических приборов. Кроме того, не следует забывать и о собственной безопасности при проведении установки электросчетчика на уличном столбе.
В дополнение к вышесказанному, мы предлагаем ознакомиться с видеоинструкцией, которая поможет при сборке управляющего щита для установки электросчетчика на улице на столбе.
Самостоятельное подключение счетчика
Правильно подключить электрический счетчик самостоятельно довольно сложно и опасно. Для этих работ необходимо иметь лицензию и группу допуска не ниже третьей.
Требования закона
Подключение электросчетчика необходимо производить согласно правилам устройства электроустановок (ПУЭ) в следующем порядке:
- Монтаж и подключение приборов учета электрической энергии производить только сертифицированным инструментом.
- Счетчики должны устанавливаться в ящиках, на шкафах распределительных устройств, имеющие жесткие основания.
- Питание к розетке следует подключать через автомат.
- Размеры шкафов и ящиков должны обеспечивать комфортный доступ к приборам учета.
- Выбор сечения подключаемых проводников производится согласно проектной документации.
Набор инструментов и материалов для монтажа
Для производства монтажа и подключения счетчиков необходимо иметь простой набор инструмента:
- плоскогубцы;
- отвертку;
- индикатор;
- мегомметр;
- уровень строительный;
- лестницу;
- монтажный пояс.
Материалы выбираются согласно спецификации в проектной документации.
К материалам относятся:
- защитные автоматические выключатели;
- проводники и кабели;
- тросовая продукция.
Схема подключения счетчика
Схемы подключения счетчиков имеют два вида:
- прямого действия (ток нагрузки до 100 ампер);
- косвенного действия (через измерительные трансформаторы тока и напряжения).
Однофазного
Однотарифный счетчик двухпроводной сети подключаются по схеме прямого действия, приведенной ниже.
Принципиальная схема подключения однофазного счетчика
На схеме видно, что питание приходит на клеммы счетчика 1 и 3. Потребитель включается через автоматический выключатель или пробки на клеммы 2 и 4. Фазный и нулевой проводник необходимо соблюдать, т. к. счетчик будет работать некорректно.
На видео показано правильное подключение однофазного счетчика энергомера. Снято каналом energomera.
Трехфазного
Трехфазные счетчики могут подключаться как по схеме прямого действия, так и косвенного. Подключение прибора по схеме прямого действия похоже на схему подключения однофазного счетчика. Этот способ предназначен при потреблении тока до 100 ампер. Ниже представлена схема подключения счетчика прямого действия по четырехпроводному принципу.
Принципиальная схема прямого действия для трехфазного счетчика
Питание подключается к следующим клеммам:
- фаза А-1;
- фаза В-3;
- фаза С-5;
- нуль-8.
Потребительская нагрузка подключается на четные клеммы соответственно 2, 4, 6 и 8. Необходимо строго соблюдать порядок подключения и произвести фазировку напряжения.
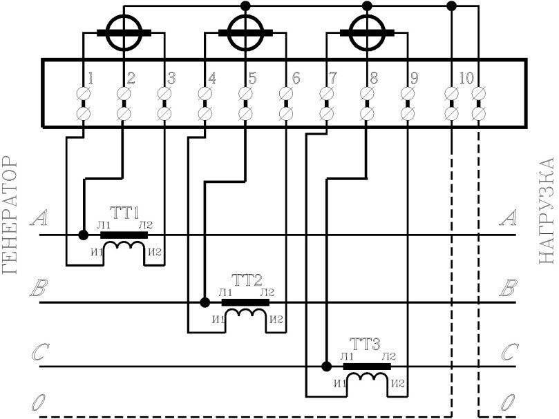
На промышленных предприятиях применяется схема подключения косвенного действия, т. е. через измерительные трансформаторы тока и напряжения. Трансформаторы тока имеют вторичный ток при максимальной нагрузке 1 или 5 ампер. На вторичной обмотке напряжения значение составляет 100 вольт. Датчики тока и напряжения должны соответствовать классу точности и полярности подключения.
Ниже представлена схема косвенного подключения прибора учета электрической энергии.
Косвенное подключение трехфазного счетчика
Установка счетчика: основные правила
Установить счетчик следует согласно правилам устройства электроустановок (ПУЭ):
- Согласно проектной документации монтируется влагозащищенный шкаф для прибора учета электрической энергии на высоте 0,8-1,7 м от напольной поверхности. Но рекомендовано чтобы счетчик стоял на уровне глаз.
- Проводники необходимо использовать медные с сечением от 2,5 мм до 6 мм.
- Нельзя допускать скрутки и ответвление проводов.
- Установку счетчика своими руками производится с уровнем, чтобы угол наклона не превышал один градус.
- При подключении счетчика необходимо промаркировать провода. А также необходимо подключить защитные автоматические выключатели и произвести пломбировку прибора учета.
В случае отсутствия пломбы владелец может быть обвинен в хищении электрической энергии.
- Отключается вводной пакетник или автоматический выключатель для безопасного проведения работ.
- Выбирается щитовая и проводниковая продукция согласно проекту.
- Щит учета устанавливается на место монтажа.
- Производится монтаж счетчика на площадку шкафа. На DIN рейку монтируются счетчик, защитные автоматы и система УЗО.
- Подключение электросчетчика производится СИП проводниками согласно схеме. Фазировка должна быть соблюдена при монтаже.
- Опробование системы учета. Перед включением к сети необходимо произвести замер целостности изоляции с помощью мегомметра
- Опломбирование счетчика энергоснабжающей компанией.
Виды
На сегодняшний день, существует множество различных классификаций этих устройств, одна из основных заключается в типе электроэнергии, которую оно будет учитывать:
Индукционные счетчики
С одной или тремя фазами, предназначены для учета и контроля расхода активных и реактивных видов энергии переменного тока.
Электродинамические счетчики

Необходимы для учета постоянного тока, который используется, например, для функционирования электротранспорта или соответствующих типов железнодорожного сообщения.
Другим фактором, по которому можно классифицировать данные устройства, является тип их подключения:
- Разновидность, предназначенная для прямого подключения к действующей силовой цепи.
- Разновидность устройств трансформаторного включения, для функционирования которых необходимо подключение к силовой цепи через специальный трансформатор.
Третьей классификацией является деление счетчиков по измеряемым величинам, в соответствии с которыми они делятся на следующие виды:
- Однофазные устройства, предназначенные для работы с переменным током 220В, 50Гц. Подобный метод учета позволяют осуществлять все современные модели.
- Трехфазные устройства, которые работают в сетях с электрическим током 380В, 50Гц.
- Особая разновидность трехфазных счетчиков, которая способна осуществлять учет электрического тока с напряжением равным 100В. Их подключение возможно только к высоковольтной цепи с показателем напряжения, превосходящим 660В и при помощи специальных трансформаторов.
Последней классификацией является деление устройств по типу их конструкции, в соответствии с ней данные приборы бывают:
- Электромеханические индукционные электросчетчики, в которых неподвижные катушки обладают электромагнитным полем, оказывающим воздействие на подвижную часть, являющуюся проводником. По своей сути, он является особым диском, который предназначен для прохождения через него токов. Количество оборотов, совершенных проводником во время работы, является прямо пропорциональным объему затраченной энергии, таким образом, и происходит ее учет.
- Механические индукционные электросчетчики являются разновидностью, которая на сегодняшний день используется все меньше и вытесняется иными более современными моделями. Связано это с наличием обширного ряда недостатков, среди которых однотарифность, слишком большие погрешности в ходе учета, невозможность дистанционного автоматического снятия данных учета, сложность монтажа и использования, крайне невысокая степень функциональности.
- Электронный счетчик выполняет свои функции за счет возможности преобразования аналоговых сигналов в особые виды импульсов, анализ и учет которых позволяет вычислять объемы потребляемой электроэнергии. В отличие от индукционных устройств, такая разновидность не имеет в своей конструкции вращающихся проводников или иных подобных элементов, что является их основным преимуществом.
Включение в схему систем защиты
Электрический счетчик является всего лишь прибором учета и никакой защиты от нештатной ситуации не имеет. Он легко сгорит при перегрузке сети, не защитит оборудование при перенапряжении, не спасет людей при пробое изоляции и аварии оборудования. Именно поэтому все приборы учета дополняются теми или иными системами защиты. Основными и самыми необходимыми из них считаются:
- Защита от тока утечки.
- Защита по перегрузке.
Для выполнения первых задач служат так называемые дифференциальные выключатели или УЗО – Устройства Аварийного Отключения. Задачу по перегрузке решают обычные предохранители (пробки) или автоматические выключатели, именуемые в быту «автоматами». Изготавливаются они обычно как отдельные устройства, но нередко УЗО и автоматы совмещают в одном корпусе (дифференциальный автомат).
Автоматический выключатель (слева), УЗО и дифференциальный автомат
Подключить УЗО и автомат не сложнее, чем установить счетчик, но некоторые вопросы все же требуют разъяснения.
Где ставить автомат – до или после счетчика
В принципе и счетчику, и защитному устройству совершенно без разницы, в какой последовательности стоять. Если произойдет, к примеру, короткое замыкание, то ток перегрузки во всей линии будет одинаков. Важнее то, что автоматический выключатель тут же разорвет цепь, спасая саму линию и приборы, к ней подключенные.
Другое дело, что автоматом можно обесточить линию, расположенную за ним, вручную. Это бывает полезным, к примеру, при профилактических и ремонтных работах. Здесь, без сомнения, установка автомата перед электросчетчиком была бы более удобной, но далеко не все поставщики электроэнергии это приветствуют, опасаясь несанкционированного подключения. Поэтому прежде чем поставить выключатель перед прибором учета, поинтересуйтесь в ваших РЭС, можно ли так сделать.
Можно ли установить несколько автоматов
Не можно, а желательно. Это сделает пользование домовой сетью не только более безопасным, но и удобным. Если, к примеру, розетки и освещение заведены на разные автоматы, то при коротком замыкании, скажем, в электроплитке сработает лишь автомат, отвечающий за розетки. Это позволит пользоваться освещением при поиске неисправности.
Где поставить защиту от утечки
С УЗО, в принципе, ситуация та же, что и автоматами. Если, не дай бог, произойдет утечка, то УЗО великолепно сработает, будучи установленным как до, так и после электросчетчика. На практике же дифференциальные выключатели чаще ставят после приборов учета – ни у кого не нужно спрашивать разрешения на установку. Что касается установки нескольких дифвыключателей, каждый на свою линию, то и здесь нет никаких ограничений.
Ну а теперь самое время посмотреть, как подключить однофазный счетчик электроэнергии и автоматы защиты:
Схема включения счетчика и автоматов в однофазную сеть
Схема включения счетчика и автоматов в трехфазную сеть
Крепление счетчика в щитке на DIN-рейке
В электрическом щитке все современные установочные электрические изделия, такие как счетчик, автоматы, УЗО и другие, крепятся легко съемным способом на DIN-рейке, которую электрики еще называют монтажной рейкой.
DIN-рейка имеет ширину 35 мм и согласно ГОСТ Р МЭК 60715-2003 «Аппаратура распределения и управления низковольтная. Установка и крепление на рейках электрических аппаратов в низковольтных комплектных устройствах распределения и управления» обозначается Т35
. Ранее DIN-рейки изготавливались из алюминиевого сплава, как на фотографии. Современные – из листовой стали методом штамповки.
Некоторые модели счетчиков комплектуются своими DIN-рейками. Например, электросчётчик «Меркурий 200», который установлен в моей квартире, в комплекте имел нестандартную DIN-рейку, хотя посадочное место для крепления имело стандартный размер, 35 мм, что позволяет крепить его и на стандартной DIN-рейке.
Установленный в щитке счетчик опломбирован и снять его можно, только после снятия пломбы и крышки. Под ней находятся два прямоугольных отверстия (на фотографии указаны стрелками). Для снятия счетчика нужно в эти отверстия одновременно вставить лезвия двух плоских отверток, подвижные защелки выйдут из зацепления DIN-рейки, и отвести нижний край счетчика от стенки щитка.





































